介绍的自动调光台灯能根据周围环境亮度强弱自动调整台灯发光量。当环境亮度弱,它发光亮度就增大;环境亮度强,发光亮度就减暗。
台灯电路及工作原理

该灯电路见图1.当开关S拨向位置2时,它是一个普通调光台灯。RP、C和氖泡N组成张弛振荡器,用来产生脉冲触发可控硅VS.一般氖泡辉光导通电压为60-80V,当C充电到辉光电压时,N辉光导通,VS被触发导通。调节RP能改变C充电速率,从而能改变VS导通角,达到调光的目的。R2、R3构成分压器通过VD5也向C充电,改变R2、R3分压也能改变VS导通角,使灯的亮度发生变化。
当S拨向位置1时,光敏电阻RG取代R3,当周围光线较弱时,RG呈现高电阻,VD5右端电位升高,电容C充电速率加快,振荡频率变高,VS导通角增大,电灯两端电压升高、高度增大。当周围光线增强时,RG电阻变小,与上述相反,电灯两端电压变低,高度减小。
元器件选择与制作调试
调试时,将RP调到阻值为零位置,S置于位置2,用万用表测电灯两端交流电应在200V以上,如低于200V可略减小R1或增大R3阻值,使之达到要求。光敏电阻RG应安装在台灯底座侧面台灯光线不能直接照射的地方,用来感受周围环境照度。调光台灯的灯泡宜用40W的白炽灯。调整好的电路即可投入使用;S拨向2为普通调光台灯,调RP可选择适当的高密度;S拨向1为自动台灯,先调RP选择好适当亮度,如环境照度变暗时,台灯亮度会逐渐变亮,增大照度。

延时节电开关是一种楼道照明灯或其它用电设备的自动延时开关装置。它采用电子器件、脉冲技术及无触点开关技术。如楼道每个单元只装一台,用三根导线连接楼道各层位的按扭开关和照明灯,当行人夜间上下楼时,只需就近按下按扭开关,各层照明灯都点亮,经数秒或数分钟后,各层照明灯自动熄灭,并且本装置也自动停电,平时不耗电能。
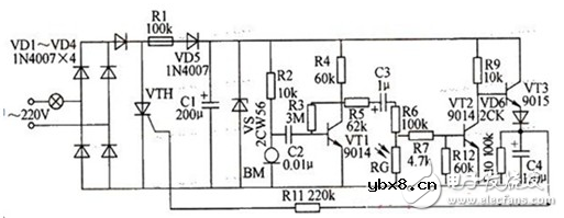
在白天光线射到光敏电阻RG之上时,其阻值变得很小,使VT2截止,VT3也截止,C4正极电位为零(或很低),无触发电压加到晶闸管VTH的门极上,晶闸管不导通,使得VD1~VD4所组成的桥路不通,作为负载的灯泡中无电流流过,灯泡不亮。
如图是一款简单的光敏电阻延时节电开关电路图,它是由三个接线端子[1]、[2]、[3],三端低压直流电源[4],延时电路由(W↓〔1〕、R↓〔1〕、C↓〔1〕构成),脉冲电路(由R↓〔2〕、BG↓〔1〕构成),无触点开关电路(由SCR↓〔1〕、R↓〔2〕、D↓〔1〕、SCR↓〔2〕构成。它具有电路简单、成本低、体积小、布线简单、使用方便、经久耐用、节电显着、用电设备寿命长的特点。

在白天光线射到光敏电阻RG之上时,其阻值变得很小,使VT2截止,VT3也截止,C4正极电位为零(或很低),无触发电压加到晶闸管VTH的门极上,晶闸管不导通,使得VD1~VD4所组成的桥路不通,作为负载的灯泡中无电流流过,灯泡不亮。
夜晚或在黑暗中,光敏电阻RG阻值很大,为VT2、VT3导通创造了条件,此时如有声响被驻极晶体传声器BM接收,则VT1工作,C3中就会有电流流过,R6与R12分压使VT2基极电位增高,VT2由截止变为饱和导通,VT2集电极电位降低,VT3跟着导通,C4被迅速充电,C4正极电位升高,当升高到一定程度时VTH门极被触发导通,VD1~VD4所组成的桥路接通,灯泡中流过较大电流而被点亮;随后C4通过R10放电,当C4正极电位低于晶问管VTH触发电压时,晶闸管自动关断,灯泡熄灭。若再有声响仍重复以上过程。

如图所示,是一种简易作而且十分实用的亮通开关。
图中,R1为光控阈值调节可变电阻器,通过调节它,可以调节光控电路电器K的动作灵敏度。白天(或灯光)光线较强时,光敏电阻器RL呈现低阻状态,流入晶体管VT基极的偏流较大,VT导通,继电器K吸合,其常开触点闭合,接触被控电器工作;夜间光线较暗时,RL呈现高阻状态,VT截止,K断开,被控电器停止工作。
工作原理:如图所示光敏电阻(光敏电阻又称光导管,常用的制作材料为硫化镉,另外还有硒、硫化铝、硫化铅和硫化铋等材料。这些制作材料具有在特定波长的光照射下,其阻值迅速减小的特性。这是由于光照产生的载流子都参与导电,在外加电场的作用下作漂移运动,电子奔向电源的正极,空穴奔向电源的负极,从而使光敏电阻器的阻值迅速下降。)与对比度电位器中间头相连。利用光敏电阻随光线强度不同而阻值变化的特性,使电位器中间头电位随光线强度不同而变化,再通过解码电路TA7698AP的控制,使电视机亮度、对比度、饱和度相应变化。光线亮度大,GR阻值小,电位器中间头电位升。

如图所示为典型的光敏电阻恒压偏置电路。光敏电阻在恒压偏置电路的情况下输出的电流IP与处于放大状态的三极管发射极电流Ie近似相等。

利用晶体三极管很容易构成光敏电阻的恒压偏置电路。
电感器设计流程和见解
时间:2026-05-01
什么是触发器?触发器的作用是什么?
时间:2026-05-01
什么是电源?电源是如何进行分类的?
时间:2026-05-01
电驱动NVH的特点和结构
时间:2026-05-01
什么是霍尔传感器?
时间:2026-05-01
电负性的计算方法
时间:2026-04-30
电导的定义_电导的单位_电导怎么算
时间:2026-04-30
什么是计数器_计数器的作用
时间:2026-04-30
什么是欧姆定律_欧姆定律公式
时间:2026-04-30
RAID是什么?RAID有哪些?
时间:2026-04-30
电阻的原理和作用 电阻色环识别图 电路中电...
时间:2026-03-09
NVIDIA CPU+GPU超级芯片大升级!
时间:2026-03-09
什么是室温超导?半导体时代将走向结束?芯...
时间:2026-03-09
石英灯电子变压器电路原理
时间:2026-03-06
什么是硅片或者晶圆?一文了解半导体硅晶圆
时间:2026-03-09
半导体光刻工艺 光刻—半导体电路的绘制
时间:2026-03-09
一文详解MOS管驱动电路拓扑的设计
时间:2026-03-09
汽车芯片业应汲取的教训
时间:2026-03-09
压敏电阻型号的含义
时间:2026-03-05
半导体行业之ICT技术简介
时间:2026-03-09