“异或”逻辑元件广泛应用于各种数字设备中。然而,在某些情况下,例如,当使用更高的工作电压时,使用标准芯片是不可能的。这个问题可以通过使用离散元来解决。
如果标准的 AND 或 OR 逻辑元件很容易被二极管电阻电路取代,那么 XOR 元件的情况就复杂得多。值得注意的是,3XOR 逻辑门并非由工业制造。下面将展示如何从一组标准的离散元素中合成 2XOR 和 3XOR 元素。
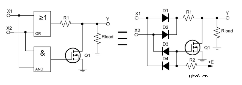
图 1显示了如何从 2OR 和 2AND 逻辑元件以及 VT1 晶体管的组合中合成 2XOR 元件。反过来,元素 2OR 和 2AND 可以用离散元素中的对应元素替换。例如,二极管 D1 和 D2,以及电阻器 R1 和 Rload (Rload 》》 R1) 相当于一个逻辑元件 2OR,图 1。二极管 D3 和 D4,以及电阻器 R2,相当于一个逻辑元件2AND 逻辑元素。

图 1 XOR 逻辑元件及其使用分立元件的模拟。
2XOR 元件的第二种变体如图 2所示。晶体管 Q1 和 Q2 以及电阻器 R2 用作 2AND 元件。

图2由分立元件组成的逻辑元件异或。
以下 2XOR 逻辑元件的模拟变体是在场效应(图 3)和双极(图 4)晶体管上制作的。

图 3场效应晶体管上的逻辑元件 2XOR。

图 4双极晶体管上的逻辑元件 2XOR。
显然,如果“Log. 0”电平出现在输入 X1 和 X2,“Log. 0”也将在元素的输出端被观察到。
当“Log. 1”电平应用于其输入之一,例如,X1,以及“Log.1”的信号。0”电平施加到输入端X2,该信号将通过电阻R1和二极管D1到达设备的输出Y。当然,输出电压会略低于输入电压,这在大多数情况下对数字设备的运行并不重要,尤其是在高压区域工作。
当一个“Log. 1”电平信号被施加到输入 X2,一个“Log. 0”电平信号施加到输入 X1。
如果信号是“Log. 1” 应用于设备的两个输入端,晶体管 Q1 和 Q2 都将打开并禁止输入信号通过设备的输出端。
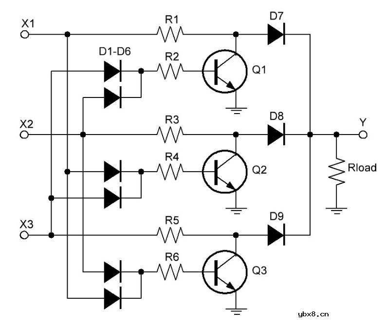
3XOR 逻辑元件的类似物,图 5和图 6,比以前的要复杂得多,但值得考虑的是,由于执行的复杂性增加或出于其他原因,这种微电路形式的元件没有生产。 表 1(真值表)根据输入信号集表征 3XOR 逻辑元件的输出信号电平。

图 5双极晶体管上的逻辑元件 3XOR。

图 6场效应晶体管上的逻辑元件 3XOR。

表 1 3XOR 逻辑元件的真值表。
电场激活原位掺杂平面光伏型胶体量子点红外...
时间:2026-03-09
什么是硅片或者晶圆?一文了解半导体硅晶圆
时间:2026-03-09
集成电路的几纳米代表了什么?
时间:2026-03-09
金刚石基GaN问世 化合物半导体行业进入第三...
时间:2026-03-09
实用模拟电路小常识浅析
时间:2026-03-09
寄存器是什么?怎么操作寄存器点亮LED灯?
时间:2026-03-09
一文详解MOS管驱动电路拓扑的设计
时间:2026-03-09
汽车芯片业应汲取的教训
时间:2026-03-09
半导体光刻工艺 光刻—半导体电路的绘制
时间:2026-03-09
电阻的原理和作用 电阻色环识别图 电路中电...
时间:2026-03-09
使用过滤器电容器和诱导器来抑制受辐射的EM...
时间:2026-03-05
LED固晶机龙头直面“寒冬”
时间:2026-03-05
玻璃釉电容器的结构与特点
时间:2026-03-05
电容器入门教程
时间:2026-03-05
分析一个工作中常用的带有放大功能的高精度...
时间:2026-03-05
关于STM32WL LSE 添加反馈电阻后无法起振的...
时间:2026-03-05
绝缘电阻表的选用及使用注意事项
时间:2026-03-05
压敏电阻爆裂的原因分析
时间:2026-03-05
暑期买元器件下单立减还送华为P30pro
时间:2026-03-05
电阻的标称阻值和允许偏差
时间:2026-03-05