石英晶振:即所谓石英晶体谐振器(无源晶振)和石英晶体振荡器(有源晶振)的统称。一般的概念中把晶振就等同于谐振器理解了,振荡器就是通常所指钟振。石英晶振是一种用于稳定频率和选择频率的电子元件,已被广泛地使用在无线电话、载波通讯、广播电视、卫星通讯、仪器仪表等各种电子设备中。
工程师的巨大福利,首款P_C_B分析软件,点击免费领取
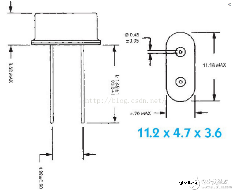
石英晶振封装一般分为插件(Dip)和贴片(SMD)。
插件中又分为HC-49U、HC-33U、HC-49S、全尺寸(长方体)、半尺寸(正方体)、音叉型(圆柱状晶振)。HC-49U一般称49U,有些采购俗称“高型”,而HC-49S一般称49S,俗称“矮型”,音叉型(圆柱状晶振)按照体积分可以分为φ3*10、φ3*9、φ3*8、φ2*6、φ1*5、、φ1*4等。贴片型是按尺寸大小和脚位来分类:例如7050(7.0*5.0)、6035(6.0*3.5)、5032(5.0*3.2)、3225(3.2*2.5)、2025(2.0*2.5)等。脚位有4pin和2pin之分。所谓全尺寸的,又称长方形或者14pin,半尺寸的又称正方形或者8pin。不过要注意的是,这里的14pin和8pin都是指振荡器内部核心IC的脚位数,振荡器本身是4pin。
而从不同的应用层面来分,有源晶振又可分为普通晶振(OSC)、温补晶振(TCXO)、压控晶振(VCXO)压控晶振恒温晶振(OCXO)等。


新型植入式气体传感器问世,可在人体内溶解
时间:2026-03-16
美国康奈尔大学官网
时间:2026-03-16
差压传感器的典型应用_差压传感器的安装
时间:2026-03-16
建筑物中的物联网传感器可以做什么?
时间:2026-03-16
物位传感器有哪些_物位传感器的实际应用
时间:2026-03-16
物位传感器的工作原理_物位传感器的特点
时间:2026-03-16
陀螺仪传感器的分类_陀螺仪传感器有什么用
时间:2026-03-16
模糊传感器的结构_模糊传感器的应用
时间:2026-03-16
小米重磅发布人体传感器2
时间:2026-03-16
中小企业受困 CIS 芯片缺货
时间:2026-03-16
玻璃釉电容器的结构与特点
时间:2026-03-05
电阻的标称阻值和允许偏差
时间:2026-03-05
石英灯电子变压器电路原理
时间:2026-03-06
变压器并列运行的条件浅析
时间:2026-03-06
关于STM32WL LSE 添加反馈电阻后无法起振的...
时间:2026-03-05
可调电阻怎么接线
时间:2026-03-05
压敏电阻有正负极吗
时间:2026-03-05
碳膜电阻如何识别_金属膜电阻器和碳膜电阻器...
时间:2026-03-05
晶体三极管放大电路的非线形失真及其解决办...
时间:2026-03-07
怎样测试三极管的好坏,NPN三极管如何知道是...
时间:2026-03-07