很多初学者都会认为三极管是两个PN 结的简单凑合(如图1)。这种想法是错误的,两个二极管的组合不能形成一个三极管。我们以NPN 型三极管为例(见图2 ),两个PN 结共用了一个P 区——基区,基区做得极薄,只有几微米到几十微米,正是靠着它把两个PN 结有机地结合成一个不可分割的整体,它们之间存在着相互联系和相互影响,使三极管完全不同于两个单独的PN 结的特性。三极管在外加电压的作用下,形成基极电流、集电极电流和发射极电流,成为电流放大器件。


二、三极管的电流放大作用与其物理结构有关,三极管内部进行的物理过程是十分复杂的,初学者暂时不必去深入探讨。从应用的角度来讲,可以把三极管看作是一个电流分配器。一个三极管制成后,它的三个电流之间的比例关系就大体上确定了(见图 3 ),用式子来表示就是
β 和 α 称为三极管的电流分配系数,其中 β 值大家比较熟悉,都管它叫电流放大系数。三个电流中,有一个电流发生变化,另外两个电流也会随着按比例地变化。例如,基极电流的变化量 ΔI b = 10 μA , β = 50 ,根据 ΔI c = βΔI b 的关系式,集电极电流的变化量 ΔI c = 50×10 = 500μA ,实现了电流放大。

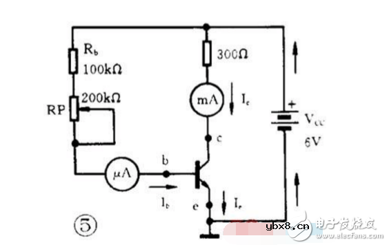
三、三极管自身并不能把小电流变成大电流,它仅仅起着一种控制作用,控制着电路里的电源,按确定的比例向三极管提供 I b 、 I c 和 I e 这三个电流。为了容易理解,我们还是用水流比喻电流(见图 4 )。这是粗、细两根水管,粗的管子内装有闸门,这个闸门是由细的管子中的水量控制着它的开启程度。如果细管子中没有水流,粗管子中的闸门就会关闭。注入细管子中的水量越大,闸门就开得越大,相应地流过粗管子的水就越多,这就体现出“以小控制大,以弱控制强”的道理。由图可见,细管子的水与粗管子的水在下端汇合在一根管子中。三极管的基极 b 、集电极 c 和发射极 e 就对应着图 4 中的细管、粗管和粗细交汇的管子。电路见图 5 ,若给三极管外加一定的电压,就会产生电流 I b 、 I c 和 I e 。调节电位器 RP 改变基极电流 I b , I c 也随之变化。由于 I c = βI b ,所以很小的 I b 控制着比它大 β 倍的 I c 。 I c 不是由三极管产生的,是由电源 V CC 在 I b 的控制下提供的,所以说三极管起着能量转换作用。

四、如图,假设三极管的β=100,RP=200K,此时的Ib=6v/(200k+100k)=0.02mA,Ic=βI b=2mA当RP=0时,Ib=6v/100k=0.06mA,Ic=βI b=2mA。以上两种状态都符合Ic=βI b,我们说,三极管处于“放大区”。假设RP=0,Rb=1k,此时,Ib=6v/1k=6mA按Ic=βI b计算,Ic应等于600mA,而实际上,由于图中300欧姆限流电阻(Rc)的存在,实际上Ic=(6v/300)≈20mA,此时,Ic≠βI b,而且,Ic不再受Ib控制,即处于“饱和区”,当RP和Rb大到一定程度,使Ube《死区电压(硅管约0.5V,锗管约0.3)此时be结处于不导通状态,Ib=0,则Ic=0,处于“截止区”。

五、单纯从“放大”的角度来看,我们希望 β 值越大越好。可是,三极管接成共发射极放大电路时,从管子的集电极 c 到发射极 e 总会产生一有害的漏电流,称为穿透电流 I ceo ,它的大小与 β 值近似成正比, β 值越大, I ceo 就越大。 I ceo 这种寄生电流不受 I b 控制,却成为集电极电流 I c 的一部分, I c = βI b + I ceo 。值得注意的是, I ceo 跟温度有密切的关系,温度升高, I ceo 急剧变大,破坏了放大电路工作的稳定性。所以,选择三极管时,并不是 β 越大越好,一般取硅管 β 为 40 ~ 150 ,锗管取 40 ~ 80 。

六、在常温下,锗管的穿透电流比较大,一般由几十微安到几百微安,硅管的穿透电流就比较小,一般只有零点几微安到几微安。 I ceo 虽然不大,却与温度有着密切的关系,它们遵循着所谓的“加倍规则”,这就是温度每升高 10℃ , I ceo 约增大一倍。例如,某锗管在常温 20℃ 时, I ceo 为 20μA ,在使用中管芯温度上升到 50℃ , I ceo 就增大到 160μA 左右。测量 I ceo 的电路很简单(图 7 ),三极管的基极开路,在集电极与发射极之间接入电源 V CC ( 6V ),串联在电路中的电流表(可用万用表中的 0.1mA 挡)所指示的电流值就是 I ceo 。

七、严格地说,三极管的 β 值不是一个不变的常数。在实际使用中,调整三极管的集电极电流 I , β 值会随着发生变化(图 )。一般说来,在 I c 很小(例如几十微安)或很大(即接近集电极最大允电流 I CM )时, β 值都比较小,在 1mA 以上相当宽的范围内,小功率管的 β 值都比较大,所以,同学们在调试放大电路时,要确定合适的工作电流 I c ,以获得最佳放大状态。另外, β 值也和三极管的其它参数一样,跟温度有密切的关系。温度升高, β 值相应变大。一般温度每升高 1℃ , β 值增加 0.5 %~ 1 %。

八、三极管有一个极限参数叫集电极最大允许电流,用 I CM 表示。 I CM 常称为三极管的额定电流,所以人们常常误认为超过了 I CM 值,由于过热会把管子烧坏。实际上,规定 I CM 值是为避免集电极电流太大时引起 β 值下降过多。一般把 β 值降低到它的最大值一半左右时的集电极电流定为集电极最大允许电流 I CM 。

九、三极管的电流放大系数 β 值还与电路的工作频率有关。在一定的频率范围内,可以认为 β 值是不随频率变化的(图 ),可是当频率升高到超过某一数值后, β 值就会明显下降。为了保证三极管在高频时仍然具有足够的放大能力,人们规定:当频率升高到使 β 值下降到低频( 1000Hz )值 β 0 的 0.707 倍时,所对应的频率称为 β 截止频率,用 f β 表示。 f β 就是三极管接成共发射极电路时所允许的最高工作频率。
三极管 β 截止频率 f β 是在三极管接成共发射极放大电路时测定的。如果三极管接成共基极电路,随着频率的升高,其电流放大系数 α ( α = I c / I e )值下降到低频( 1000Hz )值 α o 的 0.707 倍时,所对应的频率称为 α 截止频率,用 f α 表示(图 )。 f α 反映了三极管共基极运用时的频率限制。在三极管产品系列中,常根据 f α 的大小划分低频管和高频管。国家规定, f α < 3MHz 的为低频管, f α > 3MHz 的为高频管。

当频率高于 f β 值后,继续升高频率, β 值将随之下降,直到 β = 1 ,三极管就失去了放大能力。为此,人们规定:在高频条件下, β = 1 时所对应的频率,称为特征频率,用 f T 表示。 f T 常作为标志三极管频率特性好坏的重要参数。在选择三极管时,应使管子的特征频率 f T 比实际工作频率高出 3 ~ 5 倍。
f α 与 f β 的物理意义是相同的,仅仅是放大电路连接方式不同。理论分析和实验都可以证明,同一只三极管的 f β 值远比 f α 值要小,它们之间的关系为
f β =( 1 - α ) f α
这就说明了共发射极电路的极限工作频率比共基极电路低得多。所以,高频放大和振荡电路大多采用共基极连接。
影响介电常数的因素有哪些?
时间:2026-04-22
关于电流互感器基础知识介绍
时间:2026-04-22
开关电源的工作原理及特性
时间:2026-04-22
绝缘栅双极型晶体管(IGBT)外形、等效结构与...
时间:2026-04-22
信噪比(SNR)的定义,如何计算信噪比
时间:2026-04-22
波特率是什么意思_怎样计算波特率
时间:2026-04-21
RS485基本知识介绍
时间:2026-04-18
什么是激光雷达?激光雷达的构成与分类
时间:2026-04-18
Excelpoint - 一文了解SiC MOS的应用
时间:2026-04-18
什么是磁电阻器?磁电阻特性及应用
时间:2026-04-18
半导体光刻工艺 光刻—半导体电路的绘制
时间:2026-03-09
石英灯电子变压器电路原理
时间:2026-03-06
什么是室温超导?半导体时代将走向结束?芯...
时间:2026-03-09
什么是硅片或者晶圆?一文了解半导体硅晶圆
时间:2026-03-09
电阻的原理和作用 电阻色环识别图 电路中电...
时间:2026-03-09
北京理工大学实现了光导型向平面光伏型量子...
时间:2026-03-09
HTCC:半导体封装的理想方式
时间:2026-03-06
如何利用可扩展的柔性中间层制备超低模量电...
时间:2026-03-09
NVIDIA CPU+GPU超级芯片大升级!
时间:2026-03-09
光伏控制器简介
时间:2026-03-06