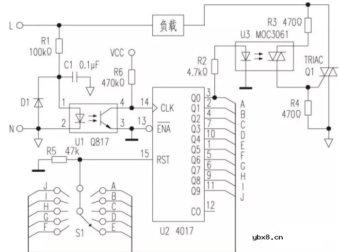
一、多挡可控硅调温电路

市电经R1限流,C1去干扰为光电耦合器U1提供初级工作电流,在市电正半周非过零区,光电耦合器U1次级输出低电平,市电正半周过零时,U1次级输出一个高电平脉冲,CD4017得到一个脉冲的上升沿计数脉冲,其时序脉冲分配输出端依次输出高电平。市电由正半周进入负半周时,U1次级保持高电平输出不变,此时,D1导通,保护光电耦合器。当市电的下一个正半周到来时,光电耦合器U1的初级又得到工作电流而使其次级输出低电平,到市电的正半周再次过零时,光电耦合器U1再次输出一个高电平脉冲,为CD4017再次提供一个计数脉冲。
如此,在CD4017的10个时序脉冲输出端依次输出高电平。通过多挡选择开关切换CD4017的时序输出端就可以得到N个脉冲中的一个脉冲,也就是1/N个市电周波通过负载做功。假如我们的多挡选择开关置于Q3输出端,那么,当CD4017的Q3输出高电平时,通过多挡选择开关将此高电平加到CD4017的复位端是CD4017进行复位,Q0端立即跳变高电平,Q3端则由高电平跳变为低电平,复位解除。电路进行正常计数工作。这样,就得到了市电每3个周波中只有一个周波通过负载做功。也就是1/3的市电通过负载。如果我们将多挡开关置于Q9端,则市电每9个周波中只有一个通过负载,也就是1/9的市电通过负载;如果我们将多挡开关置于Q0位置,则所有的市电周波全部通过负载。这样,就可以方便的通过选择多挡开关的位置设置通过负载的市电周波数与设置时间段里的市电周波数之比,从而实现调压目的。
二、电烙铁调温电路

电烙铁调温电路最明显的优点是温度调节好以后,很少再用去调整,也不会出现烙铁高温拿不起锡的现象,每次用的时候插上电,用完拔掉就行了。
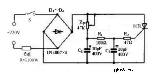
三、调光、调速、调温电路

如图所示是一种简单的调光、调速、调温电路,将图中的电位器W的阻值调到最小时,负载两端电压升高,W的阻值调大时,负载两端电压降低。
责任编辑:pj
相关热词:#脉冲
A22: 分立半导体器件知识与应用专题--二极...
时间:2026-03-07
一起来学习升压型(Boost or Step-up)开关...
时间:2026-03-07
19招电路(5V转3.3V)方案,运用起来非常棒
时间:2026-03-07
电路符号、标识快速区分二极管的极性
时间:2026-03-07
微波混频电路仿真设计
时间:2026-03-07
一文详解变压器的连接方法和联结组别
时间:2026-03-07
电源电路设计:详解线性电源和开关电源
时间:2026-03-07
MOS管驱动电路原理与MOS管驱动电路布线设计
时间:2026-03-07
图解电阻并联电路故障分析 短路故障检测与开...
时间:2026-03-07
电动车控制器电路原理图讲解分析
时间:2026-03-07
彩灯电路
时间:2026-03-05
电动机单线远程正反转控制电路图
时间:2026-03-04
三相异步电动机原理
时间:2026-03-04
三相异步电动机的拆装详讲
时间:2026-03-04
USB转232电路图
时间:2026-03-04
三相异步电动机的七种调速方式
时间:2026-03-04
转角测量电路
时间:2026-03-05
经典的正弦波发生电路
时间:2026-03-05
电度表的工作原理
时间:2026-03-04
电风扇红外遥控器2
时间:2026-03-04