遥控电路的特点是可以远距离非直接地实施控制,包括红外遥控、无线电遥控、电话遥控等,能够遥控照明灯、电视机等各种家用电器。
一、照明灯多路红外遥控电路

该电路可以用任何品牌的彩电遥控器进行遥控,能够控制3路照明灯。按一下遥控器上的任意按键,第1路照明灯点亮。再按一下遥控器上的任意按键,第2路照明灯点亮,同时第1路照明灯熄灭。第3次按下遥控器上的任意按键,第3路照明灯点亮,同时其他路照明灯熄灭。第4次按下遥控器上的任意按键,所有3路照明灯全部熄灭。
3个双向晶闸管VS 1 、VS 2 、VS 3 分别控制着3路照明灯EL 1 、EL 2 、EL 3 。3个双向晶闸管的控制极分别由IC 2 的3个输出端触发, R 6 、 R 7 、 R 8 分别是VS 1 、VS 2 、VS 3 的触发电阻。
二、红外遥控开关电路

其中调整限流电阻R,可改变反射距离。当R=510Ω时,反射距离为4~10cm;R=1Ω时反射距离可达1m。使用时应注意: 红外反射/接收对管PH303/PH302当中必须要有一只的引脚上加装套管,以避免自感现象。输出控制端Ll、k可接4~6V继电器,也可接灯泡,当然也可接其它控制电路。
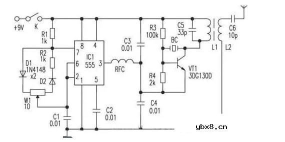
三、航模遥控开关电路

555集成块与R1、R2、RP1、VD1、VD2及C1组成一无稳态大范围可变占空比振荡器。图示参数的振荡频率为50Hz左右,通过RP1阻值的调节,占空比的变化范围可达到1%一99%,由③脚输出50Hz方波信号。VT1及外围元件构成晶体稳频电容三点式振荡器,石英晶体的谐振频率选用27.145MHz。本电路采用石英晶体稳频,所以工作可靠。VT1振荡产生的高频载波经555电路③脚的方波信号调制,由天线发射出去。
责任编辑:pj
相关热词:#开关电路
影响介电常数的因素有哪些?
时间:2026-04-22
关于电流互感器基础知识介绍
时间:2026-04-22
开关电源的工作原理及特性
时间:2026-04-22
绝缘栅双极型晶体管(IGBT)外形、等效结构与...
时间:2026-04-22
信噪比(SNR)的定义,如何计算信噪比
时间:2026-04-22
波特率是什么意思_怎样计算波特率
时间:2026-04-21
RS485基本知识介绍
时间:2026-04-18
什么是激光雷达?激光雷达的构成与分类
时间:2026-04-18
Excelpoint - 一文了解SiC MOS的应用
时间:2026-04-18
什么是磁电阻器?磁电阻特性及应用
时间:2026-04-18
基于逻辑门的构成解释如何完成任意逻辑的管...
时间:2026-03-08
彩灯电路
时间:2026-03-05
NE555的有趣电路设计分享
时间:2026-03-08
三相异步电动机原理
时间:2026-03-04
三相异步电动机的拆装详讲
时间:2026-03-04
从0学电路,万用表演示测量三极管方法
时间:2026-03-08
电动机单线远程正反转控制电路图
时间:2026-03-04
光耦在电子电路中作用、关键参数详解
时间:2026-03-08
H桥电机驱动电路解析
时间:2026-03-08
转角测量电路
时间:2026-03-05