调光电路其实就是调节LED或者灯泡的亮度,实现调光方法有很多种,有模拟调光、有定时器调光、PWM脉冲宽度调光、可控硅调光等。
一、可控硅调光电路

当220V市电加到AC两端时,通过改变电容C1上充电时间常数的方法可以达到改变导通角,从而达到改变灯泡平均电流,也就是改变灯泡亮度,如下图是某调光电路实物图,只要可控硅承受功率足够大就可以实现大功率输出。
二、单向晶闸管调光电路

接通电源开关S后,220V交流电源经VD 1 ~VD 4 极性变换后,无论正半周还是负半周,都是从上到下正向通过单向晶闸管VS。正是有了极性变换电路,才能够用单向晶闸管控制交流电。
电源在每个半周开始时经过 R 1 、RP向 C 1 充电。当 C 1 上所充电压达到单向晶闸管VS的控制极触发电压时,VS导通,沟通了照明灯EL的交流电源回路,照明灯EL点亮。 R 2 是触发电阻, C 2 是抗干扰电容。
在每个半周结束时(即交流电过零时)单向晶闸管VS截止,切断照明灯EL的交流电源回路,照明灯EL熄灭。由于220V交流电具有100个半周(50Hz),同时白炽灯泡具有一定的热惰性,所以看起来照明灯EL是一直亮着的。
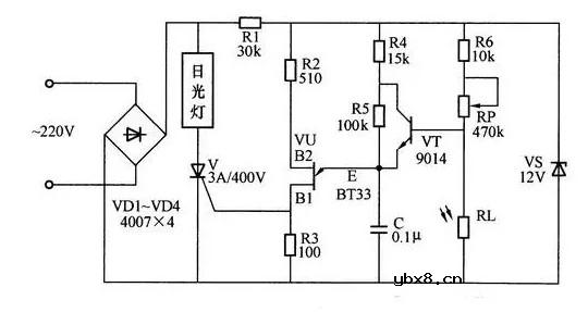
三、日光灯光敏自动调光电路

图中220V交流电源经过二极管VD1~VD4桥式整流变成脉动直流电压,然后分成两路,一路经过R1、VS稳压后变为稳定的12V脉冲电压供给双基极二极管VU、三极管VT;另一路供给电子镇流器(电子镇流器内部的桥式镇流电路改做隔离电路,避免张弛振荡器电路收到电子镇流器电压的影响)。双基极二极管VU,电阻R2、R3、R4和电容C组成张弛振荡器、起振后,由R3输出尖脉冲去触发晶闸管V。三极管VT,电阻R5、R6、RL和RP组成震荡频率自动控制电路。
当环境光线较强时,光敏电阻RL电阻变小,使流入三极管VT的基极电流变小,VT的基——射结电阻变大,振荡器震荡频率变低,V的导通角度大,日光灯电压变低,光线变暗。反之,光线变强。
责任编辑:pj
相关热词:
影响介电常数的因素有哪些?
时间:2026-04-22
关于电流互感器基础知识介绍
时间:2026-04-22
开关电源的工作原理及特性
时间:2026-04-22
绝缘栅双极型晶体管(IGBT)外形、等效结构与...
时间:2026-04-22
信噪比(SNR)的定义,如何计算信噪比
时间:2026-04-22
波特率是什么意思_怎样计算波特率
时间:2026-04-21
RS485基本知识介绍
时间:2026-04-18
什么是激光雷达?激光雷达的构成与分类
时间:2026-04-18
Excelpoint - 一文了解SiC MOS的应用
时间:2026-04-18
什么是磁电阻器?磁电阻特性及应用
时间:2026-04-18
基于逻辑门的构成解释如何完成任意逻辑的管...
时间:2026-03-08
彩灯电路
时间:2026-03-05
NE555的有趣电路设计分享
时间:2026-03-08
三相异步电动机原理
时间:2026-03-04
三相异步电动机的拆装详讲
时间:2026-03-04
从0学电路,万用表演示测量三极管方法
时间:2026-03-08
电动机单线远程正反转控制电路图
时间:2026-03-04
光耦在电子电路中作用、关键参数详解
时间:2026-03-08
H桥电机驱动电路解析
时间:2026-03-08
转角测量电路
时间:2026-03-05