电动机调速控制电路是指利用时间继电器控制电动机的低速或高速运转,通过低速运转按钮和高速运转按钮实现对电动机低速和高速运转的切换控制。
一、电风扇调速电路

此电路一共可以分为三大部分,最左边的220v交流电路,中间的摇摆电路,最右边的风机电路。电风扇电机是单相交流电机,它的内部有两个绕组,一个叫运行绕组(也称主绕组),另一个成为启动绕组(也成为副绕组)。启动电路由分相组成,使主副绕组在空间上相隔90°电角度。调速电路是串联一个电抗器调速开关组成,通过调电抗大小,来改变电机的电压实现调速。
二、直流电动机调速电路

将交流电压经桥式整流后的直流电压,通过晶闸管V加到直流电动机的电枢上。调节电位器RP的值,则能改变V的导通角,从而改变输出直流电压的大小,实现直流电动机调速。本电路操作简单,在小容量直流电动机及单相串励式手电钻中得到广泛应用。
为了使电动机在低速时运转平稳,在移相回路中接入稳压管VS,以保证触发脉冲的稳定。VD5起续流作用。只要调节RP 的电阻值就能实现调速。
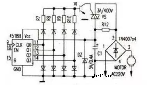
三、可控硅电机调速电路

前级控制电路的电源供给电压从稳压管DZ两端取得,R12为启动电阻。VT必须选择BVceo大于400V的中功率管。稳压管DZ的额定电流必须大于电风扇堵转时的电流(一般电风扇的堵转电流约300mA),其稳定电压为5V。
责任编辑:pj
相关热词:#继电器
A22: 分立半导体器件知识与应用专题--二极...
时间:2026-03-07
一起来学习升压型(Boost or Step-up)开关...
时间:2026-03-07
19招电路(5V转3.3V)方案,运用起来非常棒
时间:2026-03-07
电路符号、标识快速区分二极管的极性
时间:2026-03-07
微波混频电路仿真设计
时间:2026-03-07
一文详解变压器的连接方法和联结组别
时间:2026-03-07
电源电路设计:详解线性电源和开关电源
时间:2026-03-07
MOS管驱动电路原理与MOS管驱动电路布线设计
时间:2026-03-07
图解电阻并联电路故障分析 短路故障检测与开...
时间:2026-03-07
电动车控制器电路原理图讲解分析
时间:2026-03-07
彩灯电路
时间:2026-03-05
电动机单线远程正反转控制电路图
时间:2026-03-04
三相异步电动机原理
时间:2026-03-04
三相异步电动机的拆装详讲
时间:2026-03-04
USB转232电路图
时间:2026-03-04
三相异步电动机的七种调速方式
时间:2026-03-04
转角测量电路
时间:2026-03-05
经典的正弦波发生电路
时间:2026-03-05
电度表的工作原理
时间:2026-03-04
电风扇红外遥控器2
时间:2026-03-04