本电路如下图所示,控制器包括降压稳压电路(VDD=+12V),555组成的R-S触发电路及继电控制电路等,该装置不仅能自动煮干饭,还可以自动煮稀饭。


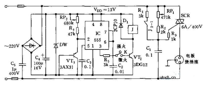
本电路如下图所示,调节器包括降压整流电路(VDD=13V)、振荡控制电路和可控硅移相触发电路。以前一般市售的电饭煲,其电加热功率无法调节,本电路可以在电饭煲内水沸后进行文火加热。开关K在“强火”位置时,VT2截止,J1-1触点处于常闭接通状态,此时,R1与RP1、R2相并联,并于C1组成阻容触发网络,SCR导通后,插座上可获得近220V的电压。当水煮沸后,将K拨至“微火”,此时温度传感器VT1(3AX31)处于导通状态,555的2脚呈低电平,则555位置3脚呈高电平,VT2导通,J吸合,J1-1释放。则触发移相网络使SCR的导通脚改变,插座上的电压不再为220V,可根据需要调节RP1,使之在15-220V范围内选定,对开锅后的电饭煲进行温火加热。

相关热词:#电饭煲
影响介电常数的因素有哪些?
时间:2026-04-22
关于电流互感器基础知识介绍
时间:2026-04-22
开关电源的工作原理及特性
时间:2026-04-22
绝缘栅双极型晶体管(IGBT)外形、等效结构与...
时间:2026-04-22
信噪比(SNR)的定义,如何计算信噪比
时间:2026-04-22
波特率是什么意思_怎样计算波特率
时间:2026-04-21
RS485基本知识介绍
时间:2026-04-18
什么是激光雷达?激光雷达的构成与分类
时间:2026-04-18
Excelpoint - 一文了解SiC MOS的应用
时间:2026-04-18
什么是磁电阻器?磁电阻特性及应用
时间:2026-04-18
基于逻辑门的构成解释如何完成任意逻辑的管...
时间:2026-03-08
彩灯电路
时间:2026-03-05
NE555的有趣电路设计分享
时间:2026-03-08
三相异步电动机原理
时间:2026-03-04
三相异步电动机的拆装详讲
时间:2026-03-04
从0学电路,万用表演示测量三极管方法
时间:2026-03-08
电动机单线远程正反转控制电路图
时间:2026-03-04
光耦在电子电路中作用、关键参数详解
时间:2026-03-08
H桥电机驱动电路解析
时间:2026-03-08
转角测量电路
时间:2026-03-05