TOP1 STM32低成本WiFi播放电路
以STM32F103 作为微处理器,设计一个低成本的无线WiFi 音乐播放系统,结合接收WiFi 数据的WM-G-MR-08(wm631)模块和VS1003B 音频解码器实现MP3 音乐播放。基于Android 系统开发的客户端软件采用手机控制,完成手机端与控制端之间的数据传输,实现手机远程对音乐播放器的控制。结果表明,该系统设备简单方便、成本较低、系统可靠、易于扩展。本设计基于已经发展成熟的WiFi 无线网络,充分利用WiFi 覆盖范围广、传输速度快、抗干扰能力强等优点。Android 具有开源性、封装性、性价比高等优点,基于Android 系统开发的客户端软件移植性强,通用性高。采用手机作为控制终端,便于操作。手机通过无线网络(WiFi)对音乐播放系统进行控制,可以实现方便、快捷、智能化的要求。
音频解码模块
VS1003B 是一个单片MP3/WMA/MIDI 音频解码器和ADPCM 解码器。它包含一个高性能、自主产权的低功耗的DSP 处理器核VS_DSP4,工作数据存储器为用户应用提供5KB 的指令ROM 和0.5KB 的数据RAM。其还具有串行的控制和数据接口、1 个高品质可变采样率的ADC 和立体声DAC、4 个常规用途的I/O 口、1 个UART,以及1 个地线缓冲器和耳机放大器。

STM32F103 将从SD 卡里读取的MP3 音频数据流传给音频解码模块,音频解码模块将该数据流解析并转换成模拟信号后再进行输出。VS1003B 与STM32F103 的数据通信是通过J2 排针上的SPI 总线方式进行的。
WiFi 无线模块
WiFi(Wireless Fidelity,无线保真技术)的最大优点是传输速度较高,而且能自动调整带宽,可以有效地保障网络的稳定性和可靠性。该设计采用的WM-G-MR- 08 模块不仅具有WiFi 的功能,而且能提供小尺寸和高数据速率的无线连接,可应用于无线PDA、DSC、媒体适配器、微型打印机、条码扫描器、VOIP 电话等。数据存储装置是该WM-G-MR-08 潜在的应用,在嵌入式上的应用主要集中在移动装置方面。在设计中,WM-G-MR-08 模块通过开发板上的J1排针的SPI 引脚与主控芯片通信,ANT1SMACON 为无线网卡,其原理图如图2所示。

本设计是在ARM7 平台上构建WiFi,成本优势明显。采用当前较新的控制方式—智能手机软件控制+无线网络,不仅能充分利用WiFi 的传输速度快、覆盖范围广等优势,而且基于Android 的平台建设成本低、使用方便。同时,这种方式采用的手机软件具有通用性,市场应用价值高,易于推广,能为用户提供优质、方便快捷的音乐播放服务。
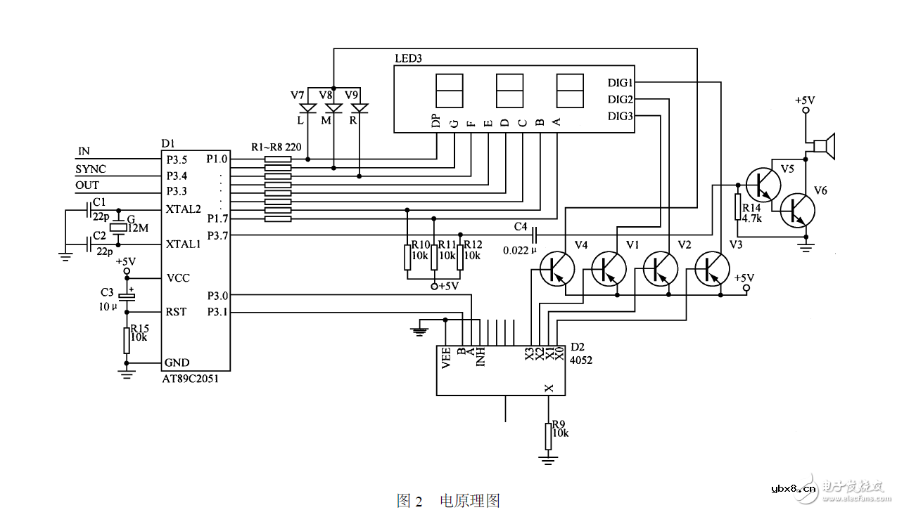
单片机在超声波测距中应用电路
该系统的工作原理:由微机编程送出 40kHz 频率的方波信号至信号处理器,信号处理器通过两级放大,再经过压电换能器将信号发射出去,该信号遇到障碍物反射回来在此称为回波。同时,压电换能器将接收的回波,通过信号处理的检波放大、积分整形及一系列常见电路的处理,送至微机处理。显示器的声音告警频率、发光二极管方位指示及障碍物距超声波探头的距离显示均由单片机控制。

12 节循环链表,求每个超声波探头四次测得值的平均值,以减小误差,再比较三个探头平均值,最小的值即为最近的障碍物反射回来回波所需的时间。电原理图如图2 所示,其中图2 中的P3. 4 即SYNC同步周期端接一循环移位计数器的CL K端,Q0 、Q1 、Q2 输出分别控制三个超声换能器使它轮流工作,电路图及工作波形图如图3 、4 所示。
相关热词:
影响介电常数的因素有哪些?
时间:2026-04-22
关于电流互感器基础知识介绍
时间:2026-04-22
开关电源的工作原理及特性
时间:2026-04-22
绝缘栅双极型晶体管(IGBT)外形、等效结构与...
时间:2026-04-22
信噪比(SNR)的定义,如何计算信噪比
时间:2026-04-22
波特率是什么意思_怎样计算波特率
时间:2026-04-21
RS485基本知识介绍
时间:2026-04-18
什么是激光雷达?激光雷达的构成与分类
时间:2026-04-18
Excelpoint - 一文了解SiC MOS的应用
时间:2026-04-18
什么是磁电阻器?磁电阻特性及应用
时间:2026-04-18
基于逻辑门的构成解释如何完成任意逻辑的管...
时间:2026-03-08
彩灯电路
时间:2026-03-05
NE555的有趣电路设计分享
时间:2026-03-08
三相异步电动机原理
时间:2026-03-04
三相异步电动机的拆装详讲
时间:2026-03-04
从0学电路,万用表演示测量三极管方法
时间:2026-03-08
光耦在电子电路中作用、关键参数详解
时间:2026-03-08
电动机单线远程正反转控制电路图
时间:2026-03-04
H桥电机驱动电路解析
时间:2026-03-08
转角测量电路
时间:2026-03-05