本款介绍的吊灯控制器电路,可分别控制吊灯3组灯泡的工作状态,使3路灯泡同时点亮或分别独自点亮,独自熄灭。
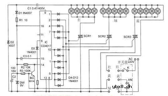
该吊灯控制电路由电源电路、触发控制电路和控制执行电路组成,如图①所示

1、电源电路由降压电容C4、泄放电阻R6、稳压二极管Ⅴs、整流二极管ⅤD和滤波电容C3组成。
2、触发控制电路由控制按钮S、计数器集成电路lC(CD4518)、电阻器R1一R5和电容C1、C2组成。
3、控制执行电路由电阻器R7一R9和晶闸管ⅤT1一VT3组成。

该灯电路部分装在灯具内,与灯架、灯座、灯罩等合为一体,引出三根线红、黄、绿,与所配开关相连,这有别于普通的灯具控制。其电路原理如上图所示。当开关控制盒内K接通后,220V交流电经C1、D1、D2整流,再由C2滤波和DW稳压后,供给十进制计数/分配器CD4017工作电压。同时,9V电源经C3向IC第(15)脚输出一个正脉冲,使电路清零,所以其(3)脚输出正电压触发双向可控硅SCR1,使五只灯罩内的红色灯泡发光,这是一种状态。若按动开关盒内AN按钮,三极管BG基极与发射极短路,BG管截止,此时IC第(14)脚电压上升,触发其内电路使之计数,由(2)脚输出高电平,使双向可控硅SCR2导通,使相应的五只绿灯点亮。再按动AN,电路又可使蓝灯点亮。
当继续按动AN,使IC第(7)脚输出高电平时,灯罩内红色和绿色灯泡同时点亮,从而对外表现为黄光,以后IC各脚的输出和灯光的颜色读者可自行分析。
二极管D3是使(6)脚输出时,电路复位到初始状态,即红灯亮。D4~D12为隔离二极管。彩色灯泡选25W时,双向可控硅应选2A电流的。另外在使用中较易出现各色灯都不能开启现象,这多是降压整流电路损坏,如C1、D1、D2、DW等,根据电路,应在三只可控硅控制极各串一支2K电阻,以保护可控硅和CD4017。在安装接线时,灯具和开关盒之间的连线不能接错,其上已有颜色标识。
相关热词:#控制电路
影响介电常数的因素有哪些?
时间:2026-04-22
关于电流互感器基础知识介绍
时间:2026-04-22
开关电源的工作原理及特性
时间:2026-04-22
绝缘栅双极型晶体管(IGBT)外形、等效结构与...
时间:2026-04-22
信噪比(SNR)的定义,如何计算信噪比
时间:2026-04-22
波特率是什么意思_怎样计算波特率
时间:2026-04-21
RS485基本知识介绍
时间:2026-04-18
什么是激光雷达?激光雷达的构成与分类
时间:2026-04-18
Excelpoint - 一文了解SiC MOS的应用
时间:2026-04-18
什么是磁电阻器?磁电阻特性及应用
时间:2026-04-18
基于逻辑门的构成解释如何完成任意逻辑的管...
时间:2026-03-08
彩灯电路
时间:2026-03-05
NE555的有趣电路设计分享
时间:2026-03-08
三相异步电动机原理
时间:2026-03-04
三相异步电动机的拆装详讲
时间:2026-03-04
从0学电路,万用表演示测量三极管方法
时间:2026-03-08
电动机单线远程正反转控制电路图
时间:2026-03-04
光耦在电子电路中作用、关键参数详解
时间:2026-03-08
H桥电机驱动电路解析
时间:2026-03-08
转角测量电路
时间:2026-03-05