如图14-23所示是一种常用的燃气热水器脉冲点火电路,其工作原理如下。

图14-23燃气热水器点火电路
该电路主要由集成块LM339及其相关元器件组成,电路中的Q4、B1等组成振荡电路。B1所接线圈为正反馈绕组,二次电压整流后,经B2一次侧对C1进行充电,当晶闸管Q9导通时电容C1经B2一次侧放电,B2次级产生高压点火脉冲。
点火脉冲的控制主要由Q6、Q7、Q8及其外围元器件来完成,产生点火脉冲时,其维持时间的长短由C2决定,C2的容量越大,点火时间越长,反之,则点火维持时间就越短。

电路工作原理:220V交流电经变压器T降压、整流桥D整流、C1滤波变为脉冲直流电压,经lC1稳压,为继电器K提供12V的工作电压。只要用户开通自来水阀,水压开关S1接通,继电器K得电吸合使开关S3接通,风机得电工作。
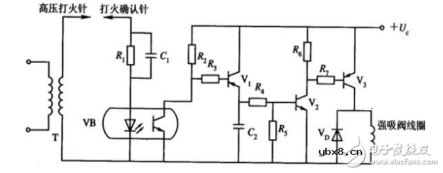
由于煤气是易燃、易爆气体,所以对燃气器具中的点火控制器的要求是安全、稳定、可靠。为此电路中有这样一个功能,即打火确认针产生火花,才可打开燃气阀门;否则燃气阀门关闭,这样就保证使用燃气器具的安全性。
图8-25为燃气热水器中的高压打火确认电路原理图。在高压打火时,火花电压可达一万多伏,这个脉冲高电压对电路工作影响极大,为了使电路正常工作,采用光电耦合器VB进行电平隔离,大大增强了电路抗干扰能力。当高压打火针对打火确认针放电时,光电耦合器中的发光二极管发光,耦合器中的光敏三极管导通,经V1、V2、V3放大,驱动强吸电磁阀,将气路打开,燃气碰到火花即燃烧。若高压打火针与打火确认针之间不放电,则光电耦合器不工作,V1等不导通,燃气阀门关闭。

燃气热水器的高压打火确认电路原理图
相关热词:#脉冲
波特率是什么意思_怎样计算波特率
时间:2026-04-21
RS485基本知识介绍
时间:2026-04-18
什么是激光雷达?激光雷达的构成与分类
时间:2026-04-18
Excelpoint - 一文了解SiC MOS的应用
时间:2026-04-18
什么是磁电阻器?磁电阻特性及应用
时间:2026-04-18
什么是电场?电场在电容器中的应用
时间:2026-04-18
什么是ARM64?
时间:2026-04-17
vga和hdmi的区别
时间:2026-04-17
什么是ESD?ESD及TVS的原理和应用
时间:2026-04-17
开关电源原理与维修完整版 (10)_标清视频
时间:2026-04-16
基于逻辑门的构成解释如何完成任意逻辑的管...
时间:2026-03-08
彩灯电路
时间:2026-03-05
NE555的有趣电路设计分享
时间:2026-03-08
三相异步电动机原理
时间:2026-03-04
三相异步电动机的拆装详讲
时间:2026-03-04
从0学电路,万用表演示测量三极管方法
时间:2026-03-08
电动机单线远程正反转控制电路图
时间:2026-03-04
光耦在电子电路中作用、关键参数详解
时间:2026-03-08
H桥电机驱动电路解析
时间:2026-03-08
转角测量电路
时间:2026-03-05