带电阻负载的BJT反相器,其动态性能不理想。因而,在保持逻辑功能不变的前提下,可以另外加若干元器件以改善其动态性能,如减少由于BJT基区电荷存储效应和负载电容所引起的时延。这需改变反相器输入电路和输出电路的结构,以形成TTL反相器的基本电路。
图2表示TTL反相器的基本电路,该电路由三部分组成,即BJTT1组成电路的输入级,T3、T4和二极管D组成输出级,以及由T2组成的中间级作为输出级的驱动电路,将T2的单端输入信号V12转换为互补的双端输出信号。以驱动T3和T4。

图2 TTL反相器的基本电路
(1)当输入为高电平,如vI=3.6V时,电源VCC通过Rb1和T1的集电结向T2、T3提供基极电流,使T2、T3饱和,输出为低电平,vo=0.2V。此时
VB1=VBC1+VBE2+VBE3=(0.7+0.7+0.7)V=2.1V
显然,这时T1的发射结处于反向偏置,而集电结处于正向偏置。所以T1处于发射结和集电结倒置使用的放大状态。由于T2和T3饱和,输出VC3=0.2V,同时可估算出VC2的值:
VC2=VCES2+VB3=(0.2+0.7)V=0.9V
此时,VB4=VC2=0.9V。作用于T4的发射结和二极管D的串联支路的电压为VC2-VO=(0.9-0.2)V=0.7V,显然,T4和D均截止,实现了反相器的逻辑关系:输入为高电平时,输出为低电平。
(2)当输入为低电平,vI=0.2V时,T1的发射结导通,其基极电压等于输入低电压加上发射结正向压降,即
VB1=(0.2+0.7)V=0.9V
此时VB1作用于T1的集点结和T2、T3的发射结上,所以T2、T3都截止,输出为高电平。
由于T2截止,VCC通过RC2向T4提供基极电流,致使T4和D导通,其电流流入负载。输出电压为
vO≈VCC-VBE4-VD=(5-0.7-0.7)V=3.6V
显然:输入为低电平时,输出为高电平。
当TTL反相器输入电压由高(3.6V)变低(0.2V)的瞬间,VB1=(0.2+0.7)V=0.9V。但由于T2、T3原来是饱和的,它们的基区存储电荷还来不及消散,在此瞬间,T2、T3的发射结仍处于正向偏置,T1的集电极电压为
VC1=VBE2+VBE3=(0.7+0.7)V=1.4V
此时,T1的集电结为反向偏置,因输入为低电平时,T1的发射结为正向偏置,于是T1工作在放大区,这时产生基极电流iB1,其射极电流β1iB1流入低电平的输入端。集电极电流iC2≈β1iB1的方向是从T2的基极流向T1的集电极,它很快地从T2的基区抽走多余的存储电荷,使T2迅速地脱离饱和而进入截止状态。T2的迅速截止导致T4立刻导通,相当于T3的负载是个很小的电阻,使T3的集电极电流加大,多余的存储电荷迅速从集电极消散而达到截止,从而加速了状态转换。
图2采用了由T3、T4组成推拉式输出级。其中T4组成电压跟随器,T3为共射极电路,作为T4的射极负载。这种输出级的优点是,既能提高开关速度,又能提高带负载能力。
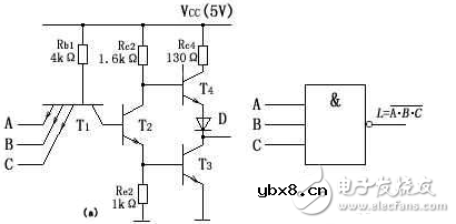
图2所示的基本TTL反相器不难改变成为多输入端的与非门。它的主要特点是在电路的输入端采用了多发射极的BJT。器件中的每一个发射极能各自独立地形成正向偏置的发射结,并可促使BJT进入放大或饱和区。两个或多个发射极可以并联地构成一大面积的组合发射极。
图3(a)说明采用多发射极BJT用作3输入端TTL与非门的输入器件。当任一输入端为低电平时,T1的发射结将正向偏置而导通,T2将截止。结果将导致输出为高电平。只有当全部输入端为高电平时,T1将转入倒置放大状态,T2和T3均饱和,输出为低电平。
图3(b)为3输入端TLL与非门的逻辑符号。

图3 具有多发射级BJT的3输入端与非门电路(a)电路图(b)逻辑符号
相关热词:#TTL
影响介电常数的因素有哪些?
时间:2026-04-22
关于电流互感器基础知识介绍
时间:2026-04-22
开关电源的工作原理及特性
时间:2026-04-22
绝缘栅双极型晶体管(IGBT)外形、等效结构与...
时间:2026-04-22
信噪比(SNR)的定义,如何计算信噪比
时间:2026-04-22
波特率是什么意思_怎样计算波特率
时间:2026-04-21
RS485基本知识介绍
时间:2026-04-18
什么是激光雷达?激光雷达的构成与分类
时间:2026-04-18
Excelpoint - 一文了解SiC MOS的应用
时间:2026-04-18
什么是磁电阻器?磁电阻特性及应用
时间:2026-04-18
基于逻辑门的构成解释如何完成任意逻辑的管...
时间:2026-03-08
彩灯电路
时间:2026-03-05
NE555的有趣电路设计分享
时间:2026-03-08
三相异步电动机原理
时间:2026-03-04
三相异步电动机的拆装详讲
时间:2026-03-04
从0学电路,万用表演示测量三极管方法
时间:2026-03-08
电动机单线远程正反转控制电路图
时间:2026-03-04
光耦在电子电路中作用、关键参数详解
时间:2026-03-08
H桥电机驱动电路解析
时间:2026-03-08
转角测量电路
时间:2026-03-05