电磁炉在正常加热时,若增大或提高加热功率,这时流过康铜丝的电流也相应增大,比较器LM358与反馈电阻R016组成放大电路放大后,由限流电阻R017送至单片机16脚进行检测识别,如下图所示。当电磁炉在小功率加热时,流过康铜丝的电流也相应减小,康铜丝两端的电压差变小使比较器LM358放大电压也相应减弱,单片机16脚可根据输入取样电压来判断整机电流是否正常。
可调电阻VR1是用于调整取样电压的高低,也就是调节加热功率的大小,C010为滤波电容,C015为抗杂波干扰的旁路电容。

电磁炉中采用电流检测电路,用来判别是否有过载的情况,即电流是否超过正常值,如有过载情况,立即实施保护,防止损坏电磁炉内的元器件。该电路主要由电流检测变压器、整流电路和一些其他元器件构成。
查找电磁炉中是否有电流检测电路时,可通过在电路板中查找该电路的主要元器件进行判断,也可通过与电磁炉相对应的图纸进行查找,具体查找方法如下图所示。

从图6-1中可看出,AC220V进入电磁炉后,有一分支电路,判断该分支电路是否为电流检测电路时,沿该分支电路可以查找到电流检测变压器,若无法查找到,则说明该电磁炉无电流检测电路,再沿电流检测变压器继续向下查找,可查找到整流电路(桥式整流电路、全波整流电路、半波整流电路),经电流检测电路后,将电流检测信号送入MCU的CUR(电流检测)端。如果送给微处理器(MCU)的电流检测信号出现异常,则由MCU实施保护。
在电磁炉的供电电路板上,沿其电磁炉AC220V输入端,可查找出电流检测变压器,因此,可判断出该电磁炉具有电流检测电路。
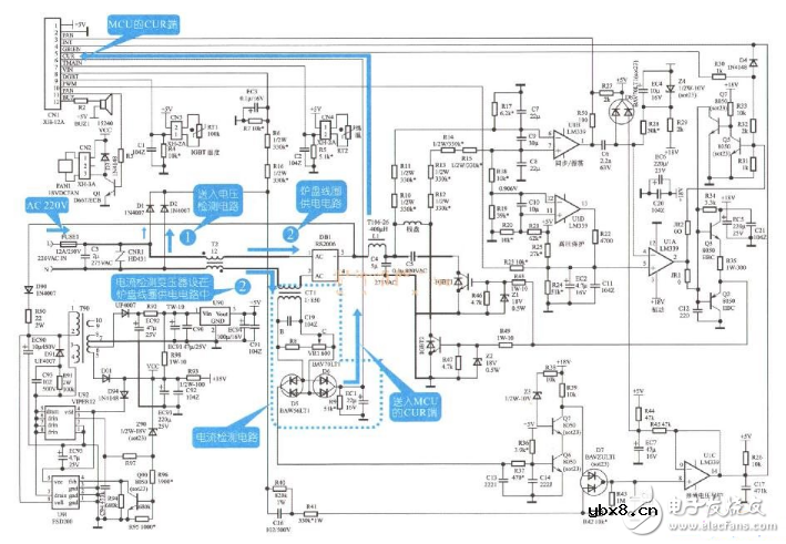
为了更准确地确定电路板中的哪些元器件属于该电磁炉的电流检测电路时,可在电磁炉对应的电路图纸中进行查找,如下图所示,为拓邦PC20G电磁炉的电流检测电路。电流检测变压器设在炉盘线圈的供电电路中,如果电磁炉的输出功率稳定,则电流检测变压器的次级输出电压也稳定一定的值。如电磁炉的功率元器件出现过载(短路故障)交流输入线路中的电流(交流)会突然上升,电流检测变压器的输出电压也会突然上升,并通知MCU进行保护。

相关热词:#电流检测
影响介电常数的因素有哪些?
时间:2026-04-22
关于电流互感器基础知识介绍
时间:2026-04-22
开关电源的工作原理及特性
时间:2026-04-22
绝缘栅双极型晶体管(IGBT)外形、等效结构与...
时间:2026-04-22
信噪比(SNR)的定义,如何计算信噪比
时间:2026-04-22
波特率是什么意思_怎样计算波特率
时间:2026-04-21
RS485基本知识介绍
时间:2026-04-18
什么是激光雷达?激光雷达的构成与分类
时间:2026-04-18
Excelpoint - 一文了解SiC MOS的应用
时间:2026-04-18
什么是磁电阻器?磁电阻特性及应用
时间:2026-04-18
基于逻辑门的构成解释如何完成任意逻辑的管...
时间:2026-03-08
彩灯电路
时间:2026-03-05
NE555的有趣电路设计分享
时间:2026-03-08
三相异步电动机原理
时间:2026-03-04
光耦在电子电路中作用、关键参数详解
时间:2026-03-08
三相异步电动机的拆装详讲
时间:2026-03-04
从0学电路,万用表演示测量三极管方法
时间:2026-03-08
电动机单线远程正反转控制电路图
时间:2026-03-04
H桥电机驱动电路解析
时间:2026-03-08
转角测量电路
时间:2026-03-05