图示的通用定时器可以一次定时5分钟-18小时;循环定时从5分钟-20小时;定时开启和定时关闭的总时间和为18小时。控制功率为500W以下,本电路耗电功率小于1W。时基电路NE555和C3、W、R1、R2构成时基脉冲发生电路。调节W可使脉冲周期从5分钟-2小时之间变化。R2起延长脉冲周期的作用。不用R2脉冲周期最长是1小时。计数器CD4017和D2-D10、K1-K10等组成延时倍增电路。该电路将脉冲周期总共延长10倍。K1-K10控制倍增倍数,与NE555输出脉冲周期呈积数关系。BG和双向可控硅构成交流电源控制电路。BG基极高电平时导通,SCR被触发导通,受控电路工作。BG基极低电平时截止,SCR截止,受控电路停止工作。C1、DW、D11、C2组成简单的直流供给电路为定时电路提供12V直流电源。一次定时时,K12置于“1”处,K1开路。NE555输出10个脉冲后,CD4017的EN为高电平而停止计数。这时按一下AN,CD4017再计数一次,一次定时最长18小时。循环定时时,K12置于“2”处,CD4017循环计数。每循环一次最长时间20小时。定时开启和定时关闭由K1-K10控制。

该电路中,在合上开关SA后,220V交流电压经C5和R4(C5的放电电阻)降压和VD4、VD5整流及VS、R3、C3、C4稳压滤波后给IC555提供一个较为稳定的直流电压。在刚合上SA时,因电溶C1两端的电压为零且不能突变,故此时IC555的2和6脚为低电平,3脚输出高电平,继电器K吸合,插座XB得电,被控电器开始工作;与此同时,因IC555的3脚为高电平,故其7脚也为高电平,二极管VD1导通、VD2截止,电源通过RP1和R1给C1充电,充电速度由RP1调节。当C1上的电压充至电源电压的2/3时,IC555的2和6脚变为高电平,3脚相应变为低电平,继电器K释放,插座XB失电,被控电器停止工作;与此同时,因IC555的3脚变为低电平,故其7脚也变为低电平,二极管VD1截止、VD2导通,电容C1通过R2、RP2放电,放电速度由RP2调整。C1上的电压减至电源电压的1/3时,IC555的2和6脚又变为低电平,整个电路又将重复上述的工作过程。

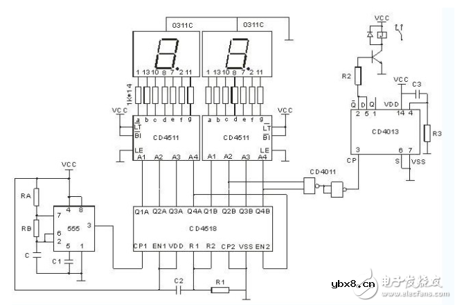
当电路上电时,C2、R1和C3、R3产生一个微分尖脉冲,使计数器CD4518和D型触发器CD4013复位清零。此时D型触发器的Q反为高电平,三极管导通,继电器吸合。4sV838电子-技术资料-电子元件-电路图-技术应用网站-基本知识-原理-维修-作用-参数-电子元器件符号
该定时器由555集成电路和电阻RA、RB、电容器C,产生1分钟的的时基信号,经1/2CD4518分频(10分频)后Q4A的下降沿触发下一个分频器。同时Q1A、Q2A、Q3A、Q4A输出BCD码送入CD4511七段译码器驱动LED数码管。当当计数器接受第100个脉冲时,Q1B、Q2B、Q3B、Q4B(0101)时,与非门CD4011输出一个下降脉冲,经反相器反相后变成一个上升脉冲,触发CD4013,使电路翻转Q反为低电平。继电器断电释放,同时计数器自然复位。计数器开始重新计数,这时继电器保持断开状态,只有当计数器计满100个脉冲时继电器才会吸合。因此这个定时器是通电100分钟,再断电100分钟,循环往复。4sV838电子-技术资料-电子元件-电路图-技术应用网站-基本知识-原理-维修-作用-参数-电子元器件符号
因为这里的时基信号是1分钟,所以LED数码管显示的数值正好和延迟的时间吻合。如果时基信号不是整数,那么LED数码管只能显示定时的进度。

如图所示是由可预置数可逆计数器CD4029、双BCD同步加计数器CD4518、四2输入端或非门CD4001、高精度时基电路BH1908以及CL002等组成的倒计时器定时电路图,该电路定时精度高,使用起来方便,在日常生活中很常见。

倒计时定时电路
该电路包括秒时基电路、预置电路、计时译码显示电路、音响提示电路以及定时输出电路5部分组成。
(1)时基电路。主要由高精度时基集成电路BH1908组成。在本电路中,选用1s、1min、1h 3挡作为定时时基。当振荡起/停控制端En为低电平时,振荡器起振,为高电平时,振荡器停振。R为复位端,接高电平时内部分频器清零。
(2)预置电路。由两片双BCD同步加计数器CD4518和预置按钮SB1、SB2组成。
(3)计时译码显示电路。由两片可预置数可逆计数器CD4029以及两片数码显示管CL002等组成。其中CL002同时具有寄存、译码、显示功能。计时译码显示电路的工作过程为:脉冲信号输入到CD4029的CP端,经过计数,由输出端输出,再经CL002译码后将结果显示出来。
(4)音响提示电路。由KD253和电容C7组成。当定时结束后,会发音提示。
下面对整个工作流程进行简单的介绍。
当接通电源后,CD4518清零。当没有按下启动按钮时,振荡器的En端为高电平状态,此时停振,CD4029的预置端PE也为高电平,可以通过SB1、SB2设定预置定时时间,并通过显示器显示出来。
当按下启动按钮后,振荡器产生的秒时基脉冲分别加至CD4029的CP端,因加/减转换端U/D接低电平,因此开始进行减计数。减计数直至进行到由高位到低位均为零时,进位输出端/C/O变为低电平并经D1、D3组成的RS触发器后翻转为高电平,该高电平加至第一片CD4029的进位输入端/C/I,计数器停止工作,定时结束。
相关热词:#CD4017
波特率是什么意思_怎样计算波特率
时间:2026-04-21
RS485基本知识介绍
时间:2026-04-18
什么是激光雷达?激光雷达的构成与分类
时间:2026-04-18
Excelpoint - 一文了解SiC MOS的应用
时间:2026-04-18
什么是磁电阻器?磁电阻特性及应用
时间:2026-04-18
什么是电场?电场在电容器中的应用
时间:2026-04-18
什么是ARM64?
时间:2026-04-17
vga和hdmi的区别
时间:2026-04-17
什么是ESD?ESD及TVS的原理和应用
时间:2026-04-17
开关电源原理与维修完整版 (10)_标清视频
时间:2026-04-16
基于逻辑门的构成解释如何完成任意逻辑的管...
时间:2026-03-08
彩灯电路
时间:2026-03-05
NE555的有趣电路设计分享
时间:2026-03-08
三相异步电动机原理
时间:2026-03-04
三相异步电动机的拆装详讲
时间:2026-03-04
从0学电路,万用表演示测量三极管方法
时间:2026-03-08
电动机单线远程正反转控制电路图
时间:2026-03-04
光耦在电子电路中作用、关键参数详解
时间:2026-03-08
H桥电机驱动电路解析
时间:2026-03-08
转角测量电路
时间:2026-03-05