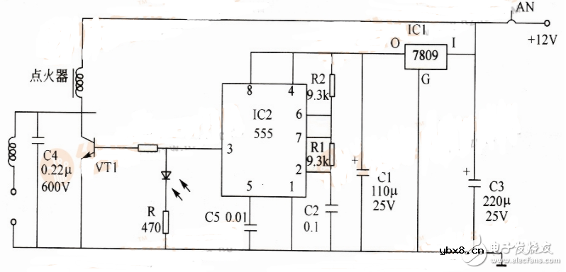
汽车电子点火器电路原理
如图所示是由555定时电路、稳压器、电阻、电容等组成的汽车电子点火器电路。本电路主要是利用汽车上的+12V电源,给汽车进行电子点火。
在图中,+12V电压经IC1(7089)三端稳压器输出9V电压,作为IC2(555)的供电源。555和R1、R2、C2等组成一个无稳态多谐振荡器。一旦得电便起振,其振荡频率为f=1.44/(R2+2R1)C2图示参数的振荡频率为528Hz。
555(IC2)输出的振荡脉冲经R3限流加至VT1的基极,经放大驱动升压变压器T,在点火线圈上产生约1500的点火电压,它在高压放电时的火花距离可达12mm。

如图所示是由555定时电路、稳压器、电阻电容等组成的汽车电子点火器电路。本电路主要是利用汽车上的+12V电源,给汽车进行电子点火。

在图中,+12V电压经IC1(7089)三端稳压器输出9V电压,作为IC2(555)的供电源。555和R1、R2、C2等组成一个无稳态多谐振荡器。一旦得电便起振,其振荡频率为

图示参数的振荡频率为528Hz。
555(IC2)输出的振荡脉冲经R3限流加至VT1的基极,经放大驱动升压变压器T,在点火线圈上产生约1500的点火电压,它在高压放电时的火花距离可达12mm。
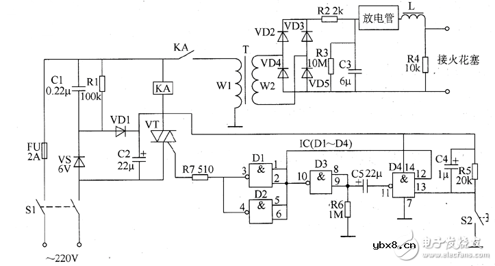
自制煤气自动电子点火器电路图

电路工作原理
该工业用电子点火器电路由电源电路、起动点火控制电路和升压点火电路组成,如图所示。

电源电路由电源开关S1、熔断器FU、降压电容器C1、泄放电阻器R1、整流二极管CVD1、稳压二极管VS和滤波电容器C2组成。
起动点火控制电路由点火控制按钮S2、电阻器R5~R7、晶间管VT、中间继电器KA和电容器L4、C5组成。
升压点火电路由升压变压器T、整流二极管VD2~VD5、电容器C3、电阻器R2~R4、放电管、电感器L和火花塞组成。
接通电源开关S1,交流220V电压经C1降压、VS稳压、提供6y直流工作电压。
按下点火控制按钮S2时,C5开始充电,与非门D3输出低电平,D1和D2输出高电平,使VT受触发导通,KA通电吸合,其常开触头接通升压点火电路的工作电源。交流220V电压经T升压、VD2~VD5整流后,通过R2对C3充电。当C3两端电压达到放电管的击穿电压时,放电管击穿,C3上所储存的电能经放电管和电感线圈L加至火花塞上,通过火花塞产生放电火花,将燃油或燃气点燃。
当C5充满电(约12s)时,与非门D3输出高电平,D1和D2输出低电平,VT在交流电过零时截止,KA释放,将升压点火电路的工作电源切断。
元器件选择
R1、R3、R5~R7均选用1/4W的金属膜电阻器;R2用50W的线绕电阻器;R4选用10W的线绕电阻器。
C1选用耐压值为630V的CBB电容器;C2和C4、C5均选用耐压值为16V的铝电解电容器;C3选用耐压值为3kV的高压油浸纸介电容器。
VD1选用1N4007型硅整流二极管;VD2~VD5选用2CL55C或2DL56型3kV整流桥堆,也可用3只1N4007串联后代替。
VS选用1N4735(1W、6.2V)型稳压二极管。
VT选用1A、400V的双向晶间管。
IC选用CD4011或CC401l、MC14011型四与非门集成电路。
T使用截面积为40mm×20mm的U形铁心和高强度漆包线制作:W1绕组用Φ0.72mm的漆包线绕800匝左右,W2绕组用Φ0.25mm的漆包线绕8000匝。
L使用Φ1.6mm的漆包线在Φ10mm×l20mm的中波磁棒上绕230匝制成。
放电管选用R-12型真空放电管。
KA选用线圈电压为交流220V的中间继电器。
S1选用SA、220V的双极开关;S2选用小型动合按钮。
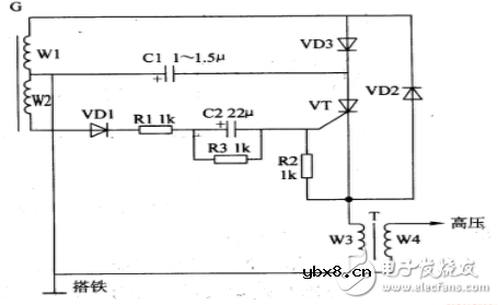
电路工作原理
该摩托车电子点火器电路由电阻器Rl-R3、电容器Cl、C2、二极管VDl-VD3、晶闸管VT和磁电机的充电线圈Wl、控制线圈W2、点火线圈T组成,如图所示。

磁电机绕组Wl输出的交流电经VD3半波整流后对Cl充电。绕组W2上产生的交流电压经VDl整流及Rl-R3、C2处理后产生触发脉冲信号,使VT按一定的周期间歇导通。在VT导通时,Cl通过VT对T的绕组W3放电,在T的绕组W4(高压绕组)上产生高压,通过火花塞放电产生电火花,达到点火的目的。
元器件选择
Rl-R3均选用1/4W金属膜电阻器。
Cl选用耐压值为400V的CBB电容器;C2选用耐压值为5OV的铝电解电容器。
VDl-VD3均选用1N4007型硅整流二极管。
VT选用2P4M(2A、400V)型晶闸管。
T可使用原摩托车上的点火线圈。
相关热词:#电源
波特率是什么意思_怎样计算波特率
时间:2026-04-21
RS485基本知识介绍
时间:2026-04-18
什么是激光雷达?激光雷达的构成与分类
时间:2026-04-18
Excelpoint - 一文了解SiC MOS的应用
时间:2026-04-18
什么是磁电阻器?磁电阻特性及应用
时间:2026-04-18
什么是电场?电场在电容器中的应用
时间:2026-04-18
什么是ARM64?
时间:2026-04-17
vga和hdmi的区别
时间:2026-04-17
什么是ESD?ESD及TVS的原理和应用
时间:2026-04-17
开关电源原理与维修完整版 (10)_标清视频
时间:2026-04-16
基于逻辑门的构成解释如何完成任意逻辑的管...
时间:2026-03-08
彩灯电路
时间:2026-03-05
NE555的有趣电路设计分享
时间:2026-03-08
三相异步电动机原理
时间:2026-03-04
三相异步电动机的拆装详讲
时间:2026-03-04
从0学电路,万用表演示测量三极管方法
时间:2026-03-08
电动机单线远程正反转控制电路图
时间:2026-03-04
光耦在电子电路中作用、关键参数详解
时间:2026-03-08
H桥电机驱动电路解析
时间:2026-03-08
转角测量电路
时间:2026-03-05