轻触式自锁电子开关
本例介绍一款9路轻触式自锁电子开关,它具有操作时无换档噪声、无机械磨损等特点,可取代传统的机械式琴键开关。
电路工作塬理
该轻触式自锁电子开关电路由电源电路、单稳态电路、受控多谐振荡器、计数分配器和控制执行电路组成,如图所示。

电源电路由电源变压器T、整流桥堆UR、滤波电容器C4、C5和叁端稳压集成电路IC3组成。
单稳态电路由四与非门集成电路lCl(Dl-D4)内部的Dl、D2和电阻器R3、电容器C3组成。
受控多谐振荡器电路由lCl内部的D3、D4、电阻器R2、电容器C2和蜂鸣器HA组成。
计数分配器电路由十进制计数/脉冲分配器集成电路IC2、发光二极管VL0、电阻器Rl、R4、R5、电容器Cl、复位按钮S0和控制按钮S1-S9组成。
控制执行电路由发光二极管VLl-VL9、电阻器R6-R14、晶体管Vl-V9、继电器Kl-K9和二极管VDl-VD9组成(限于篇幅,图中S2-S8、VL2-VL8、R7-Rl3、K2-K8、VD2-VD8、V2-V8均末画出)。
交流220V电压经T降压、UR整流、C5滤波、IC3稳压后,为单隐态电路、受控多谐振荡器和控制执行电路提供+l2V工作电压。IC2在通电后复位,其YO端输出高电平,Yl-Y9端均输出低电平,VL0点亮,VLl-VL9均不亮,V-V9均截止,Kl-K9均处于释放状态。在未按动Sl-S9按钮时,IC2的13脚为高电平,IC2处于锁定状态,单稳态电路处于稳态,D2输出高电平,使受控多谐振荡器处于停振状态,不能为IC2提供计数脉冲,HA也不发声。
当按动S1-S9中某按钮时,将会在IC2的13脚产生一个低电平脉冲,使单稳态电路由稳态变为暂态,D2输出高电平脉冲,使受控多谐振荡器振荡(振荡频率约6kHz)工作,为lC2提供计数脉冲,与该按钮相对应一路控制执行电路中的发光二极管点亮、晶体管导通、继电器吸合;同时驱动HA发出鸣叫声,作为换档提示信号。
例如,按动一下S9时,IC2第11脚(Y9端)输出的低电平经S9加至13脚,使DZ输出高电平。受控多谐振荡器为lC2的14脚提供计数脉冲,当计人第9个计数脉冲时,IC2的11脚输出高电平,此高电平一方面使单稳态电路由暂态变为稳态,受控多谐振荡器停振,IC2停止计数,11脚恒定为高电平;另一方面将VLg点亮,Vg导通,Kg吸合,其常闭触头接通。59断开后,IC2的13脚恢复为高电平,使lC2处于锁定状态。
若按动-复位按钮SO,则IC2强制复位,YO端输出高电平,使V叨点亮,Yl-Y9端均输出低电平,VLl-VL9均熄灭,Kl-K9均释放。
元器件选择
Rl-R14选用1/4W碳膜电阻器或金属膜电阻器。
Cl、C3和C4选用独石电容器或涤纶电容器;C2选用高频瓷介电容器;C5选用耐压值为25V的铝电解电容器。
VDl-VD9选用1N4001或1N4007型硅整流二极管。
VL0-VL9均选用φ3mm的发光二极管,VLO选红色,VLl-VL9均选绿色。
UR选用lA、5OV的整流桥堆。
Vl-V9选用C8050、3DG8050型硅NPN晶体管。
ICl选用CD401l或CC4011型四与非门集成电路;IC2选用CD4017或CC4017型十进制计数/脉冲分配器集成电路;lC3选用LM7812型叁端集成稳压器。
Kl-K9选用4098或4088、JZCZZF型l2V直流继电器。
S0-S9均选用微型动合(常开)按钮。
T选用3-5W、二次电压为l5V的电源变压器。
HA选用HTD27型带助声腔的压电蜂鸣片。
自锁互锁电子开关电路图
1、开关特点
开关的核心器件为四运放LM324,经巧妙设计,使每个运放有两重功能,电压比较器和施密特触发器。电压适用范围宽,档位可任意设计,假如加一档空档,可作为总复位,与数字电路配合时,可用同一电源,开关的输进输出电平符合数字电路的接口电平,由于运放的输进阻抗高,开关的输进电流小,可以用轻触开关。导电橡胶。薄膜开关作按键,或光、电、磁等转换信号驱动,可用三极管。可控硅。继电器等。
2、电路原理
每档电路相同,图中只画出三档。电阻根据电压选用,以保证开关可靠工作,尽量选用大阻值。

接通电源,R1、R2分压,为各运放反相端提供高电位,使各运放输出低电位。接通任一键,对应运放的同相端获得高电位,高于反相端1.4V(二极管压降),输出变为高断开关按键。因有R3、R4分压的反馈,同相端电位仍高于反相端,输出端维持高电位。当另一个键接通时,电路重复上述过程,同时,通过两只二极管D1.D2使所有运放的反相端电位高于R3.R4分压形成的同相端电位,所以输出端由高变低。总之,每一次按键,只有该运放输出高位,其余的都是低位,这就是开关的自锁互锁。
简单的停电自锁开关电路
电网供电正常时,它象普通开关一样使用。按一下K1,220V交流电经R1和R2分压给双向可控硅提供一触发电压,使双向可控硅导通。可控硅导通后,在电源电压正半周期间,少量电流经R4、D向C充电,同时经R3、R2分压触发可控硅;在负半周期间,C向R3和R2放电并触发双向可控硅,这样使双向可控硅继续导通,保证负载正常工作。一旦电网突然停电,C上的电荷经R3和R2放电。在电网恢复供电后,由于K1常开,C上又无电压,不能使双向可控硅触发导通,电路呈断开自锁状态,因此没有电流流过负载。只有重按一下K1,负载才能正常工作,从而有效地防止了因断电后恢复供电造成的浪费和事故。常闭按钮K2用于正常供电情况下关断电路。

双自锁轻触开关电路

12V轻触开关自锁电路
普通的转换开关或拔动开关,长期使用,其动作机械与触点易磨损,同时,由于大电流的冲击触点也极易烧蚀。现介绍一种简单电路可以取代这种开关。

电路如上图所示,在未按AN时,SCR1不导通,继电器或接触器K不动作,相当于“断开”状态。按一下AN时,12V电压经R1、AN、VD1为SCR1提供触发电流使其导通,K得电,触点接通负载工作。由于电容两端电压不能突变,因而SCR2在按下AN时不导通,电流经R3、VD2向C充电。若再次按下AN时,此时电容C上的电压做为SCR2的触发电压,使SCR2在AN闭合时导通,SCR1的阳极电压降低,SCR1截止,K释放。电容C通过R2、SCR2的控制极、阴极进行放电,电路恢复到原来状态。从而实现自锁作用。
元件选择:继电器K选用JRC-5M,其电参数为DC12V,绕组阻值850Ω,触点容量为DC27V1A(也可根据实际负载选用);AN选用点动按钮,如电气操作用的LA19-11J等;其它元件如附图所示。
在调试中应反复调整R2、R3、C的数值,使按下AN时,电路不误动作,而K释放后片刻再按AN,则K能立即得电。
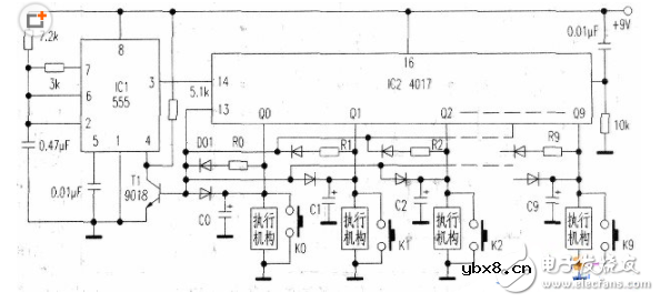
一般轻触自锁开关是由机械按键和弹簧构成互锁而完成自锁功能的。机械按键与弹簧都会因时间长而失去自锁性,往往容易损坏。根据机械式轻触自锁开关的特性,设计了这款电子式轻触自锁开关,有十个键可单一形成互锁。这种电子自锁开关,不仅可以替换产品中的机械式轻触自锁开关,也可在新产品设计中应用。用它更换了老式彩电的调谐按键+也用它设计了单片机电路中的键盘电路。
一、电路原理
电子式轻触自锁开关电路如图所示。当电源接通后,IC24017的Qo端输出高电平(电路接通电源QO端复位到高电平状态)其余Q1—Q9输出为低电平。在未按下K1—K9任一键前,由于Qo输出高电平,T1基极加有高电位而使其T1导通,IC1555时基电路④脚为低电位,IC1不工作。同时由于Q0的输出经过DO1、RO加到IC213脚,使其IC2内部封闭,IC2(14)脚不管有无脉冲,都不会工作。如需要选择K4按键控制电路工作,按下K4时,T1基极将被拉为低电位,T1截止,此时IC1④脚变为高电平,IC1工作。同时IC2(13)脚为低电平时,IC2电同时工作。当IC2(14)脚接收到IC1产生的第4个脉冲后,Q4输出一个高电平,此时的高电平使其T1导通,IC1停止工作,IC2(13)脚电位也变为高电平。因此,K4所控制的电路工作,即电路所在开关自锁。其他路数自锁过程完全一样。

二、注意事项
在该电路中注意两点:
1.当按键按下时,由于同时将所在支路电容上充满的电荷释放,在按键松开后需要一定时间对该电容器充电,所以T1管截止和IC2的(13)脚低电平均可保持一定的时间。在制怍时,可让IC1频率高些,一般取10KHz左右即可。同时也可遗取所在支路电容容量大些,一般选择100μF即可满足。
2.由于该电路为控制电路,所以应将控制电路和该电路隔离,即控制执行机构器件应选用光电耦合器、继电器及其他能隔离的执行器件。这些控制的执行机构器件连接在按键支路中即可。
图中二极管选用1N4001,Rl~R9选8.1kΩ电阻CO~C9依次应根据情况选用容量从大到小,才能实现文中功能。
相关热词:#自锁电路
影响介电常数的因素有哪些?
时间:2026-04-22
关于电流互感器基础知识介绍
时间:2026-04-22
开关电源的工作原理及特性
时间:2026-04-22
绝缘栅双极型晶体管(IGBT)外形、等效结构与...
时间:2026-04-22
信噪比(SNR)的定义,如何计算信噪比
时间:2026-04-22
波特率是什么意思_怎样计算波特率
时间:2026-04-21
RS485基本知识介绍
时间:2026-04-18
什么是激光雷达?激光雷达的构成与分类
时间:2026-04-18
Excelpoint - 一文了解SiC MOS的应用
时间:2026-04-18
什么是磁电阻器?磁电阻特性及应用
时间:2026-04-18
基于逻辑门的构成解释如何完成任意逻辑的管...
时间:2026-03-08
彩灯电路
时间:2026-03-05
NE555的有趣电路设计分享
时间:2026-03-08
三相异步电动机原理
时间:2026-03-04
三相异步电动机的拆装详讲
时间:2026-03-04
从0学电路,万用表演示测量三极管方法
时间:2026-03-08
电动机单线远程正反转控制电路图
时间:2026-03-04
光耦在电子电路中作用、关键参数详解
时间:2026-03-08
H桥电机驱动电路解析
时间:2026-03-08
转角测量电路
时间:2026-03-05