光控开关/光控时控器采用先进的嵌入式微型计算机控制技术,融光控功能和普通时控器两大功能为一体的多功能高级时控器(时控开关),根据节能需要可以将光控探头(功能)与时控功能同时启用,将达到最佳节能效果。是路灯、景观灯、广告灯箱、霓虹灯等设备的最佳节能控制装置;可广泛应用于街道、铁路、车站、航道、学校及供电部门等一切需要时间控制的应用场所。现在国内主要的品牌有灯联网、艾贝斯等,代表型号有ET101.1、ET102.1等。
本系列智能光控开关,可以根据用户设定的时间(光照度门限)值,自由控制用电器的电源开关。广泛用于路灯、霓虹灯、广告灯等需要按时间控制电源开关的用电设备。
用户可以根须需求设定四组开关灯时间,可以实现多时段开关灯。
用户也可以利用光控探头采集当地光照度,实现根据光照度开关灯。
光控开关在室内5~6 米范围内,可用手电光进行遥控,可以很方便地开启或关闭家用电器。

工作原理:
电路如图192 所示。由三极管VT1、光电二极管等组成光接收电路。每接收到光照一次,就使由三极管VT2、VT3组成的双稳态电路发生翻转,通过三极管VT4 去驱动继电器K 工作,以控制家用电器的电源开关。
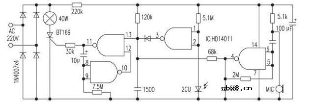
声光控节能灯座节电效果显著,采用该灯座白天灯不亮,夜间有声音灯即亮 该灯座电路简洁,声控部分采用了驻极体话筒,电路见附图所示

220V电源经桥式整流 220kΩ电阻降压 100μF电容滤波后得到5V电压供给数字集成电路HD14011工作 白天有光照时,光电二极管2CU呈低阻状态,IC的{1} {2}脚为低电位,{3}脚为高电位,白天不论有无声音,即不论{4}脚电位如何,{13}脚始终钳位于高电位,{12}脚也为高电位 因此{11}脚为低电位,可控硅截止,灯泡不亮 夜晚无光照时,U呈高阻状态,{3}脚为低电位,这时若有人发出声响,驻极体话筒拾取信号,经{5} {6}脚输入到放大器放大后由臆脚输出 当{4}脚为低时,{13}脚也为低,{11}脚为高,触发可控硅BT169导通,灯泡点亮 同时10μF电容充电,充电之初{8} {9}脚为高电位,使{12}脚为低电位 声音过后,{13}脚恢复高电位,但由于{12}脚为低电位,所以{11}脚继续保持高电位,灯继续点亮 10μF电容继续充电 几十秒钟后,{8} {9}脚为低电位,{11}脚也翻转为低电位,可控硅截止,灯灭。
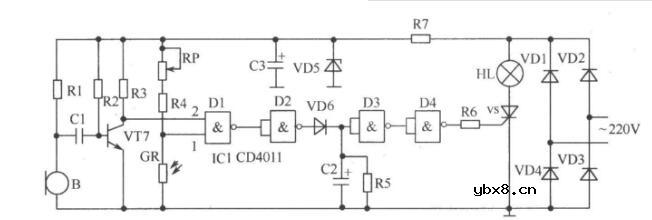
下图:VD1-VD4是IN4007,VD5是2CW56(8V),VD6是4148,VT7是9013,VS是MCR100-8;R1是22k,R2是22m, R3是33k,R4是47k,R5是1.5m,R6是5.1欧,R7是240k(全部是1/8碳膜电阻);C1是瓷介电容104(0.1uf),C2是电解电容22uf/16v,C3是100uf/16v;MIC(B) 是CRZ-113F驻极体电容话筒;GR是光敏电阻MG45;IC是CD4011。


相关热词:#三极管
波特率是什么意思_怎样计算波特率
时间:2026-04-21
RS485基本知识介绍
时间:2026-04-18
什么是激光雷达?激光雷达的构成与分类
时间:2026-04-18
Excelpoint - 一文了解SiC MOS的应用
时间:2026-04-18
什么是磁电阻器?磁电阻特性及应用
时间:2026-04-18
什么是电场?电场在电容器中的应用
时间:2026-04-18
什么是ARM64?
时间:2026-04-17
vga和hdmi的区别
时间:2026-04-17
什么是ESD?ESD及TVS的原理和应用
时间:2026-04-17
开关电源原理与维修完整版 (10)_标清视频
时间:2026-04-16
基于逻辑门的构成解释如何完成任意逻辑的管...
时间:2026-03-08
彩灯电路
时间:2026-03-05
NE555的有趣电路设计分享
时间:2026-03-08
三相异步电动机原理
时间:2026-03-04
三相异步电动机的拆装详讲
时间:2026-03-04
从0学电路,万用表演示测量三极管方法
时间:2026-03-08
电动机单线远程正反转控制电路图
时间:2026-03-04
光耦在电子电路中作用、关键参数详解
时间:2026-03-08
H桥电机驱动电路解析
时间:2026-03-08
转角测量电路
时间:2026-03-05