二极管作为电子元件中具有两个电极的元件,它的电流流向只有单向。二极管钳位电路的钳位之意,就是钳制输入电压峰值在预定电平输出电压,此过程不会改变信号。而二极管稳压电路因使用稳压二极管,俗称稳压管或齐纳管。稳压管稳压二极管利用pn结反向击穿状态,能够在电压保持不变的情况下,允许电流在一定的大范围内变化。
对于钳位电路二极管跟稳压电路二极管很多人看了资料却依旧无法理解。其实,要理解稳压及钳位电路二极管,需要先弄懂二极管伏安特性曲线。

我们发现,当正向电压从零开始上升,在0.4V之前,二极管的正向电流很小。但从0.7V开始,电流迅速增加。
我们发现,我们发现,反向电压一直到达-40V时,反向电流也即反向漏电流近乎为零。
这说明,二极管的正向电压大于0.7V后,其等效电阻很小,这叫做二极管的正向特性;二极管的反向特性是反向电阻很大。
我们来看下图:

我们先来看图1:
图1中,二极管处于正向接法,它的管压降是0.7V。因此,电阻R上的电压为:
UR=6-0.7=5.3V
那么流过电阻R的电流呢?
IR=5.3/5.1=1.04mA
现在我们再来看图2:
我们看到,两只二极管的正极都接到12V,因此两只二极管都属于正向接法。于是,D1二极管的正极应当是6+0.7V=6.7V,D2二极管的正极应当是2+0.7=2.7V。那么电路的输出端电压Usr到底是多少呢?
假设Usc=6.7V,于是二极管D2将处于正向接法。又因为二极管D2的压降是0.7V,因此二极管D2的正极将会被强制性地拉到2.7V。如此一来,二极管D1将处于反偏状态,即D1的负极电压比正极电压高。
注意:D2导通后,D1的正极变成2.7V,同时D1的负极是6V,因此D1被反向偏置而截止。
也就是说,输出电压Usc被强制性地钳位在2.7V。哪个电压低,电路的输出电压就是低电压再加上0.7V。

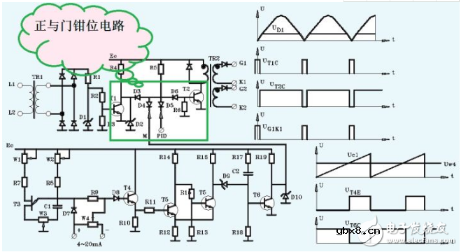
此图是一套用于控制晶闸管触发的电路。按图示我们能看到用正与门构成的钳位电路。三个输入端分别是测控端电压、PID控制和触发脉冲电路。
测控端电压电路正常输出是脉动直流,高电平的占空比较大;PID控制输出也是高的电平,而触发脉冲则输出正负交替的高电平脉冲。可见,在正常情况下,与门的输出由触发脉冲来决定,毕竟零电平也是脉冲的一部分。
可见,钳位电路的应用还是很广泛的。
相关热词:#二极管
影响介电常数的因素有哪些?
时间:2026-04-22
关于电流互感器基础知识介绍
时间:2026-04-22
开关电源的工作原理及特性
时间:2026-04-22
绝缘栅双极型晶体管(IGBT)外形、等效结构与...
时间:2026-04-22
信噪比(SNR)的定义,如何计算信噪比
时间:2026-04-22
波特率是什么意思_怎样计算波特率
时间:2026-04-21
RS485基本知识介绍
时间:2026-04-18
什么是激光雷达?激光雷达的构成与分类
时间:2026-04-18
Excelpoint - 一文了解SiC MOS的应用
时间:2026-04-18
什么是磁电阻器?磁电阻特性及应用
时间:2026-04-18
基于逻辑门的构成解释如何完成任意逻辑的管...
时间:2026-03-08
彩灯电路
时间:2026-03-05
NE555的有趣电路设计分享
时间:2026-03-08
三相异步电动机原理
时间:2026-03-04
三相异步电动机的拆装详讲
时间:2026-03-04
从0学电路,万用表演示测量三极管方法
时间:2026-03-08
电动机单线远程正反转控制电路图
时间:2026-03-04
光耦在电子电路中作用、关键参数详解
时间:2026-03-08
H桥电机驱动电路解析
时间:2026-03-08
转角测量电路
时间:2026-03-05