越来越多的设备需要接入网络以实现远程控制或资源共享。以太网接口布线方便,通信带宽较宽,可达100 Mb/s甚至1000 Mb/s。嵌入式系统由于具有体积小、价格低、专用性能高的优势,被广泛应用于各种电子设备和工业测试设备中。随着嵌入式系统与网络的日益紧密结合,在嵌入式系统中引入TCP/IP协议栈已成为嵌入式系统领域的重要研究方向。
本文在以太网接口实现基本数据传输的基础上将其转换成其他通用串行接口(如SPI、UART、CAN),更利于应用在广泛的工业控制领域中。目前市面上的以太网控制芯片大多功耗高、功能复杂,不适合用在中低端的嵌入式系统中。之前Microchip推出的芯片ENC28J60的网络接口速度只能达到 10 Mbps,其SRAM buffer也不大容易造成接收溢出,而ENC424J600速度可达100 Mbps,功能将更加完善,并提供两种接口给嵌入式开发者选择,是一款很好的网络接口芯片。STM32F103RET6是一款ARM处理器,它的功耗低、价格低廉、功能强大、具备丰富的串行接口,具有512 KB的Flash,在一般的应用中可以不用外扩Flash,是中低端嵌入式开发系统的最佳选择之一。将两者结合不但能实现网络通信,而且可以灵活转换成其他串行接口,用途广泛
网络控制器外围硬件电路
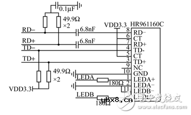
ENC424J600网络控制器外围硬件电路设计需要注意的几点有:ENC424J600的SPISEL引脚需要通过100 kΩ电阻上拉至电源,这样系统上电时就能进入SPI模式,同时引出INT引脚作为接收中断使用;每个电源引脚与地之间都应连接一个电容,为更好地防止干扰在设计时加了两个电容,布线时使0?01 μF电容更靠近电源引脚;RBIAS引脚需接一个12.4 kΩ的电阻到地;另外RD+、RD-差分信号处的接法与一般的网络控制器不同,它不是直接通过电阻接到电源上,需要特别注意。以太网接口则采用 HR961160C,该插座集成以太网隔离变压器、LED灯于一体,同时是贴片式的,节约PCB制板空间。在PCB布线时需要注意的是RD+、RD-和 TD+、TD-两对高频差分线的走线应对称并尽可能短。
ENC424J600外围硬件电路及HANRUN以太网变压器插座外围电路图如图2、图3所示。

图2 ENC424J600外围硬件电路

图3 HANRUN以太网变压器插座外围电路
ENC424J600是单独可用的快速以太网控制器。其与MCU的连接方式可采用具有工业标准的串行总线SPI或灵活的并行接口。SPI接口数据速率可达14 Mb/s、并行接口速率可达140 Mb/s。ENC424J600满足10 baseTX全双工、半双工模式、100 baseTX全双工、半双工模式,4种模式均符合IEEE 802.3协议。芯片内置PHY物理层及MAC媒体访问控制层。引擎具有RSA、DiffieHelman、AES、MD5、和SHA1算法。芯片具有44引脚TQFP和QFN两种封装形式。该芯片另一个突出特点是具有24 KB的SRAM Buffer,基本不需要外接SRAM。芯片SRAM Buffer的分配如图1所示。SRAM Buffer被分为两个区域,一般将General Purpose Buffer设为发送区,RX FIFO Buffer设为接收区,通过指针ERXST区分两个区域,通常将接收区设置较大以防止接收帧溢出。
相关热词:#接口电路
波特率是什么意思_怎样计算波特率
时间:2026-04-21
RS485基本知识介绍
时间:2026-04-18
什么是激光雷达?激光雷达的构成与分类
时间:2026-04-18
Excelpoint - 一文了解SiC MOS的应用
时间:2026-04-18
什么是磁电阻器?磁电阻特性及应用
时间:2026-04-18
什么是电场?电场在电容器中的应用
时间:2026-04-18
什么是ARM64?
时间:2026-04-17
vga和hdmi的区别
时间:2026-04-17
什么是ESD?ESD及TVS的原理和应用
时间:2026-04-17
开关电源原理与维修完整版 (10)_标清视频
时间:2026-04-16
基于逻辑门的构成解释如何完成任意逻辑的管...
时间:2026-03-08
彩灯电路
时间:2026-03-05
NE555的有趣电路设计分享
时间:2026-03-08
三相异步电动机原理
时间:2026-03-04
三相异步电动机的拆装详讲
时间:2026-03-04
从0学电路,万用表演示测量三极管方法
时间:2026-03-08
电动机单线远程正反转控制电路图
时间:2026-03-04
光耦在电子电路中作用、关键参数详解
时间:2026-03-08
H桥电机驱动电路解析
时间:2026-03-08
转角测量电路
时间:2026-03-05