遥控器是一种用来远控机械的装置。现代的遥控器,主要是由集成电路电板和用来产生不同讯息的按钮所组成。电子爱好者制 作遥控电路,可以选用专用集成电路板来制作,但掌握一些常用遥控电路的原理,对提高自身技术很有帮助。 单通道、单用户遥控电路是遥控电路中最简单的一种, 电路通常用于光、声控制。
一、光控电路
图1是采用555时基电路构成光控电路。由于它无需专用的发射器,故属于遥测电路。光电二极管 VD1 作光检测和转换用,视需要采用不同性能的光电二极管,可将红外光或可见光转换为电信号。IC1时采用 NE555组成施密特触发器,对接收到的光信号进行整 形和功率放大以驱动后续电路,驱动电流达200mA,可直接驱动继电器或微型电机。本电路为正逻辑控制,即 ICl 有光照时输出高电平, 无光照时输出低电 平。如需要负逻辑控制,只需将 VDl 和 R1相互易位置即可。C1、R2积分电路是滤除干扰脉冲,防止误动作。电源电压范围5V 一12V,调试时根据需要调 R1,使电路有适当的灵敏度。本电路可用于红外探测、防盗报警或危险禁入报警;如果本电路光检测头探测的是生产过程,输出接入电子计数器,还可用于产生线上产品数量检测、印刷机走纸数量检测。

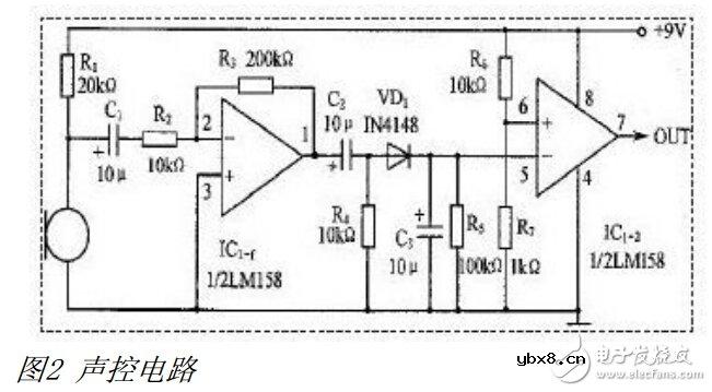
二、声控电路
图2是以双运放 LM158为核心构成的声控电路,实质上也是遥测电路。IC1-1,构成20倍电压放大器,将微型驻极体话筒拾取的声控信号放大到一定幅值, 经 VD1整流、C3、R5滤波后送入 IC1-2构成的电压比较器。电压比较器的基准电压取自R6、R7的 分压点,约0.8V.无声控信号时,IC1⑤脚电压为0V,小于⑥脚的基准电压,输出 OUT=0;有声控信号时,⑤脚电压大于⑥脚基准电 压,OUT=9V.调试时,调节 R3可改变 IC1-1的电压增益,使接收灵敏度适宜:也可调节 R7,改变电压器的比较电平(基准电压),以兼顾灵敏度和抗干扰的要求(R7增加,抗干扰能力加强,但灵敏度低)。电源电压范围5~15V,IC1也可选用其它型号运放。一般来说运放能驱动十几毫安的负载。声控信号可以是击掌声、 口哨声、敲击声等。本电路可用于声控开关。

三、超声波遥控发射/接收电路
如图3所示,超声波发射由555定时器组成多谐振荡器,其中 RP、R1、C1为定时元件,由振荡周期计算公式(设 W1=15.3kΩ)。

调 W1使振荡频率为40kHz,于是555的③脚输出40kHz 方波,通过 T1驱动超声发射头 T40.超声波接收头为 R40,必须与 T40成对使用。 接收电路类型和工作原理与图2相同,不同点在于本图中的 ICl-1构成40kHz 双 T 网络选频放大;C4、C5、VDl、VD2为倍压检波。IC1-2电压比较器与图2中相同。
通常超声波遥控距离2m~10m,可通过调整 ICl_l 的增益电阻 R3和 IC1-2比较电平电阻兼顾灵敏度和抗干扰性能。本电路可用于防盗报警或危险禁入报警。
四、红外遥控发射/接收电路
红外遥控发射、接收电路如图4所示,发射电路与图3基本相同,也是由555构成的多谐振荡器,只不过振荡方波驱动的是红外发射管 D1 振荡频率35kHz~40kHz,由RP调定。 接收电路采用专用集成电路CX20106,接收中心频率f0=30kHz~60kHz,但必须与发射端频率 一致,由 R4调定,当 R4取220kΩ时,f0约为38kHz.红外接收管 PH302接收到的信号由①进入 IC2,经放大解调后由⑦脚输出。调试时,首先调节接收电路 R4,使接收频率与发射频率一致;然后调节 R3,使电路有合适的灵敏度。本电路的遥控距离为8m~10m,可用于防盗报警;如果接收输出端接 入电子计数器,可用于生产线上产品数量检测;如果接收输出端驱动三极管,再由三极管驱动继电器, 继电器带动电磁阀, 电磁阀用来控制水龙头, 就构成了自来水自动控制器。发射头装于自来水龙头附近,发射头可以是人体感应式,亦可是光电式,只要手靠近水龙头,就能打开自来水阀门。当然,还可制成自动洗手烘干器。

相关热词:#遥控电路
波特率是什么意思_怎样计算波特率
时间:2026-04-21
RS485基本知识介绍
时间:2026-04-18
什么是激光雷达?激光雷达的构成与分类
时间:2026-04-18
Excelpoint - 一文了解SiC MOS的应用
时间:2026-04-18
什么是磁电阻器?磁电阻特性及应用
时间:2026-04-18
什么是电场?电场在电容器中的应用
时间:2026-04-18
什么是ARM64?
时间:2026-04-17
vga和hdmi的区别
时间:2026-04-17
什么是ESD?ESD及TVS的原理和应用
时间:2026-04-17
开关电源原理与维修完整版 (10)_标清视频
时间:2026-04-16
基于逻辑门的构成解释如何完成任意逻辑的管...
时间:2026-03-08
彩灯电路
时间:2026-03-05
NE555的有趣电路设计分享
时间:2026-03-08
三相异步电动机原理
时间:2026-03-04
三相异步电动机的拆装详讲
时间:2026-03-04
从0学电路,万用表演示测量三极管方法
时间:2026-03-08
电动机单线远程正反转控制电路图
时间:2026-03-04
光耦在电子电路中作用、关键参数详解
时间:2026-03-08
H桥电机驱动电路解析
时间:2026-03-08
转角测量电路
时间:2026-03-05