短距离无线传输具有抗干扰性能强、可靠性高、安全性好、受地理条件限制少、安装灵活等优点,在许多领域有着广泛的应用前景。低功耗、微型化是用户对当前无线通信产品尤其是便携产品的实际需求,短距离无线通信逐渐引起广泛关注。常见的短距离无线通信有基于802.11的无线局域网WLAN、蓝牙 (blueTooth)、HomeRF及欧洲的HiperLAN(高性能无线局域网),但其硬件设计、接口方式、通信协议及软件堆栈复杂,需专门的开发系统,开发成本高、周期长,最终产品成本也高。因此这些技术在嵌入式系统中并未得到广泛应用。普通RF产品不存在这些问题,且短距离无线数据传输技术成熟,功能简单、携带方便,使其在嵌入式短程无线产品中得到了广泛应用。
单片机的时钟电路和复位电路:单片机时钟电路设计中,选择晶振频率11.059 2 MHz,约定PC机和单片机的通信速率为9 600 b/s,并选择相应电容与单片机的时钟引脚相连构成时钟回路。在复位电路设计中,采用复位引脚和相应的电容、电阻构成复位电路。单片机与PTR2000接口原理电路如图所示。

单片机与PTR2000接口电路:AT89C52单片机主要完成数据的采集和处理,向PTR2000模块发送数据,并接收由PC机通过PTR2000 传送的数据。和单片机相连的PTR2000模块主要将单片机的待传数据调制成射频信号,再发送到PC机端的PTR2000模块,同时接收PC机端的 PTR2000模块传送的射频信号,并调制成单片机可识别的TTL信号送至单片机。单片机的RXD和TXD引脚分别和PTR2000的DO和DI引脚连接,实现串行数据传输;决定PTR2000模块工作模式的TXEN、CS、PWR 3个引脚分别和单片机I/O控制口的P2.0~P2.2相连,PTR2000工作时,由单片机中的运行控制程序实时控制其工作模式。

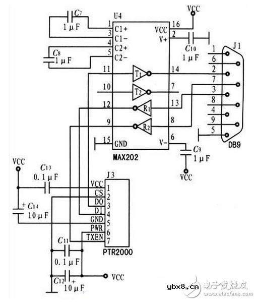
该接口电路设计首先需进行电平转换。PC机的串口支持RS-232标准,而PTR2000模块支持TTL电平,选择MAX232器件进行两者间的电平转换,接口电路如图所示。PTR2000模块进行串行输入、输出,引脚DI、DO通过电平转换器件和PC机串口相连;PTR2000的低功耗控制引脚。 PWR接高电平VCC,即PTR2000固定工作在正常工作状态;频道选择引脚CS接GND低电平,即采用固定通信频道1,固定工作在433.92 MHz;PC机串口的RTS信号控制TXEN引脚,以决定PTR2000模块何时为接收和发射状态。PC机和串口的传输速率设定为9 600 b/s,和单片机保持一致。
相关热词:#单片机
影响介电常数的因素有哪些?
时间:2026-04-22
关于电流互感器基础知识介绍
时间:2026-04-22
开关电源的工作原理及特性
时间:2026-04-22
绝缘栅双极型晶体管(IGBT)外形、等效结构与...
时间:2026-04-22
信噪比(SNR)的定义,如何计算信噪比
时间:2026-04-22
波特率是什么意思_怎样计算波特率
时间:2026-04-21
RS485基本知识介绍
时间:2026-04-18
什么是激光雷达?激光雷达的构成与分类
时间:2026-04-18
Excelpoint - 一文了解SiC MOS的应用
时间:2026-04-18
什么是磁电阻器?磁电阻特性及应用
时间:2026-04-18
基于逻辑门的构成解释如何完成任意逻辑的管...
时间:2026-03-08
彩灯电路
时间:2026-03-05
NE555的有趣电路设计分享
时间:2026-03-08
三相异步电动机原理
时间:2026-03-04
三相异步电动机的拆装详讲
时间:2026-03-04
从0学电路,万用表演示测量三极管方法
时间:2026-03-08
电动机单线远程正反转控制电路图
时间:2026-03-04
光耦在电子电路中作用、关键参数详解
时间:2026-03-08
H桥电机驱动电路解析
时间:2026-03-08
转角测量电路
时间:2026-03-05