无线视频通信作为第三代移动通信关键技术得到了广泛关注。但其是为远距离多用户服务的,开发难度大,需要众多辅助技术支持。然而,近距离无线视频通信可以采用较为成熟的技术实现,它可以应用于视频监控中不易连线的部分以及近距离巡视,它不同于3G技术中的视频传输,具有易于开发、传输距离近等特点。要实现无线视频传输,就要应用大压缩比的视频压缩编码满足无线传输速率的苛刻求,MPEG-4编码是基于图像内容的第二代视频编码方案,并将对象合成的编码方案也结合在标准中,它根据图像的内容将图像分割为不同的视频对象(VO)。在编码过程中,前景和背景对像采用不同的编码策略:前景对像的编码压缩尽可能保留压缩对像的细节和平滑性;对背景视频对像,采用大压缩比的编码策略,而在解码端用其他的背景拼成新的的背景。因此它可以实现大压缩比的视频编码,不仅解决了块效应,同时解决了无线传输时的带宽限制问题,因此MPEG-4被作为无线通信系统中主要的视频编码标准。
电路系统原理:用专用MPEG-4编码器,可以获得良好的性价比,因此采用ML86410芯片是较好的MPEG- 4视频压缩解决方案;同时采用nRF24L01和nRF24LU1芯片实现无线传输,它们不仅具有高达2 Mbit·s-1的无线空中速率,而且后者带有增强型8051内核和USB2.0协议的无线Soc芯片,较好地解决了与PC机的连接问题;控制器采用广泛使用的低功耗FPGA来协调控制视频流的无线传输以及对OV7620和ML86410进行控制和模式配置,FPGA准确地逻辑性保证了传输的可靠性。
nRF24L01及其连接电路

下位机的无线连接采用Nordic Semiconductor公司的nRF24L01。它是一款新型单片射频收发器件,工作于2.4~2.5 GHz ISM频段,采用GFSK调制,硬件集成OSI链路层,最高空中速率达到2Mbit·s-1,采用SPI接口连接控制器。内置频率合成器、功率放大器、晶体振荡器和调制器等功能模块并融合了增强型ShockBurst技术,其输出功率和通信频道可通过程序进行配置,有125个频道。nRF24L01功耗低,在以功率为-6 dBm发射时,工作电流只有9 mA;接收时,工作电流为12.3 mA。采用SPI接口与控制器FPGA进行连接,负责开机时接收各个器件的配置信息,完成配置后进行视频数据流的无线发送。其中,CE是发射和接收切换引脚,CSN为片选,IRQ为中断信号输出引脚,连接电路图如图4所示。
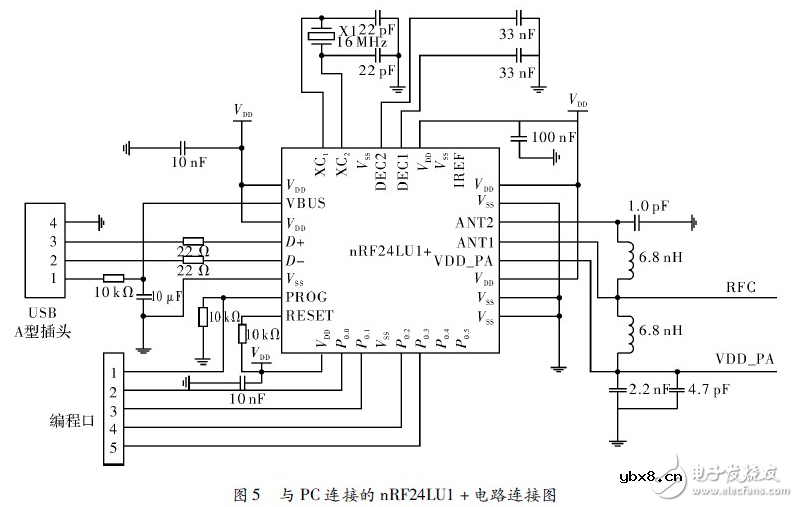
nRF24LU1及其应用电路

nRF24LU1+是 Nordic推出的一款将高性能射频收发器与单片USBdongle功能结合起的无线收发芯片,它可实现无线数据到USB数据形式的转换,这样就实现了与 PC机的连接。nRF24LU1+内含1个增强型8051MCU内核、无线收发模块、符合全速USB2.0标准的器件控制器。nRF2ALU1+显著地增强了抗宽带干扰和互调失真(IMD)性能。nRF24LU1+芯片需要的外部元件只是低成本的16 MHz晶振、去耦电路、匹配网络和天线。USB工作电源电压范围4.0~5.25 V。nRF24LU1+是单片结构,外形尺寸5 mm×5 mm。它的最高速率2 Mbit·s-1,兼容所有nRF24系列芯片;使用Enhanced ShockedBust技术可以实现数据包的自动打包/解包和传输处理;使用MultiCeiver技术可同时支持6个无线装置,频段、输出能量和其他射频参数可通过射频寄存器进行编程调节,电路图如图5所示。
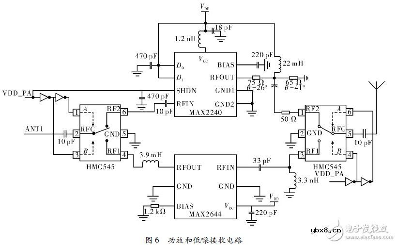
PA和LNA

单独只采用nRF芯片只能近距离的无线通信,为增加无线视频传输的距离,需要加入PA。从增加数据通信距离考虑,还需要增加芯片输入端的接收灵敏度,选用合适的LNA和滤波器成为必然。设计选用Maxim公司的MAX2240和MAX2644,连接电路如图6所示。
MAX224O专为2.4~2.5 GHz频段的应用而设计,符合Bluetooth、HomeRF、802.11标准以及其他FSK调制系统的要求。:MAX2644是一款专为 WLAN,Bluetooth等工作在2.4 GHz频段内的设备设计的高三阶交调点的低噪声放大器。放大电路中,微波开关采用Hittite公司生产的低成本SPDT微波开关,型号HMC545,该开关特别为3G和ISM频段工作的设备设计,其插入损耗仅有0.25 dB,采用SOT封装、体积小,可用CMOS或TTL电平控制。利用nRF芯片的VDD_PA引脚控制无线发送和接收的切换。
采用具有可靠逻辑功能的FPGA协调MPEG-4视频流到无线数据流的转换和发送,可以保证无线视频传输的性能;同时在终端采用带有无线功能和 USB2.0协议的SOC芯片来实现与PC连接,不仅保证了无线传输的可靠性,还使得电路小型化,方便使用。测试表明,无线速率低于2 Mbit·s-1时,可以实现无线视频的可靠传输。
相关热词:#编码器
影响介电常数的因素有哪些?
时间:2026-04-22
关于电流互感器基础知识介绍
时间:2026-04-22
开关电源的工作原理及特性
时间:2026-04-22
绝缘栅双极型晶体管(IGBT)外形、等效结构与...
时间:2026-04-22
信噪比(SNR)的定义,如何计算信噪比
时间:2026-04-22
波特率是什么意思_怎样计算波特率
时间:2026-04-21
RS485基本知识介绍
时间:2026-04-18
什么是激光雷达?激光雷达的构成与分类
时间:2026-04-18
Excelpoint - 一文了解SiC MOS的应用
时间:2026-04-18
什么是磁电阻器?磁电阻特性及应用
时间:2026-04-18
基于逻辑门的构成解释如何完成任意逻辑的管...
时间:2026-03-08
彩灯电路
时间:2026-03-05
NE555的有趣电路设计分享
时间:2026-03-08
三相异步电动机原理
时间:2026-03-04
光耦在电子电路中作用、关键参数详解
时间:2026-03-08
三相异步电动机的拆装详讲
时间:2026-03-04
从0学电路,万用表演示测量三极管方法
时间:2026-03-08
电动机单线远程正反转控制电路图
时间:2026-03-04
H桥电机驱动电路解析
时间:2026-03-08
转角测量电路
时间:2026-03-05