当前位置:首页 > 电路图基础 > 正文

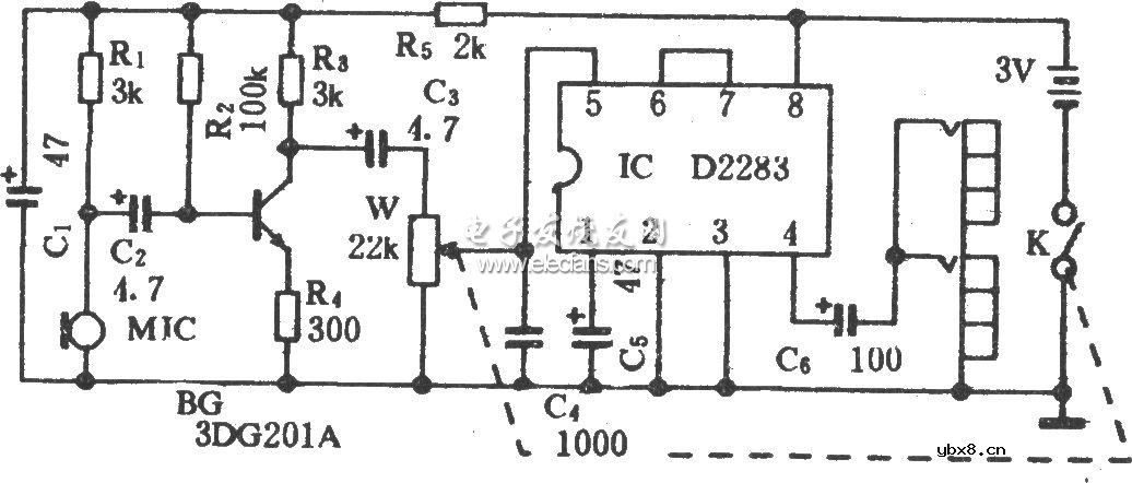
ZT-90型助听器原理图

来源:网络  发布者:电工基础  发布时间:2026-03-07 14:13
ZT-90型助听器原理图:

ZT-90型助听器原理图:

ZT-90型助听器原理图

相关热词:#助听器