本文介绍了当前隧道照明控制系统及照明光源的发展状况,针对当前隧道照明控制系统存在的问题。设计了智能照明控制系统。本系统充分利用电子技术和通信技术,实现对隧道照明灯具的有效控制与管理。本文分析比较了当前各种隧道照明光源的特点,确定选择LED作为隧道照明灯具,并根据车流jI{=和洞外亮度的变化对LED隧道灯进行无级控制,使隧道内各区段照度平滑过渡,以符合人眼的适应曲线,并利用总线通信机制实现隧道数据的传递。
隧道照明中心控制器硬件设计
硬件设计的任务是根据系统的设计要求,在所选定的微处理器芯片和其他元器件的基础上,设计出系统的电路原理图,还包括结构设计、印制板设计等。在设计完成后进行试验,以便对其不合理的部分进行修正,并最终确定硬件设计方案和完成印制电路板。中心控制器电路主要包括以下几个部分:(1) 电路核心部分:ARM微处理器、复位电路、晶振电路和电源电路。(2)JTAG电路:实现程序下载与在线调试。(3) 外围电路:CAN总线通信电路、USB接口、存储电路、LCD液晶显示、键盘电路、串行通讯电路。
核心电路设计
中心控制器的微处理器引脚图如图3.2所示,它主要包括芯片中所使用的各个接口的网络标号及与外围电路的连接方式。

图3.2 STM32F103VBT6引脚图
电源电路设计
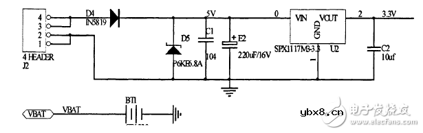
电源电路如图3.3所示。

图3.3中心控制器电源电路
STM32的工作电压为2.0V.3.6V,通过内置的电压调节器提供所需的1.8V电源。当主电源掉电后,通过VBAT脚为实时时钟(RTC)和备份寄存器提供电源。5v电源通过J2端口接入电路,并通过SPXlll7M3.3.3将电源稳压至3.3V。VDDA与VSSA必须分别连到VDD与VSS,这是为了降低噪声和出错几率。SPXI 1l 7M3.3.3输出电流可达800mA,输出电压的精度在正负百分之一之间,具有电流限制和热保护功能。P6KE6.8A为瞬态抑制二极管,它有效地保护电子线路中的精密元器件,免受各种浪涌脉冲的损坏。电源不仅是核心电路的供电电源,而且还要负责给其他外围电路供电,电源和地之间的电容是用来去耦的,它提高了系统的抗干扰性。
复位电路设计
STM32F103VBT6支持三种复位形式,分别为系统复位、上电复位和备份区域复位。除了时钟控制寄存器RCC CSR寄存器中的复位标志位和备份区域中的寄存器以外,系统复位将复位所有寄存器至它们的复位状态。外部复位电路如图3.4所示。

图3-4中心控制器复位电路
SP809EK.3.1/TR为单功能复位监控器件。当系统上电或电源电压跌落至阈值电压,SP809的复位信号RESET就会产生140ms的复位脉冲,保证系统可靠有效的复位。它的输出典型值为上拉低电平,因此要在RESET--与“电源电压之间加一个上拉电阻Rl。此电路为外部复位,CRESET连接至lJSTM32F103VBT6的NRST引脚上.低电平有效。
语音识别被认定是未来物联网领域的基础需求之一,甚至将会无处不在,详情请点击进入》》》
相关热词:
影响介电常数的因素有哪些?
时间:2026-04-22
关于电流互感器基础知识介绍
时间:2026-04-22
开关电源的工作原理及特性
时间:2026-04-22
绝缘栅双极型晶体管(IGBT)外形、等效结构与...
时间:2026-04-22
信噪比(SNR)的定义,如何计算信噪比
时间:2026-04-22
波特率是什么意思_怎样计算波特率
时间:2026-04-21
RS485基本知识介绍
时间:2026-04-18
什么是激光雷达?激光雷达的构成与分类
时间:2026-04-18
Excelpoint - 一文了解SiC MOS的应用
时间:2026-04-18
什么是磁电阻器?磁电阻特性及应用
时间:2026-04-18
基于逻辑门的构成解释如何完成任意逻辑的管...
时间:2026-03-08
彩灯电路
时间:2026-03-05
NE555的有趣电路设计分享
时间:2026-03-08
三相异步电动机原理
时间:2026-03-04
三相异步电动机的拆装详讲
时间:2026-03-04
从0学电路,万用表演示测量三极管方法
时间:2026-03-08
电动机单线远程正反转控制电路图
时间:2026-03-04
光耦在电子电路中作用、关键参数详解
时间:2026-03-08
H桥电机驱动电路解析
时间:2026-03-08
转角测量电路
时间:2026-03-05