会说话的罗盘是由霍尔效应的方向传感器(MOD1)和模拟音频存储设备ISD1016制成的。会说话的罗盘包含了一个数字罗盘(MOD1),一个ISD1016模拟存储设备(U2),一个74S188可编程只读存储器(U3)和一个简易的额外配件。


相关热词:#罗盘
解读ZigBee无线终端温度测试系统电路 —电路...
时间:2026-03-07
无线终端测试电子电路设计图集锦 —电路图天...
时间:2026-03-07
【2014年度电路图精选】当芯片遇见电路...
时间:2026-03-07
智能家电无线报警系统网络节点与电源电路设...
时间:2026-03-07
PC机智能家电控制系统电路设计详解 —电路图...
时间:2026-03-07
智慧家庭照明控制系统电路设计秘笈 —电路图...
时间:2026-03-07
解读ARM7内核微控制器LPC2148以太网接口电路
时间:2026-03-07
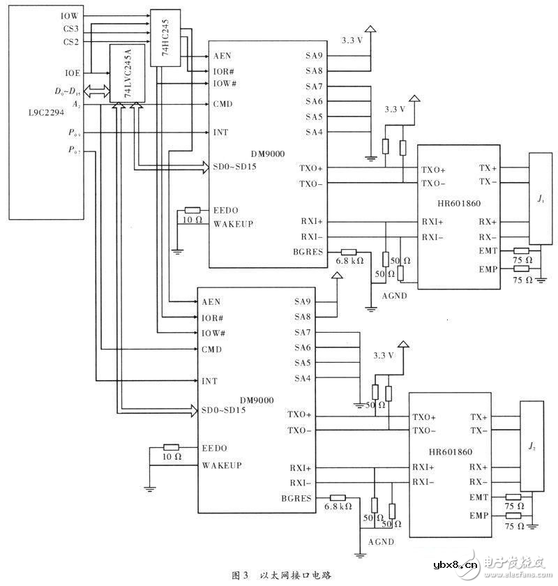
揭秘LPC2294泵舱以太网信号转换电路设计图
时间:2026-03-07
CAN总线与以太网嵌入式网关电路设计攻略 —...
时间:2026-03-07
MCU与以太网控制器通信电路设计方案
时间:2026-03-07
彩灯电路
时间:2026-03-05
三相异步电动机原理
时间:2026-03-04
三相异步电动机的七种调速方式
时间:2026-03-04
转角测量电路
时间:2026-03-05
经典的正弦波发生电路
时间:2026-03-05
电动机单线远程正反转控制电路图
时间:2026-03-04
USB转232电路图
时间:2026-03-04
电度表的工作原理
时间:2026-03-04
电风扇红外遥控器2
时间:2026-03-04
三相异步电动机的拆装详讲
时间:2026-03-04