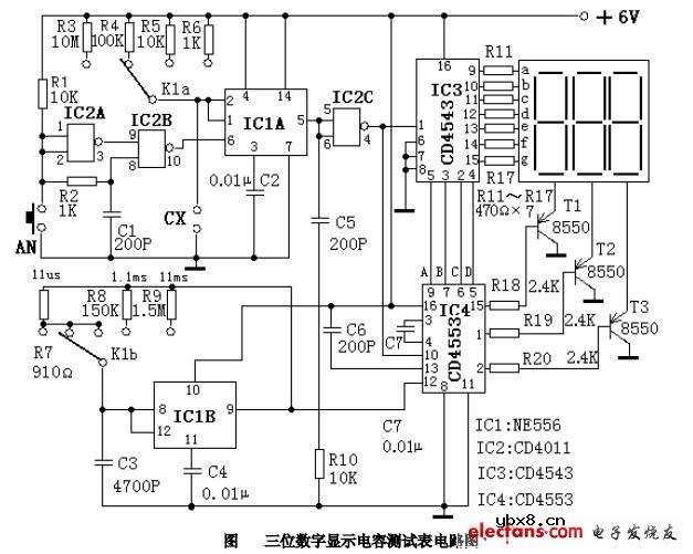
该电容表电路由基准脉冲发生器、待测电容容量时间转换器、闸门控制器、译码器和显示器等部分组成.

图2 中,集成电路IC1B 电阻R7~R9 和电容C3 构成基准脉冲发生器(实质上是一个无
稳多谐振荡器),其输出的脉冲信号周期T 与R7~R9 和C3 有关,在C3 固定的情况下通过
量程开关K1b 对R7、R8、R9 的不同选择,可得到周期为11μs、1.1ms 和11ms 的三个脉冲
信号。
IC1A、IC2、R1~R6、按钮AN 及C1 构成待测电容容量时间转换器(实质上是一个单
稳电路)。按动一次AN,IC2B 的10 脚就产生一个负向窄脉冲触发IC1A,其5 脚输出一次
单高电平信号。R3~R6 和待测电容CX 为单稳定时元件,单稳时间td=1.1(R3~R6)CX。
IC4、IC2C、C5、C6、R10 构成闸门控制器和计数器,IC4 为CD4553,其12 脚是计数脉冲
输入端,10 脚是计数使能端,低电位时CD4553 执行计数,13 脚是计数清零端,上升沿有
效。当按动一下AN 后,IC4 的13 脚得到一个上升脉冲,计数器清零同时IC2C 的4 脚输出
一个单稳低电平信号加到IC4 的10 脚,于是IC4 对从其12 脚输入的基准计数脉冲进行计数。
当单稳时间结束后,IC4 的10 脚变为高电平,IC4 停止计数,最后IC4 通过分时传递方式把
计数结果的个位、十位、百位由它的9 脚、7 脚、6 脚和5 脚循环输出对应的BCD 码。
IC3 构成译码器驱动器,它把IC4 送来的BCD 码译成十进制数字笔段码,经R11~R17
限流后直接驱动七段数码管。集成电路CD4553 的15 脚、1 脚、2 脚为数字选择输出端,经
R18~R20 选择脉冲送到三极管T1~T3 的基极使其轮流导通,这两部分电路配合就完成了三
位十进制数字显示。
C7 的作用是当电源开启时在R10 上产生一个上升脉冲,对计数器自动清零。
相关热词:#数字显示
TVS二极管IV曲线的特征以及钳位电气模型
时间:2026-03-07
新型光电二极管为可穿戴设备生命体征监测应...
时间:2026-03-07
InGaAs单光子雪崩焦平面研究进展
时间:2026-03-07
二极管型非制冷红外焦平面中二极管结构优化...
时间:2026-03-07
艾迈斯欧司朗发布高性价比塑料封装的75W边发...
时间:2026-03-07
如何选择能代换FGH60N60SMD的型号参数的IGB...
时间:2026-03-07
CAN总线浪涌保护设计的重要性与方法
时间:2026-03-07
不间断电源的工频逆变电路IGBT选择
时间:2026-03-07
FHA60T65A型号户外储能电源IGBT介绍
时间:2026-03-07
混合硅基光电探测器的各项性能研究
时间:2026-03-07
彩灯电路
时间:2026-03-05
三相异步电动机原理
时间:2026-03-04
三相异步电动机的七种调速方式
时间:2026-03-04
转角测量电路
时间:2026-03-05
经典的正弦波发生电路
时间:2026-03-05
电动机单线远程正反转控制电路图
时间:2026-03-04
USB转232电路图
时间:2026-03-04
电度表的工作原理
时间:2026-03-04
电风扇红外遥控器2
时间:2026-03-04
三相异步电动机的拆装详讲
时间:2026-03-04