双继电器驱动板电路,Dual Relay Driver Board
Description
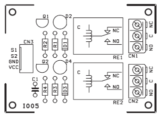
Dual Channel Relay Board is a simple and convenient way to interface 2 relays for switching application in your project.
Input - 12 VDC @ 84 mA
Output - two SPDT relay
Relay specification - 5 A @ 230 VAC
Trigger level - 2 ~ 5 VDC
Berg pins for connecting power and trigger voltage
LED on each channel indicates relay status
Power Battery Terminal (PBT) for easy relay output connection
Four mounting holes of 3.2 mm each
PCB dimensions 49 mm x 68 mm


相关热词:#继电器
影响介电常数的因素有哪些?
时间:2026-04-22
关于电流互感器基础知识介绍
时间:2026-04-22
开关电源的工作原理及特性
时间:2026-04-22
绝缘栅双极型晶体管(IGBT)外形、等效结构与...
时间:2026-04-22
信噪比(SNR)的定义,如何计算信噪比
时间:2026-04-22
波特率是什么意思_怎样计算波特率
时间:2026-04-21
RS485基本知识介绍
时间:2026-04-18
什么是激光雷达?激光雷达的构成与分类
时间:2026-04-18
Excelpoint - 一文了解SiC MOS的应用
时间:2026-04-18
什么是磁电阻器?磁电阻特性及应用
时间:2026-04-18
基于逻辑门的构成解释如何完成任意逻辑的管...
时间:2026-03-08
彩灯电路
时间:2026-03-05
NE555的有趣电路设计分享
时间:2026-03-08
三相异步电动机原理
时间:2026-03-04
光耦在电子电路中作用、关键参数详解
时间:2026-03-08
三相异步电动机的拆装详讲
时间:2026-03-04
从0学电路,万用表演示测量三极管方法
时间:2026-03-08
电动机单线远程正反转控制电路图
时间:2026-03-04
H桥电机驱动电路解析
时间:2026-03-08
转角测量电路
时间:2026-03-05