与普通变压器的工作状况不同,逆变电源变压器容易出现偏磁问题,偏磁是逆变电源变压器的特有现象。这是由于当变压器铁心中的磁感应强度存在直流分量时,磁感应强度的波形正负半波不对称,或向上偏或向下偏,这种现象称为变压器的偏磁现象。偏磁严重时会导致变压器铁心出现磁饱和。变压器磁饱和对整个电源系统的正常运行将产生极其不利的影响,表现在以下几个方面:
(1)变压器饱和时,由于励磁电流很大,将导致逆变器开关器件的电流过大,可能使过流保护动作或开关器件损坏;
(2)变压器饱和时,由于励磁电流中含有大量的谐波成分,谐波电流在变压器漏感上的谐波压降将导致输出电压波形出现严重畸变;
(3)变压器饱和时,由于励磁电流很大,将使变压器的发热及噪声增加。
于是对逆变电源变压器偏磁产生原因进行深入研究,并提出有效的抗偏磁措施显得尤其必要,本文将在下面进行探讨。
设I1、I2分别表示逆变电源变压器原边、副边的电流,H表示铁心中的磁场强度。NI,N2分别表示变压器原边·副边绕组匝数。L为变压器铁心的磁路长度。由安培环路定律得:
H*L==I1*N1+I2*N2(2.19)
设u1dc、i1dc分别表示u1、i1中的直流分量。Hdci2dc分别表示H,i2中的直流分量。R1表示变压器原边绕组的电阻。由(2.19)式知,变压器中直流分量产生的磁场强度为:
Hdc=1/L(N1*u1dc/R1+i2dc*N2)(2.20)
由(2.20)式知,造成逆变电源变压器出现偏磁的原因有两个:
(1)变压器原边电压中存直流分量;(2)变压器副边电流存在直流分量。
在逆变电源系统中,如果给定的正弦波或者三角载波中存在直流分量,或反馈所用的霍尔元
件存在零点漂移,或开关管驱动信号的死区时间不一致等都会导致变压器初级电压中存在直流分量;当逆变电源的负载是单相半整流负载时,变压器次级电流中也将出现直流分量。
在SPWM开关型变换器中,主变压器的偏磁可以说是一种通病。只是在各种应用场合中,表现的程度不同而已。偏磁的后果是十分严重的,轻则会使变压器和功率半导体模块的功耗增加,温升加剧,变压器的机械噪声增大(当开关频率或调制频率在听觉范围内时),严重时还会损坏功率器件,使逆变器不能正常工作。因此,抗偏磁是开关型逆变电源的的关键问题之一。
本文在比较分析了PWM和SPWM变压器铁心的不同磁化过程的基础上,提出了SPWM型逆变电源抑制变压器偏磁的新方法,即以逆变桥各桥臂中点电压作为反馈来抑制直流偏磁。并已成功应用在400Hz单、三相系列变频电源中,验证了该方法的实用性和可靠性。
开关型逆变电源主变压器铁心的电磁过程与普通变压器一样均满足电磁感应定律,为方便分析可认为绕组电阻,漏感,变压器分布电容等都等于零。这样,加到变压器初级绕组的电压u1和绕组感应电势相平衡。因此,

式中:B为铁心的磁感应强度;
S为铁心截面积;
N1为初级绕组匝数;
kT为铁心面积的有效系数;
φ为变压器主磁通。
由式(1)可得磁感应强度

式中:Br为t=0时铁心中的磁感应强度。
为分析方便将式(2)写为增量形式并考虑到在PWM和SPWM型逆变器中,u1为幅值恒定的脉冲量,因而磁感应增量变成

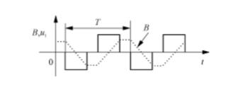
从而磁感应增量ΔB(t)成为时间的线性函数。对于全桥PWM型逆变电路,正常情况下,变压器正、反方向的方波“伏-秒”面积相等,铁心的磁感应强度与方波脉宽成正比,变化如图1(a)所示,且磁化曲线对原点对称。而SPWM型逆变电路中各个脉冲的宽度不一样,而且随载波比的变化而变化,ΔB(t)的大小与SPWM脉冲宽度成正比关系,其电压波形和铁心中的磁感应强度的波形如图1(b)所示。此时,磁化曲线在一基波周期对原点对称。

(a)PWM型变压器铁心磁感应强度

(b)SPWM型变压器铁心磁感应强度
图1变压器原边电压及磁感应强度
当变压器原边含有直流成分时,PWM型变换电路的正、反方向的方波“伏-秒”面积不再相等,磁通将向某一方向逐渐增加,最终导致变压器铁心磁感应强度超过饱和磁感应强度而饱和,磁化曲线将不再对原点对称。在SPWM型变换电路中,当含有直流成分时,将在变压器铁心中产生恒定的磁链。从而使得变压器磁通在基波周期将不再是正、反方向相同的正弦波,其范围将由正常时的±Δφ1m变为-Δφ1m+φd~+Δφ1m+φd,变压器磁感应强度变动范围也由正常时的-B1m~+B1m变为Bd-B1m~Bd+B1m,磁化曲线也将不再对原点对称,导致半导体开关管损坏。
不少科技工作者根据自己的工程实践,提出了一些减小偏磁的办法,并取得了较好的效果其中有些办法仅适用PWM型直流变换器可以采用校正每个开关周期的脉宽来消除偏磁,不存在对输出波形的影响。而SPWM正弦波逆变器的每个开关周期脉宽本来就不相同,采用此方法会导致严重地偏离SPWM模式,产生调制失真,最终使输出波形发生畸变。对于SPWM正弦波逆变器。
RS485基本知识介绍
时间:2026-04-18
什么是激光雷达?激光雷达的构成与分类
时间:2026-04-18
Excelpoint - 一文了解SiC MOS的应用
时间:2026-04-18
什么是磁电阻器?磁电阻特性及应用
时间:2026-04-18
什么是电场?电场在电容器中的应用
时间:2026-04-18
什么是ARM64?
时间:2026-04-17
vga和hdmi的区别
时间:2026-04-17
什么是ESD?ESD及TVS的原理和应用
时间:2026-04-17
开关电源原理与维修完整版 (10)_标清视频
时间:2026-04-16
开关电源原理与维修完整版 (11)_标清视频
时间:2026-04-16
半导体光刻工艺 光刻—半导体电路的绘制
时间:2026-03-09
石英灯电子变压器电路原理
时间:2026-03-06
什么是室温超导?半导体时代将走向结束?芯...
时间:2026-03-09
什么是硅片或者晶圆?一文了解半导体硅晶圆
时间:2026-03-09
北京理工大学实现了光导型向平面光伏型量子...
时间:2026-03-09
HTCC:半导体封装的理想方式
时间:2026-03-06
如何利用可扩展的柔性中间层制备超低模量电...
时间:2026-03-09
光伏控制器简介
时间:2026-03-06
电阻的原理和作用 电阻色环识别图 电路中电...
时间:2026-03-09
NVIDIA CPU+GPU超级芯片大升级!
时间:2026-03-09