压电陶瓷点火器工作原理剖析
时间:2026-03-07
三极管的几种特殊用途
时间:2026-03-07
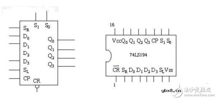
74ls194串行数据到并行数据的转换
时间:2026-03-07
交流电压采样电路设计
时间:2026-03-07
饮水机电路图工作原理及电路图分析
时间:2026-03-07
基于STC89C52的全自动洗碗机的设计
时间:2026-03-07
六脚开关引脚图及功能定义
时间:2026-03-07
基于单片机的wifi模块原理图分析
时间:2026-03-07
为什么会有工频干扰_工频干扰产生原因及解决...
时间:2026-03-07
陷波器介绍_50Hz工频信号陷波器设计
时间:2026-03-07
彩灯电路
时间:2026-03-05
三相异步电动机原理
时间:2026-03-04
三相异步电动机的七种调速方式
时间:2026-03-04
转角测量电路
时间:2026-03-05
经典的正弦波发生电路
时间:2026-03-05
电动机单线远程正反转控制电路图
时间:2026-03-04
三相异步电动机的拆装详讲
时间:2026-03-04
USB转232电路图
时间:2026-03-04
电度表的工作原理
时间:2026-03-04
电风扇红外遥控器2
时间:2026-03-04