耦合器的作用是把输入光信号和泵浦光耦合进掺铒光纤中,通过掺铒光纤作用把泵浦光的能量转移到输入光信号中,实现输入光信号的能量放大
耦合是指两个或两个以上的电路元件或电路网络的输入与输出之间存在紧密配合与相互影响,并通过相互作用从一侧向另一侧传输能量的现象。耦合电路就是指参与耦合过程的电路。
耦合电路示意图从电路来说,总是可以区分为驱动的源和被驱动的负载。如果负载电容比较大,驱动电路要把电容充电、放电,才能完成信号的跳变,在上升沿比较陡峭的时候,电流比较大,这样驱动的电流就会吸收很大的电源电流,由于电路中的电感,电阻(特别是芯片管脚上的电感,会产生反弹),这种电流相对于正常情况来说实际上就是一种噪声,会影响前级的正常工作,这就是耦合。

基本工作特性(以光敏三极管为例)
1、共模抑制比很高在光电耦合器内部,由于发光管和受光器之间的耦合电容很小(2pF以内)所以共模输入电压通过极间耦合电容对输出电流的影响很小,因而共模抑制比很高。
2、输出特性光电耦合器的输出特性是指在一定的发光电流IF下,光敏管所加偏置电压VCE与输出电流IC之间的关系,当IF=0时,发光二极管不发光,此时的光敏晶体管集电极输出电流称为暗电流,一般很小。当IF》0时,在一定的IF作用下,所对应的IC基本上与VCE无关。IC与IF之间的变化成线性关系,用半导体管特性图示仪测出的光电耦合器的输出特性与普通晶体三极管输出特性相似。其测试连线如图2,图中D、C、E三根线分别对应B、C、E极,接在仪器插座上。
3、光电耦合器可作为线性耦合器使用。在发光二极管上提供一个偏置电流,再把信号电压通过电阻耦合到发光二极管上,这样光电晶体管接收到的是在偏置电流上增、减变化的光信号,其输出电流将随输入的信号电压作线性变化。光电耦合器也可工作于开关状态,传输脉冲信号。在传输脉冲信号时,输入信号和输出信号之间存在一定的延迟时间,不同结构的光电耦合器输入、输出延迟时间相差很大。
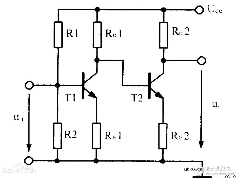
直接耦合电路工作原理分析与理解
在双管直接耦合放大器中介绍了直接耦合电路。直接耦合电路的特点是前级放大器输出端与后级放大器输入端之间没有耦合元器件。
直接耦合电路让交流电流通过的同时,也可以让直流电流通过,这是这种耦合电路的特点,所以直接耦合放大器可以用来放大直流信号,而且低频特性好。
直接耦合电路的缺点是,由于直流电流也能通过,参加耦合的各级放大器直流电路相互牵制,这对电路故障修理不利。
四、变压器耦合电路工作原理分析与理解
变压器耦合电路的具体电路形式有多种。
1.变压器耦合电路之一图 3所示是一种变压器耦合电路。电路中,VT1和 VT2构成两级放大器;T1是一个耦合变压器,L1是它的一次绕组,一次绕组有一个抽头,L2是它的二次绕组,这一耦合变压器T1只有一组二次绕组。

关于这一变压器耦合电路的工作原理主要说明下列几点:
(1)VT1集电极信号电流流过T1一次绕组L1抽头以下绕组,根据变压器原理可知,T1二次绕组两端便有输出信号电压,这一输出信号电压加到VT2基极回路。其信号电流回路是:二次绕组 L2上端→ VT2基极→ VT2发射极→发射极旁路电容 C7→地线→电容 C4→二次绕组 L2下端,通过二次绕组 L2成回路,完成信号的传输。
(2)对于直流电流而言,由于 T1一次绕组和二次绕组之间是绝缘的,这样 VT1直流电路与 VT2所在的直流电路相互隔离,这一特性同阻容耦合电路相同。
(3)变压器耦合电路的低频特性不好,这是因为耦合变压器的一次绕组是 VT1集电极负载,由于绕组的感抗与频率成正比,这样当信号频率低时感抗小,VT1集电极负载电阻小,电压放大倍数较小(集电极负载电阻小时放大器电压放大倍数小),显然变压器耦合电路的低频特性不佳。另外,当信号的频率高到一定程度时,由于耦合变压器 T1存在各种高频的能量损耗,高频信号受到损失,所以这种耦合电路的高频特性也不好。关于这一变压器耦合电路的故障分析主要说明下列几点:
(1)当耦合变压器 T1的一次绕组 L1抽头开路时,VT1集电极没有直流工作电压,此时VT1没有输出信号,VT2也没有信号输出,但是VT2直流工作状态不变(指 VT2集电极、基极和发射极直流工作电压和电流大小不变)。
(2)当耦合变压器 T1二次绕组 L2开路时,不影响 VT1正常工作,但是 VT2没有基极电压,这时 VT2截止,所以 VT2没有交流信号输出。
(3)当电容 C4严重漏电或击穿时,VT2基极直流偏置电压低或没有直流偏置电压,VT2截止,VT2没有交流信号输出;当 C4开路时,对VT2直流电路没有不良影响,但是 T1二次绕组L2下端没有交流接地,只能通过电阻 R4和电容C5交流接地,这相当于在 VT2基极交流回路中串联了电阻R4,输入 VT2基极的交流信号受到大幅衰减,VT2输出信号大幅减小。
回调函数(callback)是什么?回调函数的实现方...
时间:2026-05-08
电压指示测试灯
时间:2026-05-08
PLC自动步程序的7种编程方法
时间:2026-05-08
压力变送器的工作原理
时间:2026-05-08
ipv6和ipv4有什么区别,哪个网速快?
时间:2026-05-08
TFTP简介_TFTP的特点_TFTP的应用
时间:2026-05-08
氩弧焊与电焊的优缺点,哪个更加结实
时间:2026-05-08
使用高压电阻进行设计的 10 个技巧
时间:2026-05-07
数字仪表与模拟仪表:它们有何区别?
时间:2026-05-07
基于半导体的电源模块与分立元件
时间:2026-05-07
电阻的原理和作用 电阻色环识别图 电路中电...
时间:2026-03-09
什么是室温超导?半导体时代将走向结束?芯...
时间:2026-03-09
NVIDIA CPU+GPU超级芯片大升级!
时间:2026-03-09
半导体光刻工艺 光刻—半导体电路的绘制
时间:2026-03-09
什么是硅片或者晶圆?一文了解半导体硅晶圆
时间:2026-03-09
石英灯电子变压器电路原理
时间:2026-03-06
一文详解MOS管驱动电路拓扑的设计
时间:2026-03-09
汽车芯片业应汲取的教训
时间:2026-03-09
半导体行业之ICT技术简介
时间:2026-03-09
集成电路的几纳米代表了什么?
时间:2026-03-09