可控硅,是可控硅整流元件的简称,是一种具有三个PN结的四层结构的大功率半导体器件,亦称为晶闸管。具有体积小、结构相对简单、功能强等特点,是比较常用的半导体器件之一。
可控硅导通条件:一是可控硅阳极与阴极间必须加正向电压,二是控制极也要加正向电压。以上两个条件 单向可控硅的工作原理图[1]必须同时具备,可控硅才会处于导通状态。另外,可控硅一旦导通后,即使降低控制极电压或去掉控制极电压,可控硅仍然导通。可控硅关断条件:降低或去掉加在可控硅阳极至阴极之间的正向电压,使阳极电流小于最小维持电流以下。

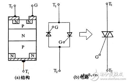
单向可控硅:
可控硅(SCR: Silicon Controlled Rectifier)是可控硅整流器的简称。可控硅有单向、双向、可关断和光控几种类型它具有体积小、重量轻、效率高、寿命长、控制方便等优点,被广泛用于可控整流、调压、逆变以及无触点开关等各种自动控制和大功率的电能转换的场合。
单向可控硅是一种可控整流电子元件,能在外部控制信号作用下由关断变为导通,但一旦导通,外部信号就无法使其关断,只能靠去除负载或降低其两端电压使其关断。单向可控硅是由三个PN结PNPN组成的四层三端半导体器件与具有一个PN结的二极管相比,单向可控硅正向导通受控制极电流控制;与具有两个PN结的三极管相比,差别在于可控硅对控制极电流没有放大作用。

双向可控硅:
可控硅具有两个方向轮流导通、关断的特性。双向可控硅实质上是两个反并联的单向可控硅,是由NPNPN五层半导体形成四个PN结构成、有三个电极的半导体器件。由于主电极的构造是对称的(都从N层引出),所以它的电极不像单向可控硅那样分别叫阳极和阴极,而是把与控制极相近的叫做第一电极A1,另一个叫做第二电极A2。双向可控硅的主要缺点是承受电压上升率的能力较低。这是因为双向可控硅在一个方向导通结束时,硅片在各层中的载流子还没有回到截止状态的位置,必须采取相应的保护措施。双向可控硅元件主要用于交流控制电路,如温度控制、灯光控制、防爆交流开关以及直流电机调速和换向等电路。

二者比较
单向可控硅和双向可控硅,都是三个电极。单向可控硅有阴极(K)、阳极(A)、控制极(G)。双向可控硅等效于两只单项可控硅反向并联而成。即其中一只单向硅阳极与另一只阴极相边连,其引出端称T1极,其中一只单向硅阴极与另一只阳极相连,其引出端称T2极,剩下则为控制极(G)。
单、双向可控硅的判别
先任测两个极,若正、反测指针均不动(R×1挡),可能是A、K或G、A极(对单向可控硅)也可能是T2、T1或T2、G极(对双向可控硅)。若其中有一次测量指示为几十至几百欧,则必为单向可控硅。且红笔所接为K极,黑笔接的为G极,剩下即为A极。若正、反向测批示均为几十至几百欧,则必为双向可控硅。再将旋钮拨至R×1或R×10挡复测,其中必有一次阻值稍大,则稍大的一次红笔接的为G极,黑笔所接为T1极,余下是T2极。
性能的差别
将旋钮拨至R×1挡,对于1~6A单向可控硅,红笔接K极,黑笔同时接通G、A极,在保持黑笔不脱离A极状态下断开G极,指针应指示几十欧至一百欧,此时可控硅已被触发,且触发电压低(或触发电流小)。然后瞬时断开A极再接通,指针应退回∞位置,则表明可控硅良好。
对于1~6A双向可控硅,红笔接T1极,黑笔同时接G、T2极,在保证黑笔不脱离T2极的前提下断开G极,指针应指示为几十至一百多欧(视可控硅电流大小、厂家不同而异)。然后将两笔对调,重复上述步骤测一次,指针指示还要比上一次稍大十几至几十欧,则表明可控硅良好,且触发电压(或电流)小。
若保持接通A极或T2极时断开G极,指针立即退回∞位置,则说明可控硅触发电流太大或损坏。可按图2方法进一步测量,对于单向可控硅,闭合开关K,灯应发亮,断开K灯仍不息灭,否则说明可控硅损坏。
对于双向可控硅,闭合开关K,灯应发亮,断开K,灯应不息灭。然后将电池反接,重复上述步骤,均应是同一结果,才说明是好的。否则说明该器件已损坏。

模块测试
(1)晶闸管(可控硅)外形及原理、符号图


图2、双向可控硅原理与符号
单、双向可控硅虽然在结构和原理上稍有不同,但测试方法是一样的,而且大功率模块,为单向可控硅。对可控硅模块,完全可以在线检修其好坏。
(2)测试方法

图3 可控硅测试连线示意图
可控硅的导通管压降约为1V,触发电压一般在1~4V以内,因而可将恒压源空载电压调至10V以下,如6V,恒定电流根据所测试器件的功率而定,对于功率模块,可送入3A左右的电流。
将红夹子接可控硅的阳极,黑夹子接阴极,用导线短接一下A、G极,此时显示可控硅导通电压降和导通电流值。注意,测量塑封小功率可控硅时,可送入百毫安级电流,测试时间不要太长,以免过热烧毁。测试大功率模块时,可送入较大测试电流。
若出现不能触发,或导通压降太大的现象,说明可控硅性能变差或损坏。
测量双向可控硅的方法,连线方式是一样的。
使用高压电阻进行设计的 10 个技巧
时间:2026-05-07
数字仪表与模拟仪表:它们有何区别?
时间:2026-05-07
基于半导体的电源模块与分立元件
时间:2026-05-07
一文看懂堆和栈的区别和联系
时间:2026-05-07
pcb板和pcba的区别
时间:2026-05-07
什么是数组?数组有什么用?
时间:2026-05-07
电感器设计流程和见解
时间:2026-05-01
什么是触发器?触发器的作用是什么?
时间:2026-05-01
什么是电源?电源是如何进行分类的?
时间:2026-05-01
电驱动NVH的特点和结构
时间:2026-05-01
电阻的原理和作用 电阻色环识别图 电路中电...
时间:2026-03-09
什么是室温超导?半导体时代将走向结束?芯...
时间:2026-03-09
NVIDIA CPU+GPU超级芯片大升级!
时间:2026-03-09
半导体光刻工艺 光刻—半导体电路的绘制
时间:2026-03-09
什么是硅片或者晶圆?一文了解半导体硅晶圆
时间:2026-03-09
石英灯电子变压器电路原理
时间:2026-03-06
一文详解MOS管驱动电路拓扑的设计
时间:2026-03-09
汽车芯片业应汲取的教训
时间:2026-03-09
半导体行业之ICT技术简介
时间:2026-03-09
集成电路的几纳米代表了什么?
时间:2026-03-09