在电路当中的作用是能够对电路中的光电进行转换,并对干扰进行一定的隔离。器件在使用的过程中终究会出现损坏的情况,那么如何检查光耦是否会损坏呢?
如果仅仅是一只光耦,那么检测还是很容易的,最简单的方法:
1、可以在板带电的情况下,测输入驱动波形和输出驱动波形;
2、如果仅有输入没有输出,那光耦肯定有问题;
3、如果输入和输出波形都有,那就说明光耦没问题。
4、这时可以查电源和驱动信号是否正常等等。
常用检测方法
1.更换法;
2.电压测试法,看电压与正常值是否一样;
3.电阻测试法,检查各脚的对地阻值;
4.直观法,用眼观察光耦的外观有无破损;
光耦的输入端可以看做一个发光二极管来计算。限流20mA。输入电压减去二极管压降再除以20mA就是R1的阻值。R2是个纯粹的上拉电阻,只要和输出端的设备匹配并不会使光耦输出三极管电流过大即可,一般1K-100K都可以,具体选多少,要看另一段的设备需要多少电流。
另外需要考虑的问题:
1、更换法是代换新的光耦型号;
2、电压测试一是看光耦的资料上各脚电压是多少,还有就是与正常的IC对比;
3、电阻与电压测试方法实际上是差不多的。
如果是工厂测试光耦的话那就可以做一个测试架专名测试光耦那就省事,就是做一个测试电路来测试光耦这是最好的测试的方法。原装的产品不良率是不会超过300PPM的。
两大类光耦器件的测量与检测方法
1.第一大类型的光电耦合器件即为6N137,输入端的工作压降约至1.5V左右,但是输入、输出最大电流只为mA级别,它只能起到对较高频率信号的一种传输作用,然而电路本身是不具备电流驱动能力,这样我们就只能用于对MHz级信号进行传输。此第一种类型光耦器件构成的电路,它的传输的信号频率相对高。
2.在线测量——1、操作时去需要减小或加大的去输入脚外接电阻,测量输出脚电压有没有出现相应的变化;2、可以用短接或开路2、3输入脚,同时测量输出6、5脚的电压变化; 3、从+5V供电或者其它的供电串限流电阻引入到输入脚,检测输出脚电压有没有出现相应的变化。这样来判断器件是否正常。
3.第二大类型的光电耦合器,输入端的工作压减小到1.2V,输入最大电流则为50mA,典型应用值为须为10mA;输出最大电流再1A上下,因此可以直接驱动小型电耦继电器,输出饱合压降小到0.4V以下。可用于几十kHz较低频率信号和直流信号的传输。对于输入电压/电流有极性要求。当形成正向电流通路的时候,输出侧两引脚呈现通路状态,正向电流需要小于一定值或承受一定反向电压时,输出侧两引脚之间为开路状态。
(1)检测发射管当向导电性能。
用万用表而R×1k档测量发射管的正向电阻,当红,黑表笔测正,反向电阻应有明显的差异,二者差值越大,说明发射管单向导电性越好。若正,反向阻值无差别,说明发射管已经损坏
(2)检测接收管是否正常
因为光耦合的接收方式不尽相同,所以测试时应针对不同结构进行测量和判断。测量接收管时,应按测试三极管的方法进行测量。即用万用表R×1k挡或R×100挡分别测量接收管的集电极与发射极的正,反向电阻,均应有单向导通的特性。另外,也要检查一下集电极C和发射极之间的电阻值,以判断穿透电流的大小。
(3)测量发射极与集电极之间的绝缘电阻。
用万用表的R×10k挡,依次测量输入端的两脚与输出端各引脚的电阻值都是无穷大。发射管与接收管之间不应有漏电阻存在。
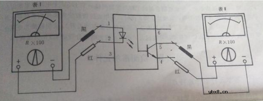
双万用表测量法

测电路如图所示,表1和表2均设置于R×100挡。先不接一表,只将2表的黑表笔接5脚,红表笔接4脚此时接收管处于在截止状态,表2电阻读数无穷大。然后将表1接入,黑表笔接1脚,红表笔接2脚。此时,表2的电阻值应有几百欧的电阻,表明接收管已经导通。从表2指针摆动幅度可判断出被测光耦合器电流传送比的大小。表2的指针偏转的角度越大,说明光耦合器的CTR值越高。如果表2指针根本不摆动,说明光耦合器已经损坏。如是数字万用表可看读数的变化。
RT809F、RT809H编程器:笔记本EC在线读写KB...
时间:2026-03-23
eMMC RPMB分区介绍
时间:2026-03-23
NorFlash、NandFlash、eMMC闪存的比较与区别
时间:2026-03-23
RT809H编程器教程:康佳RTD2995方案厂家升级...
时间:2026-03-23
液晶电视串口刷机或查看打印信息常用接口介...
时间:2026-03-23
VGA线针脚定义与规格,编程器刷机线、3+2、...
时间:2026-03-23
RT809H编程器:创维8R96机芯RTD2992打印信息...
时间:2026-03-23
RT300M(V2.0)新款超高亮度LED智能测试仪使用...
时间:2026-03-23
eMMC芯片在线读写寻找关键点的方法与步骤
时间:2026-03-23
RT809H教程:变频空调控制板MCU读写方法操作...
时间:2026-03-23
住宅小区负荷与变压器容量的选择技巧
时间:2026-03-06
玻璃釉电容器的结构与特点
时间:2026-03-05
光伏控制器简介
时间:2026-03-06
石英灯电子变压器电路原理
时间:2026-03-06
三极管的主要参数
时间:2026-03-07
HTCC:半导体封装的理想方式
时间:2026-03-06
变压器并列运行的条件浅析
时间:2026-03-06
电阻的标称阻值和允许偏差
时间:2026-03-05
半导体三极管的技术参数
时间:2026-03-07
贴片电阻怎么看阻值
时间:2026-03-05