用定时器判断光电耦合器的质量性能
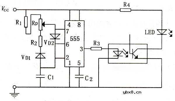
..所采用的电路如图1所示,VD1和VD2的作用是将电容C1(其容值为10uF)的充放电回路分开,以使定时器
输出占空比可调的脉冲波形;C2为滤波电容,容值为0.01uF,它的作用是组成定时元件;R1、R2的阻值分别
为10kΩ和51kΩ;Rp的阻值为0—10kΩ;R3、R4的阻值分别可取为2kΩ和1kΩ,它们的作用均是为了限流;
Vcc可使用干电池或直流稳压电源。
检测步骤如下:
加电(Vcc=5V 或6V)后若发光二极管LED按2Hz左右的频率闪动,则说明该被测管质量性能良好,其原因是:
加电后,定时器会从3引脚输出脉冲电压(此电压与Vcc的值有关,此脉冲电压通过电阻器R3加到光电耦合
器发光管上,其振荡频率:f=2Hz 因此,也就出现了上述现象。此电路能调节LED的发光时间间隔。
注意:
1、此电路可去掉VD1、VD2以及滑动变阻器Rp,这样5定时器就会输出占空比不变的脉冲波形;
2、定时器的输出脉冲频率不能太高,否则会发现发光二极管LED的状态是一直亮着,从而影响察看效果。

相关热词:#电路图
RT809F、RT809H编程器:笔记本EC在线读写KB...
时间:2026-03-23
eMMC RPMB分区介绍
时间:2026-03-23
NorFlash、NandFlash、eMMC闪存的比较与区别
时间:2026-03-23
RT809H编程器教程:康佳RTD2995方案厂家升级...
时间:2026-03-23
液晶电视串口刷机或查看打印信息常用接口介...
时间:2026-03-23
VGA线针脚定义与规格,编程器刷机线、3+2、...
时间:2026-03-23
RT809H编程器:创维8R96机芯RTD2992打印信息...
时间:2026-03-23
RT300M(V2.0)新款超高亮度LED智能测试仪使用...
时间:2026-03-23
eMMC芯片在线读写寻找关键点的方法与步骤
时间:2026-03-23
RT809H教程:变频空调控制板MCU读写方法操作...
时间:2026-03-23
住宅小区负荷与变压器容量的选择技巧
时间:2026-03-06
光伏控制器简介
时间:2026-03-06
石英灯电子变压器电路原理
时间:2026-03-06
玻璃釉电容器的结构与特点
时间:2026-03-05
三极管的主要参数
时间:2026-03-07
HTCC:半导体封装的理想方式
时间:2026-03-06
变压器并列运行的条件浅析
时间:2026-03-06
电阻的标称阻值和允许偏差
时间:2026-03-05
半导体三极管的技术参数
时间:2026-03-07
贴片电阻怎么看阻值
时间:2026-03-05