由于系统尺寸进一步缩小并且封装更加密集,工业设备领域对于高温运行功能元件的需求已增长。TLP2768 IC 耦合器支持3.3 V和5V的电源,其工作温度範围很广(-40°C 至 125°C)并採用 SDIP6 封装。由于TLP2768是集电极开路输出类型的高速IC逻辑耦合器,能够以20Mbps的速度实现高速资料传输,适用于工厂自动化(FA)装置的或数码家电的高速通信介面,例如等离子显示板 (PDP)。而且,儘管安装面积约为DIP8封装的一半,但是TLP2768符合国际安全标準的强化绝缘等级。

特徵
反向逻辑输出(集电极开路输出)
支持3.3V 和 5V电源
高速资料传输: 20Mbps (典型值)
包含高共模瞬变抗扰度的高输入-输出杂讯电阻: |CMH|, |CML| ≥ 20 kV/μs
最高温度: 125°C
耐受电压: BVs = 5000Vrms
应用
工厂自动化(FA)控制系统
等离子显示板(PDP)
测量设备
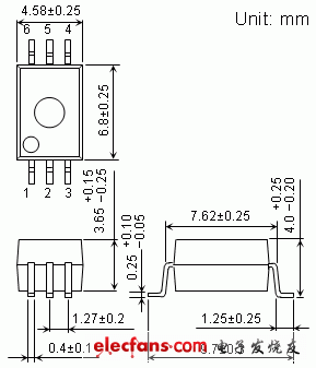
轮廓图

电路实例
TLP2768

相关热词:#光电耦合器TLP2768 #电子电路图
RT809F、RT809H编程器:笔记本EC在线读写KB...
时间:2026-03-23
eMMC RPMB分区介绍
时间:2026-03-23
NorFlash、NandFlash、eMMC闪存的比较与区别
时间:2026-03-23
RT809H编程器教程:康佳RTD2995方案厂家升级...
时间:2026-03-23
液晶电视串口刷机或查看打印信息常用接口介...
时间:2026-03-23
VGA线针脚定义与规格,编程器刷机线、3+2、...
时间:2026-03-23
RT809H编程器:创维8R96机芯RTD2992打印信息...
时间:2026-03-23
RT300M(V2.0)新款超高亮度LED智能测试仪使用...
时间:2026-03-23
eMMC芯片在线读写寻找关键点的方法与步骤
时间:2026-03-23
RT809H教程:变频空调控制板MCU读写方法操作...
时间:2026-03-23
住宅小区负荷与变压器容量的选择技巧
时间:2026-03-06
光伏控制器简介
时间:2026-03-06
石英灯电子变压器电路原理
时间:2026-03-06
玻璃釉电容器的结构与特点
时间:2026-03-05
三极管的主要参数
时间:2026-03-07
HTCC:半导体封装的理想方式
时间:2026-03-06
变压器并列运行的条件浅析
时间:2026-03-06
电阻的标称阻值和允许偏差
时间:2026-03-05
半导体三极管的技术参数
时间:2026-03-07
贴片电阻怎么看阻值
时间:2026-03-05