太阳能和风能为电网带来了可再生能源,但供需不平衡的问题成为影响此类能源利用率的主要限制因素。虽然太阳能在中午很充足,但此时的用电需求不够高,所以消费者的用电成本仍然居高不下。
电网储能、家用储能、和工商业储能系统 (ESS) 可以在白天收集太阳能和风能等可再生能源的能量,并在需求高峰期或电网电价较高时释放储存的能量。通过储存能量供高峰时段使用,储能系统可以稳定电网并降低能源成本。
与电池储能系统(简称 BESS,这是较常见的一种储能系统)相关的设计挑战包括:1) 安全使用;2) 精确监测电池电压、温度和电流;以及 3) 电池之间和电池包之间强大的均衡能力。下面详细介绍这些挑战。
挑战 1:安全
第一大挑战是在电池储能系统的整个生命周期内保持电池安全,这一周期通常超过 10 年。电池储能系统应用通常使用锂离子 (Li-ion) 电池,特别是磷酸铁锂 (LiFePO4) 电池。
当电压、温度和电流超过最大限值时,锂离子电池容易冒烟、起火或爆炸,因此电池的电压、温度和电流数据监测及保护至关重要。因此,应该对电池和电池管理系统出现故障的可能性进行考虑和分析。
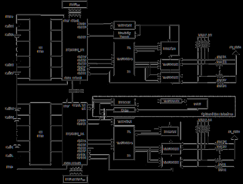
图 1 展示了一个电池储能系统的架构。德州仪器适用于储能系统的可堆叠电池管理单元参考设计描述了一个通过使用 BQ79616 集成的冗余电池信息检测来监测系统问题的可堆叠电池管理单元 (BMU),而适用于储能系统的电池控制单元参考设计展示了一个通过可靠的开关驱动设计确保系统安全的电池控制单元 (BCU)。

图 1:BESS 架构
挑战 2:精确的电池监测
精确的电池数据可确保安全并提高电池能量利用率。考虑到磷酸铁锂 (LiFePO4) 充放电曲线有很宽的平台区,即使微小的电池电压测量误差也会导致巨大的剩余电量误差,因此精确的电池电压和电池包电流测量对于准确估算电量非常重要。而精确的电量信息是避免电池错误均衡的关键,过度均衡充电和过度均衡放电都会破坏电池的最大可用容量。
另一个重要的测量指标是温度。大多数电池起火和爆炸事故都是由电池热失控引起的。
图 2 展示了德州仪器的可堆叠电池管理单元参考设计。该设计采用 BQ79616 电池监测器,可在 –20°C 至 65°C 范围内实现 ±3mV 的电池电压误差。对于家庭储能系统,也可以选用电池监测器 BQ76972,该器件可在 –40°C 至 85°C 范围内实现 ±5mV 的电池电压误差。多路复用器开关可以扩展温度测量通道,以实现对每个电池和电源总线连接器的温度监测。该参考设计还预留了额外的温度采样通道以用于多路复用器开关的诊断检查。

图 2:可堆叠电池管理单元参考设计
储能系统电量监测也需要准确可靠的电流测量解决方案。BQ79731-Q1 电压和电流传感器集成了双通道 24 位电流检测模数转换器,并具有冗余采样通道,有助于确保系统安全性和电流数据准确性。
挑战 3:电池和电池包的均衡能力
由于负载不一致性,电池包可能会以不同的速率消耗电流。这些变化会导致电池包之间剩余电量的不均衡,并降低整个储能系统的最大可用电量。新电池的不一致性以及不同的散热条件也会导致不同电池之间的不均衡,即使在同一个电池包内也是如此。被动电池均衡会在电阻上消耗电池能量,由于其功耗过高并会导致电池包发热,因此不建议用于电池包级别的均衡。
电池包的不均衡会在产品的使用寿命内逐渐恶化,而储能系统的使用寿命可能超过 10 年。在 10 年的周期内,有些电池包可能会比其他电池包老化得更快,导致用户不得不提前更换老化的电池包。如果没有强大的电池包级别均衡电路,则必须由人工对新电池包进行充电或放电,使新电池包的能量几乎等于储能系统中其余电池包的能量。但是,这种做法不仅有风险,而且难度大,成本高,耗费人力。
电池不均衡也受到电池容量的影响。为了优化整个储能系统的单位能量成本,电池制造商正在开发更大容量的电池,容量从 280Ah 扩大到 314Ah,甚至到 560Ah。为了使电池包内的所有电池维持相同的能量,电池包中的电池容量越大,需要的有效均衡电流越大。
电池包有多种均衡方法。图 3 展示了在高压总线上通过双向隔离式直流/直流转换器对电池包进行充电和放电的一种方法。通过控制充电和放电电流,隔离式直流/直流转换器可以均衡电池包剩余容量或电压。由于正常充电电流和放电电流都会流过双向直流/直流转换器,因此整体效率低,而且要求双向直流/直流转换器的额定功率较大。

图 3:位于电池包与高压总线之间的双向隔离式直流/直流转换器
图 4 说明了在不同电池包之间均衡能量的另一种选择:使用低压总线而不是高压总线来中继能量以保证系统高效率。隔离式直流/直流转换器位于电池包和低压总线之间,仅在电池包需要均衡时才会工作。由于均衡能量只在不同的电池包之间流动,隔离式直流/直流转换器的额定功率较小,为了保持低压母线电压稳定,必须确保输送到低压总线上的能量和从低压总线上抽取的能量维持动态均衡。

图 4:位于电池包与低压总线之间的双向隔离式直流/直流转换器
结语
安全可靠的电池管理系统可以消除锂离子和磷酸铁锂 (LiFePO4) 电池的安全问题,并通过精心设计的保护功能帮助延长储能系统 寿命,甚至在发生单一失效时也能从容应对。精确的数据检测以及强大的电池包和电池级别的均衡能力可以在充电和放电时实现电池容量相等,并更大限度提高太阳能和其他可再生能源的能源利用率,最终使终端用户能够获得安全、稳定和低成本的可再生能源。
审核编辑:刘清
电芯、电池模组和电池包三者有什么区别?如...
时间:2026-03-22
电池怎么做绝缘处理?电池模组绝缘片起到什...
时间:2026-03-22
电池模组绝缘片的制造工艺有哪些,它们对电...
时间:2026-03-22
亿纬锂能麟驹系列电动两轮车电池首批发货仪...
时间:2026-03-22
在电池模组中,除了绝缘片,还有哪些措施可...
时间:2026-03-22
深度解读广汽全固态电池技术
时间:2026-03-22
广汽科技全固态电池与无图纯视觉智驾引领智...
时间:2026-03-22
天合光能新一代柔性储能电池舱Elementa 2真...
时间:2026-03-22
锂电池和超级电容器哪个更耐用
时间:2026-03-22
“固态电池”和“半固态电池”是水火不容吗...
时间:2026-03-22
住宅小区负荷与变压器容量的选择技巧
时间:2026-03-06
光伏控制器简介
时间:2026-03-06
石英灯电子变压器电路原理
时间:2026-03-06
变压器并列运行的条件浅析
时间:2026-03-06
玻璃釉电容器的结构与特点
时间:2026-03-05
电阻的标称阻值和允许偏差
时间:2026-03-05
三极管的主要参数
时间:2026-03-07
HTCC:半导体封装的理想方式
时间:2026-03-06
半导体三极管的技术参数
时间:2026-03-07
碳膜电阻如何识别_金属膜电阻器和碳膜电阻器...
时间:2026-03-05