新能源电动汽车的动力电池系统中,电池均衡技术是至关重要的,它确保每个电池单体都能够维持相近的电压水平,从而提高整个电池组的性能和寿命。以下是一些常用的电池均衡技术:
一、被动均衡:
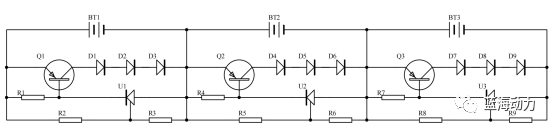
1、电阻均衡: 这是一种简单而常见的被动均衡方法。通过在电池单体之间连接电阻,将电流通过电阻放电,从而降低电压高的电池的电压。这是一种成本较低的方法,但能量损失相对较高。

2、电流放电均衡: 与电阻均衡类似,通过在电池单体之间放电电流来实现均衡。这也是一种相对简单的方法,但同样存在一定的能量损失。

二、主动均衡:
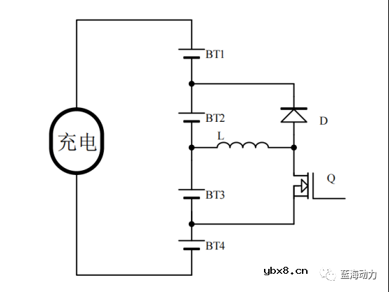
1、开关电路均衡: 使用开关电路控制电流的流向,以实现电池之间的能量转移,从而实现均衡。这种方法相对较为高效,能够最大程度地减少能量损失。

2、能量转移电路均衡: 这种方法使用电子器件将电池之间的电压差异能量转移到储能元件中,然后在需要时释放能量以实现均衡。这样的方法通常更为复杂,但效率较高。

三、 智能均衡系统:
基于电池管理系统(BMS)的均衡: BMS通常包括均衡功能,通过监测电池单体的电压和温度,采用智能算法来调整均衡策略。这种方式可以根据电池组的实际工况动态调整均衡策略,提高均衡效果。

在实际应用中,通常会结合多种均衡技术,以充分发挥各自的优势。选择合适的电池均衡技术需要考虑电池类型、成本、效率和系统性能等多个因素。随着电动汽车技术的发展,电池均衡技术也在不断演进,以满足更高的性能和安全要求。
最后一张图总结今日内容:

电芯、电池模组和电池包三者有什么区别?如...
时间:2026-03-22
电池怎么做绝缘处理?电池模组绝缘片起到什...
时间:2026-03-22
电池模组绝缘片的制造工艺有哪些,它们对电...
时间:2026-03-22
亿纬锂能麟驹系列电动两轮车电池首批发货仪...
时间:2026-03-22
在电池模组中,除了绝缘片,还有哪些措施可...
时间:2026-03-22
深度解读广汽全固态电池技术
时间:2026-03-22
广汽科技全固态电池与无图纯视觉智驾引领智...
时间:2026-03-22
天合光能新一代柔性储能电池舱Elementa 2真...
时间:2026-03-22
锂电池和超级电容器哪个更耐用
时间:2026-03-22
“固态电池”和“半固态电池”是水火不容吗...
时间:2026-03-22
住宅小区负荷与变压器容量的选择技巧
时间:2026-03-06
光伏控制器简介
时间:2026-03-06
石英灯电子变压器电路原理
时间:2026-03-06
变压器并列运行的条件浅析
时间:2026-03-06
玻璃釉电容器的结构与特点
时间:2026-03-05
电阻的标称阻值和允许偏差
时间:2026-03-05
三极管的主要参数
时间:2026-03-07
HTCC:半导体封装的理想方式
时间:2026-03-06
半导体三极管的技术参数
时间:2026-03-07
碳膜电阻如何识别_金属膜电阻器和碳膜电阻器...
时间:2026-03-05