一般在分布式发电系统中,由于各种能量电源很容易受外界条件(如光照、温度、风速等)因素的影响,造成功率波动。储能系统是一个可完能量存储和释放的系统,具有平滑过渡、削峰填谷、调频调压等功能。可以使太阳能、风能发电平滑输出,减少其随机性、间歇性、波动性给电网和用户带来的冲击,确保不间断供电。
本文主要针对光储系统,验证当系统中光伏功率波动时,储能对整体系统功率波动的抑制效果。
独立储能并网系统建模
独立储能系统主要包括储能变流器及控制、储能电池的管理,以及监控与调度管理单元等部分。 常用的变流器控制策略有PQ控制、VF控制、下垂控制、虚拟同步机控制等方式。**
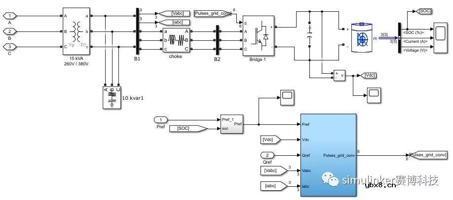
根据情况,搭建储能系统模型,模型中储能及储能换流器系统通过升压变压器接到10KV电网,系统额定功率15KW,整体模型如下**

储能系统整体模型

储能并网主电路
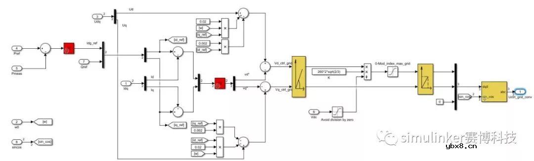
控制部分采用基于PQ控制的双闭环控制,无功给定为0,通过改变有功功率参考值的正负可实现储能的充电或放电。

双闭环PQ控制
模型中功率给定在1s时由1pu变为-1pu,可以观测到储能出口功率及电池SOC变化,1s前蓄电池以额定功率放电,SOC减小,1s后,电池以额定功率充电,SOC逐渐上升。

并网处电压、电流、有功无功

蓄电池SOC、充放电电流、电池电压
光储互补系统建模
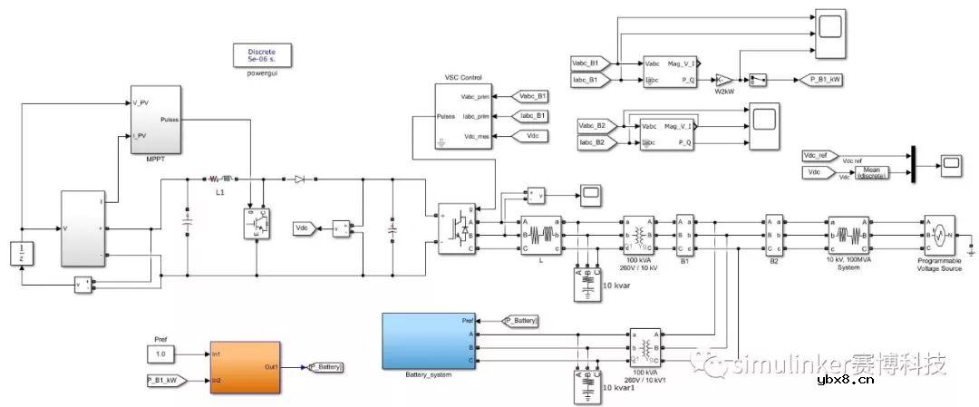
采用之前介绍过的三相光伏并网模型,光伏系统额定功率(光照1000,温度25)100KW,在交流侧并联储能系统。设定整体光储系统额定输出功率100KW,当外部条件发生变化时,通过对储能的控制,使整体系统交流电网侧输出功率始终保持在1000KW。 整体仿真模型如图所示

光储系统模型
简单协调控制部分如图,整体额定功率减光伏输出功率作为储部分的参考功率

功率分配控制
当温度25,光照1000时,光伏输出功率为整体额定功率,此时储部分既不发出也不吸收功率,仿真结果如下

光伏输出功率

光储系统PCC处功率

储能输出功率、电压、电流

蓄电池SOC、充放电电流、电池电压
按如下条件在模型运行过程中,手动改变外部条件,结果如下

外界条件设置

光储系统PCC处功率

光伏输出功率

储能输出功率、电压、电流

蓄电池SOC、充放电电流、电池电压
可以看出,在光伏外部条件发生变化时,光伏输出功率随之波动,但由于储能的存在,整体系统输出功率始终保持不变(100KW)。
电芯、电池模组和电池包三者有什么区别?如...
时间:2026-03-22
电池怎么做绝缘处理?电池模组绝缘片起到什...
时间:2026-03-22
电池模组绝缘片的制造工艺有哪些,它们对电...
时间:2026-03-22
亿纬锂能麟驹系列电动两轮车电池首批发货仪...
时间:2026-03-22
在电池模组中,除了绝缘片,还有哪些措施可...
时间:2026-03-22
深度解读广汽全固态电池技术
时间:2026-03-22
广汽科技全固态电池与无图纯视觉智驾引领智...
时间:2026-03-22
天合光能新一代柔性储能电池舱Elementa 2真...
时间:2026-03-22
锂电池和超级电容器哪个更耐用
时间:2026-03-22
“固态电池”和“半固态电池”是水火不容吗...
时间:2026-03-22
住宅小区负荷与变压器容量的选择技巧
时间:2026-03-06
光伏控制器简介
时间:2026-03-06
石英灯电子变压器电路原理
时间:2026-03-06
变压器并列运行的条件浅析
时间:2026-03-06
玻璃釉电容器的结构与特点
时间:2026-03-05
电阻的标称阻值和允许偏差
时间:2026-03-05
三极管的主要参数
时间:2026-03-07
HTCC:半导体封装的理想方式
时间:2026-03-06
半导体三极管的技术参数
时间:2026-03-07
碳膜电阻如何识别_金属膜电阻器和碳膜电阻器...
时间:2026-03-05