一、为什么做大电流注入(BCI)
汽车产品的线束在走线或行驶过程中,会受到来自外界或其它车载产品线束带来的干扰。
二、什么是大电流注入(BCI)法
是使用电流注入探头将骚扰信号直接耦合到线束上进行抗扰度试验的一种方法。注入探头为电流互感器,被测装置(DUT)的线束穿过其中。通过改变试验严酷等级和感应骚扰的频率进行抗扰试验。
三、BCI的测试方法
3.1替代法
替代法使用前向功率作为标定和测试的参考基准。换一种理解方式:测试所需要的严酷等级,我们通过校准前向功率来替代所需要的等级。

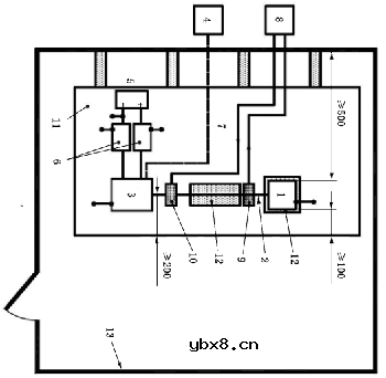
1—DUT(如需要可就近接地);
2—试验线束;
3—负载模拟器;
4—激励和监测系统;
5—电源;
6—人工网络(AN);
7 —光纤;
8 —高频设备;
9 —注入探头;
10—接地平板;
11—绝缘支架;
12—屏蔽壳体。
标定:
规定的试验等级(电流)应定期进行标定,标定时记录各个试验频率下在50Ω 标定夹具上产生规定电流所需的前向功率。应采用非调制正弦波进行标定。
3.2闭环法
闭环法使用前向功率作为标定和测试的参考基准。换一种理解方式:测试所需要的严酷等级,我们通过校准前向功率来替代所需要的等级。

1—DUT(如需要可就近接地);
2—试验线束 ;
3—负载模拟器;
4—激励和监测系统;
5—电源;
6—人工网络(AN);
7—光纤;
8—高频设备;
9—电流测量探头;
10—注入探头;
11—接地平板;
12—绝缘支架;
13—屏蔽壳体。
标定:
用于确定DUT测试的功率限值。规定的试验等级(电流)应在实际测试前进行标定,确定各个试验频率在50Ω 标定夹具上产生规定电流所需的前向功率。应使用未调制正弦波进行标定。
四、BCI的试验方法——布局
4.1DUT的位置
DUT应放置在绝缘支架上,位于接地平板上方(50±5)mm 的位置。DUT的外壳不应与接地平板相连(模拟实际车辆结构的除外)。DUT表面距离接地平板边缘至少100mm。除了放置DUT的接地平板,DUT和其他任何金属部件(如屏蔽室的墙壁)距离至少500mm。
4.2试验线束的位置
除非试验计划中另有规定,DUT和负载模拟器(或RF边界)之间试验线束的总长度应为(1000± 10)mm。线束类型应根据实际系统的使用要求确定。试验线束应放置在绝缘支架上,位于接地平板上方(50±5)mm的位置。
4.3负载模拟器的位置
最好将负载模拟器直接放置在接地平板上。如负载模拟器为金属外壳,外壳与接地平板直接搭接。如 DUT 引出的试验线束穿过 RF界面与接地平板搭接,负载模拟器可置于接地平板附近(外壳与 接地平板搭接)或实验室外。如负载模拟器放在接地平板上,负载模拟器的直流电源线应通过AN进行连接。
五、功能等级的判定
功能特性状态定义了 DUT 在试验环境下功能特性的期望目标,适于 DUT 的每一个独立功能,描述了试验中和试验后预期功能的工作状态。
状态Ⅰ:试验中和试验后能够完成设计功能。
状态Ⅱ:试验中不能完成设计功能,但试验后能够自动恢复到常态。
状态Ⅲ:试验中不能完成设计功能,试验后在没有驾驶员/乘客的简单操作下,无法恢复到常态,例如,通过对 DUT 关/开,或者重新启动点火开关。
状态Ⅳ:试验中不能完成设计功能,试验后需要较复杂的操作才能恢复到常态,对 DUT 的功能不应造成任何永久性损坏。例如,断开蓄电池或供电电源后再连接。
六、注意事项
(1)设备开关顺序:开(信号源——功放——PC控制),关(PC控制——功放——信号源)。
(2)需要手动操作设备或者更换线路时,注意先关闭信号源和功放输出甚至断开电源。
(3)手动连接接头或切换路径时,请佩戴防静电手套,防止静电损毁设备。
(4)测试前检查线缆连接情况,测试中关注VSWR, OUTPUT,FWD,REV。
(5)信号源输出范围为:-60dBm-0dBm, 功放最大输入信号为:10dBm超过会烧毁功放。
(6)一般要在注入钳后端接3dB的衰减器,尤其是闭环法会出现反向功率大,加衰减器的目的就是为了保护功放。
(7)功率探头非常脆弱,最多输入30dBm左右,不能直接接功放输出,特别容易烧。在搬运过程中一定要做到轻拿轻放。
(8)若出现线缆衰减系数填错,前向功率和反向功率探头接错,以及没有拧紧的情况,都会导致测试异常,甚至出现线缆或者功放以及功率探头损坏。
(9)基本参数:
A.VSWR过大,反向功率损坏功放:一般超过10均为不正常,常见的BCI开环的VSWR在1.5左右;BCI闭环可能会出现VSWR在5左右,超过10停止测试检查线路。
B.测试过程中要关注几个参数:VSWR, OUTPUT,FWD;当信号源输出OUTPUT达到0时,则说明功放应该是满输出,比如功放是100W,这个信号源输出为0dBm时,FWD输出应该在50dBm左右,否则则为异常。【dBm=10log(W)+30】
电芯、电池模组和电池包三者有什么区别?如...
时间:2026-03-22
电池怎么做绝缘处理?电池模组绝缘片起到什...
时间:2026-03-22
电池模组绝缘片的制造工艺有哪些,它们对电...
时间:2026-03-22
亿纬锂能麟驹系列电动两轮车电池首批发货仪...
时间:2026-03-22
在电池模组中,除了绝缘片,还有哪些措施可...
时间:2026-03-22
深度解读广汽全固态电池技术
时间:2026-03-22
广汽科技全固态电池与无图纯视觉智驾引领智...
时间:2026-03-22
天合光能新一代柔性储能电池舱Elementa 2真...
时间:2026-03-22
锂电池和超级电容器哪个更耐用
时间:2026-03-22
“固态电池”和“半固态电池”是水火不容吗...
时间:2026-03-22
住宅小区负荷与变压器容量的选择技巧
时间:2026-03-06
光伏控制器简介
时间:2026-03-06
石英灯电子变压器电路原理
时间:2026-03-06
变压器并列运行的条件浅析
时间:2026-03-06
玻璃釉电容器的结构与特点
时间:2026-03-05
电阻的标称阻值和允许偏差
时间:2026-03-05
三极管的主要参数
时间:2026-03-07
HTCC:半导体封装的理想方式
时间:2026-03-06
半导体三极管的技术参数
时间:2026-03-07
碳膜电阻如何识别_金属膜电阻器和碳膜电阻器...
时间:2026-03-05