锂电池充电管理芯片有哪些?芯片种类太多,下面小编为大家整理了九款常用的锂电池充电管理芯片参考。
线性锂电池芯片SL1053,SL1053是一款专门为高精度的线性锂电池充电器而设计的电路,非常适合那些低成本、便携式充电器使用。
线性锂电池充电芯片SL1053是集高精度预充电、恒定电流充电、恒定电压充电、电池状态检测、温度监控、充电结束低泄漏、充电状态指示等性能于一身,可以广泛地使用于PDA、移动电话、手持设备等领域。
SL1053通过检测电池电压来决定其充电状态:预充电、恒流充电、恒压充电。当电池电压小于阈值电压VO(MIN)时,处于预充电状态,以较小的电流对电池进行充电,预充电的电流可以通过外部电阻进行调整。预充电使电池电压达到VO(MIN)后,进入恒定电流充电的快速充电状态,充电电流可以通过外围电阻调整,恒定电流充电使电池电压上升到恒定电压充电电压VO(REG)(一般为4.2V)。然后进入恒定电压充电状态,充电电压的精度优于±1%,在该状态下,充电电流将逐渐减小,当充电电流小于阈值后,充电结束。
充电结束后,将始终对电池电压进行监控,当电池电压小于阈值VO(RCH)时,对电池进行再充电,进入下一个充电周期。为了安全起见,在整个充电过程中,SL1053利用电池内部的热敏电阻和适当的外围电阻对电池的温度进行监控,可以使电池的温度控制在用户设置的范围内。
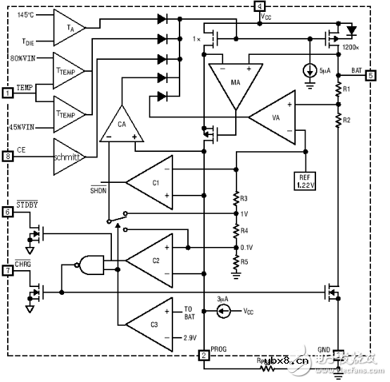
TP4056是一款完整的单节锂离子电池采用恒定电流/恒定电压线性充电器。其底部带有散热片的SOP8封装与较少的外部元件数目使得TP4056成为便携式应用的理想选择。TP4056可以适合USB电源和适配器电源工作。

由于采用了内部PMOSFET架构,加上防倒充电路,所以不需要外部隔离二极管。热反馈可对充电电流进行自动调节,以便在大功率操作或高环境温度条件下对芯片温度加以限制。充电电压固定于4.2V,而充电电流可通过一个电阻器进行外部设置。当充电电流在达到最终浮充电压之后降至设定值1/10时,TP4056将自动终止充电循环。
当输入电压(交流适配器或USB电源)被拿掉时,TP4056自动进入一个低电流状态,将电池漏电流降至2uA以下。TP4056在有电源时也可置于停机模式,以而将供电电流降至55uA。TP4056的其他特点包括电池温度检测、欠压闭锁、自动再充电和两个用于指示充电、结束的LED状态引脚。

HL7016是国内首款12V高压输入全集成的开关模式充电器,实现了高输入电压和USBOTG升压模式及I2C接口可编程。芯片内置了电压、电流、温度等多项检测和保护功能,通过I2C接口实现电压和电流参数的设置和调整,保证了锂电池充电安全性。除此以外,芯片还内置电池激活功能,解决电池短路所致的系统死机现象。与传统的充电方式相比,采用HL7016将充电时间减少了一半以上。
HL7016同时集成USBOTG5V升压输出功能,使能后能够将电池电压升至5.0V输出,并提供高达2.1A的最大输出电流,非常适合智能手机,平板电脑和移动电源等产品的应用。

CS0301是一款高精度智能型电池充电管理芯片,具有功能全、价格低、集成度高,外部电路简单,调节方便。

该芯片采用PWM脉宽调制方式充电,有涓流、恒流、恒压三种充电模式,内置高精度采样电路,电压判断精度高,充电饱和度高,具有多种故障保护功能,逆向漏电流小,与不同的外电路配合,可完全满足锂离子或锂聚合物电池的充电要求。
该芯片是通过检测电池电压状态来决定充电状态的。当电池电压低于预充电电压时,芯片自动进行预充电;当电池电压高于预充电电压而低于恒压充电电流时,芯片开始对电池进行恒流充电,充电电流外部可调;当电池电压上升到恒压充电电压以上的时候,芯片自动进入恒压充电;当充电电流小于充饱电流时,充电结束。当电池充电端口短路时,芯片减小充电电流,进行短路保护;在充电过程中,芯片通过电池内部的热敏电阻,对充电温度进行控制,当电池温度高于设定的温度时,停止充电;当电压恢复到温度内,继续进行充电。
LTH7(型号:PL4054)是一款完整的单节锂离子电池采用恒定电流/恒定电压线性充电器。其SOT封装与较少的外部元件数目使得PL4054成为便携式应用的理想选择。
PL4054可以适USB电源和适配器电源工作由于采用了内部PMOSFET架构,加上防倒充电路,所以不需要外部检测电阻器隔离二极管。热反馈可对充电电流进行调节,以便在大功率作或高环境温度条件下芯片温度加以限制。充电电压固定于4.2V,而充电电流可通过一个电阻器进行外部设置当充电电流在达到最终浮充电压之后降至设定值1/10时,PL4054将自动终止充电循环当输入电压(交流适配器或USB电源)被拿掉时,PL4054自动进入一个低电流态,将电池漏电流降至2uA以下。也可将PL4054置于停机式,以而将供电电流降45uA。PL4054的其他特点包括充电电流监控器、欠压闭锁、自动再充电和一个用于示充电结束和输入电压接入的状态引脚。
CH4054是一款单节锂离子电池恒流/恒压线性充电器,简单的外部应用电路非常适合便携式设备应用,适合USB电源和适配器电源工作,内部采用防倒充电路,不需要外部隔离二极管。热反馈可对充电电流进行自动调节,以便在大功率操作或高环境温度条件下对芯片温度加以限制。
CH4054充电截止电压为4.2V,充电电流可通过外部电阻进行设置。当充电电流降至设定值的1/10时,CH4054将自动结束充电过程。当输入电压被移掉后,CH4054自动进入低电流待机状态,将待机电流降至1uA以下。CH4054在有输入电源时也可置于停机模式,从而将工作电流降至30uA。


高性能的线性锂电池充电管理芯片CN3052A/CN3052B/CN3056,这些器件内部集成有功率管,不需要外部的电流检测电阻和阻流二极管,只需要极少的外围元器件,并且符合USB总线技术规范,可以通过USB端口为锂电池充电,因此非常适用于各种充电器及MP4播放器、蓝牙耳机、数码相机等便携式产品。

电源低电压检测(UVLO)CN3052A/CN3052B/CN3056内部有电源电压检测电路,当电源电压低于电源电压过低阈值(典型值4.03V)时,芯片处于关断状态,充电也被禁止。
睡眠模式CN3052A/CN3052B/CN3056内部有睡眠状态比较器,当输入电压VIN小于电池端电压+40mV时,充电器处于睡眠模式;只有当输入电压VIN上升到电池端电压90mV以上时,充电器才能离开睡眠模式,进入正常工作状态。
预充电状态在充电周期的开始,如果电池电压低于3V,充电器处于预充电状态,充电器以恒流充电模式充电电流的10%对电池进行充电。

充电过程示意图。当输入电压大于电源低电压检测阈值和芯片使能输入端接高电平时,CN3052A/CN3052B/CN3056开始对电池充电,CHRG管脚输出低电平,表示充电正在进行。
如果电池电压低于3V,充电器用小电流对电池进行预充电。当电池电压超过3V时,充电器采用恒流模式对电池充电,充电电流由ISET管脚和GND之间的电阻RISET《确定。当电池电压接近电池端调制电压4.2V时,充电电流逐渐减小,CN3052A/CN3052B/CN3056进入恒压充电模式。当充电电流减小到充电结束阈值时,CHRG端输出高阻态,表示充电周期结束,充电结束阈值是恒流充电电流的10%。



SMC401的充电分为三个阶段:预充、恒流充电及恒压充电。
(1)预充阶段
在安装好电池并加上电源后,SMC401首先检查电池温度是否在设定范围,若不正常则进入温度故障模式,否则检测电池电压VBAT,当电池电压VBAT低于低压门限VLOW时,SMC401以恒流10%的电流对电池预充电。
(2)恒流充电阶段
在完成对电池预充或电池电压VBAT高于VLOW并低于VMAX时,SMC401进入恒流充电状态,此时通过外部的感测电阻上的压降监控充电电流。
(3)恒压充电阶段
当电池电压VBAT达到VMAX时进入恒压充电状态。在整个工作温度和工作电压范围内,恒压精度高于±1%。当充电电流达到终止门限ILOW时停止充电,当电池电压低于重新充电门限电压VMAX时自动开始重新恒压充电。
TP4057一款完整的单节锂离子电池充电器,带电池正负极反接保护,采用恒定电流/恒定电压线性控制。其SOT封装与较少的外部元件数目使得TP4057便携式应用的理想选择。

TP4057可以适合USB电源和适配器电源工作。由于采用了内部PMOSFET架构,加上防倒充电路,所以不需要外部检测电阻器和隔离二极管。热反馈可对充电电流进行自动调节,以便在大功率操作或高环境温度条件下对芯片温度加以限制。充满电压固定于4.2V,而充电电流可通过一个电阻器进行外部设置。当电池达到4.2V之后,充电电流降至设定值1/10,TP4057将自动终止充电。当输入电压(交流适配器或USB电源)被拿掉时,TP4057自动进入一个低电流状态,电池漏电流在2uA以下。TP4057的其他特点包括充电电流监控器、欠压闭锁、自动再充电和两个用于指示充电结束和输入电压接入的状态引脚。
卤化Zn2+溶剂化结构实现高可逆锌金属电池
时间:2026-03-22
一种用于水系锌离子电池的新型碳基聚合物PO...
时间:2026-03-22
锂电市场吸引众多资本关注 锂电产业链站上...
时间:2026-03-22
探索影响锂金属电池库伦效率的隐藏因素
时间:2026-03-22
讨论高压锂离子电池的老化机理及电解质设计...
时间:2026-03-22
提高Li2C2O4作为锂电正极预锂化添加剂的预锂...
时间:2026-03-22
晶界绝缘实现2600周循环的全固态锂电池
时间:2026-03-22
淬火妙招提高钛酸锂可逆容量
时间:2026-03-22
电解液设计在锂离子电池(LIBs)中的作用
时间:2026-03-22
不同极片数量对锂离子电池膨胀力的研究
时间:2026-03-22
住宅小区负荷与变压器容量的选择技巧
时间:2026-03-06
光伏控制器简介
时间:2026-03-06
石英灯电子变压器电路原理
时间:2026-03-06
变压器并列运行的条件浅析
时间:2026-03-06
电阻的标称阻值和允许偏差
时间:2026-03-05
三极管的主要参数
时间:2026-03-07
HTCC:半导体封装的理想方式
时间:2026-03-06
玻璃釉电容器的结构与特点
时间:2026-03-05
半导体三极管的技术参数
时间:2026-03-07
碳膜电阻如何识别_金属膜电阻器和碳膜电阻器...
时间:2026-03-05