|
| |
|
一、电子镇流器式荧光灯 | |
|
荧光灯电子镇流器问世于八十年代初,由荷兰飞利浦公司首先研制成功。由于它与传统的电感式镇流器相比,特别在电性能上更有独特之处。所以电子镇流器是具有强大的生命力。 | |
|
电感式镇流器与电子式镇流器的比较见表一 | |
|
表一 | |
|
电感式镇流器 |
电子式镇流器 | |
|
功率因数 |
低(一般为0.5左右) |
高(达到0.7以上,设有校正电路的可达到0.9以上) |
|
电能损耗 |
较大(一般损耗功率20%左右) |
很小(节电15——20%左右) |
|
低电压启动性能 |
较差(低于180v启动困难) |
很好(150v仍能正常启动) |
|
频闪效应 |
50Hz频闪无法克服,对视线不利 |
因工作频率在20KHz以上,故无闪烁感觉。 |
|
音频噪声 |
有50Hz交流声 |
无 |
|
体积 |
大 |
小 |
|
重量 |
重 |
轻(只有电感式的2/10重) |
|
高频辐射 |
很小 |
较大 |
|
价格 |
较便宜 |
较贵 |
|
制造工艺 |
简单 |
较复杂 |
|
荧光灯电子镇流器的电路设计有多种多样,在科学突飞猛进的今天,荧光灯电子镇流器的设计正趋向集成化或模块化,目的是使电路结构简单。电气性能更可靠,稳定,安全。下面介绍一种采用模块和少量电子元件构成的电子镇流器电路图。 |
|
HD9712模块内部主要有整流、电流跟踪和分级滤波组成。 |
|
荧光灯电子镇流器中的功率因数,灯电流波峰系数,电流谐波含量统称三项技术指标。在一般荧光灯电子镇流器中想实现三项指标的同时达到部颁标准是有困难的,采用HD9712模块的电子镇流器就可以实现该三项指标,并能达到标准中的“H”级所规定的指标要求。 |
|
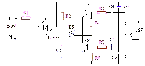
接通电源,电流经F1、C1输入HD9712电路的“1、2”脚。经HD9712电路整流,电流跟踪及分级滤波后从“3”脚输出300V左右的直流电压,作为镇流器的工作电源;该电压经R2降压后加到C3和D2锯齿波产生器上。通过C3、D2产生一个锯齿波脉冲去触发振荡器电路,使振荡器开始工作。将工作频率25 30KHz的高频电压送至L4和C4升压后,将荧光灯管内气体电离,灯管点亮。同时少量电流通过C4构成回路对灯丝起到辅助加热作用,以保持稳定照明。 |
|
R5是起到软启辉的作用,延长灯管寿命而设。R1是过电压保护电阻。 |
|
|
|
图2-8-1 电子镇流器式莹光灯电原理图 |
|
二、卤钨灯 |
|
卤钨灯是八十年代末研制成功的一种新型光源。它具有发光效率高,体积小,重量轻、寿命长等特点。 |
|
为了使这种体积小,发光效率高的新光源得到有效地推广应用,科研人员又将小型的卤钨泡置入一种用石英玻璃制成的冷光杯中。其形状如图2-8-2。这种用石英玻璃冷光杯和卤钨泡组合而成的光源称为“石英冷光射灯”(俗称冷光源,或冷光灯)。它具有冷光。光照成束,冷光杯的角度根据需要可以选择,有射程功能。普通白炽灯不可比拟的。 |
|
所以,这种光射灯大量应用于商店商场的柜台。橱窗里作效果照射和照明。 |
|
近年来由于人民生活水平的提高,居住条件不断改善。冷光射灯装饰于家庭也越来越普及。为使百姓生活安居乐业,冷光射灯还广泛应用于保安产品上。 |
|
由于冷光射灯的工作电压均为超低电压,6V、12V,功率20W,50W,所以,在实际使用中必须通过变压器降压后方可使用,一般50W,12V电感式变压器其体积之大,重量太重,不宜在商场里大量使用。为此,科技人员相继又推出一种电子式变压器,其特点:体积小,重量轻,成本低,使用方便等。缺点有:电磁干扰(可以增加吸收回路将其干扰吸收)。电子式变压器的线路图:(12*8cm) |
|
工作原理和电子镇流器基本相同,就是输出电压是经铁氧体变压器隔离后降到12V去点然冷光灯。 |
|
|
|
图 2-8-2 电子式变压器电原理图 |
|
三、高压气体放电灯 |
|
说明: |
|
该小节内容不属于“电子节能灯”范围。但高压气体放电灯是一种新型的电光源,使用十分广泛,作为一项新科技知识,本小节作一简单介绍,供教师参考。 |
|
高压钠灯、金属卤化物灯、镝灯、氙灯等等,均属高压气体放电灯。高压气体放电灯灯泡内引出两根电极棒,并充以各种不同成份的化学元素物质,通电正常工作后,放射出不同色彩的光。工作电路如图2-8-3。 |
|
工作原理: |
|
在接通电源的瞬间,电源电压经镇流器加到触发器和灯泡两端,灯泡不亮时电阻很大,呈开路状态。触发器在电源电压(220V或380V)下立即开始工作,并产生3KV以上的脉冲高压,施加在灯泡L两端,将灯泡L内常温元素激活成气体并击穿,L呈低阻大电流状态,因而灯泡L两端电压下降,约为30~50V左右,触发器因电压太低而停止工作。整个启辉过程约0.8秒左右。随着灯泡L内气体温度升高,气压可达几个大气压,工作电流逐渐下降至正常工作电流范围,灯电压也逐渐上升至正常工作电压。由于灯泡L和镇流器串联,镇流器限制了灯电流的增加,灯电压始也始终低于电源电压,并始终低于触发器的开启电压,以保证灯泡长期稳定地工作。 |
|
从启辉至完全进入正常发光状态,约30分钟左右。 |
|
|
|
图 2-8-3 高压气体放电灯电原理图 |
|
用途: |
|
高压钠灯光效最高,经济实用,光色呈钠黄色,穿雾能力特强,广泛用于道路广场的照明。灯泡功率有55~400瓦不等。 |
|
现已研制出彩色金属卤化物灯,品种有红、绿、蓝、紫等多种色光,已广泛用于建筑物的反光照明。金属卤化物灯启辉时触发电压与功率均比钠灯高。灯泡功率有100——1000瓦不等。 |
|
镝灯功率一般在300——3500瓦之间,光色为白光,一般用于建筑工地等大面积场合照明,电源电压有220V、380V两种。 |
|
【 教学目标 】 | |
|
一、知道几种常见高压气体放电灯的名称和主要用途; | |
|
二、知道两种民用电子节能灯的名称和用途; | |
|
三、初步学会组装一种电子节能灯。 | |
|
【 教学重点和难点 】 | |
|
重点:1.采用新型电光源的意义; | |
|
2.学会使用装配图的方法。 | |
|
难点:1.新型电光源的工作原理; | |
|
2.读装配图。 | |
|
【 教学器材 】 | |
|
一、55~125W高压钠灯示教板一块; | |
|
二、电子节能灯组件一套,两种成品灯各一只; | |
|
三、电子节能灯组件安装投影片一组。 | |
|
【 教学过程结构 】 | |
|
一、新课引入(第一部分) | |
|
(1)教师可以利用自制的录象片、幻灯片或展示画片等手段介绍3至4种新型电光源的名称以及使用价值,以引起学生的学习热情。 | |
|
(2)演示高压钠灯的触发过程。 | |
|
(3)展示两种电子节能灯。 | |
|
说明: | |
|
(1)建议选用100W左右的钠灯泡,演示时间不得超过1分钟,否则光线会渐渐变得很亮,影响学生的视力。 | |
|
(2)也可用同功率的绿色金卤灯直接替换钠灯作演示。同一只灯泡再次触发须待灯泡冷却后进行。 | |
|
(3)高压气体放电灯的触发过程(工作原理)不是本章节的重点内容,但与镇流器式日光灯的线路及工作原理有类似的地方,对照讲述学生比较容易理解。 | |
|
二、简述节能灯的节能原理 | |
|
说明: | |
|
(1)一般在展示两种电子节能灯的同时,用比较法点亮白炽灯,这仅仅说明了发光效率一个方面。由于初中学生知识有限,不要把大量时间化在“功率因数”问题上。 | |
|
(2)以上三种节能灯的工作方式和节能原理有所不同,既不能混为一谈,也不必讲得过细,建议“点到为至”。例如电子镇流器式莹光灯(日光灯)原理简介: | |
|
220V市电经整流变成300V左右的直流电,再由开关电路来回震荡和升压,转化为高频脉冲电压,即可直接点亮荧光灯管。电子式节能灯(又名电子日光灯)优点是启动快,无闪烁。开关电路本身能耗低,输出功率大,功率因数可以做得很高,若配上高效灯管,节能效果更佳。电子式节能灯对器件要求较高,且成本(暂时)较高,大部分低价位成品的功率因数仅仅是0.55,有待于进一步提高。 | |
|
三、电子节能灯的安装步骤(第二部分) | |
|
1.对照图纸,先连接低压端或接灯管的一端导线; | |
|
2.连接高压端或电源进线端导线; | |
|
3.加强电源端绝缘,引出电源线。 | |
|
4.用自攻螺丝固定印板和塑料外壳 | |
|
5.安装灯管或灯泡(冷光灯除外) | |
|
说明: | |
|
(1)组织学生组装电子镇流器式莹光灯(电子日光灯)或电子变压器式卤钨灯(冷光灯)时,应根据现有条件和货源情况任选一项。 | |
|
(2)为便于学生实习,印刷线路板应适当宽松些,零件适当厚实些,印刷线路板的输入与输出端应有明显标志。 | |
|
(3)在组装、调试过程中,学生绝对不能直接接触220伏电压。要求供应厂商提供耐压在3000伏以上绝缘外壳,耐压在3000伏以上的高频变压器(冷光灯)。 | |
|
A.操作工艺要求: | |
|
(1)选择两种不同颜色的导线作输入线和输出线,以示区别; | |
|
(2)用20w内热式电烙铁进行焊接,每焊点焊接时间不超过3秒钟; | |
|
(3)焊点光亮无虚焊,无毛刺; | |
|
(4)选用软护套线做220伏电源线; | |
|
(5)相线断开关。 | |
|
B.技术关键: | |
|
(1)供应厂商必须提供质量无问题的,初步调试好的组装件,并保证有绝对互换性。 | |
|
(2)尽量避免或减少焊接工作。允许有一定基础的学生做少许焊接工作,但不适宜大面积推广。 | |
|
C.典型错误及防止方法: | |
|
(1)导线选择 电源线可选双芯软护套线做电源线,绝对不可用灯头线替代。冷光灯灯座的接线应采用高温导线,并加高温套管。除电源引出线外,其它导线可采用硬线BV 1×1/0.5或软线RV 1×16/0.15。 | |
|
(2)焊接 助焊剂使用过多,或烙铁长时间空烧,定将烙铁头“烧死”发黑,是初学者易犯的常见错误,造成假焊的主要原因。避免假焊现象的发生,请参考《劳动技术·电子技术》有关内容的说明。 | |
|
(3)导线与导线的连接 连接导线太短,造成装配困难;进线与出线搞颠倒了,如不及时发现纠正,通电后后果严重;导线裸露部分没有用绝缘胶布包缠,导致发生短路事故。相关内容请参阅本章第一节。 | |
|
(4)固定 自攻螺丝没旋紧,数量不到位。 | |
|
【 学习评价 】 | |
|
1.学生作品完成以后,根据测试手册P.11相关内容,展开自评和学生互评,填好表格。 | |
|
2.凡是测试手册上需要考核的项目,希教师给以评定后,记载在手册上。 | |
|
3.对于整个作品完成的优劣,希望教师亦给予一个最后的评定。 | |
|
|
|
| 图2-8-4 电子日光灯 | 图2-8-5 电子节能灯外型 |
|
|
|
|
图2-8-6 电子节能灯内部结构 | |
|
| |
|
图2-8-7 冷光灯杯 | |
电感器设计流程和见解
时间:2026-05-01
什么是触发器?触发器的作用是什么?
时间:2026-05-01
什么是电源?电源是如何进行分类的?
时间:2026-05-01
电驱动NVH的特点和结构
时间:2026-05-01
什么是霍尔传感器?
时间:2026-05-01
电负性的计算方法
时间:2026-04-30
电导的定义_电导的单位_电导怎么算
时间:2026-04-30
什么是计数器_计数器的作用
时间:2026-04-30
什么是欧姆定律_欧姆定律公式
时间:2026-04-30
RAID是什么?RAID有哪些?
时间:2026-04-30
电阻的原理和作用 电阻色环识别图 电路中电...
时间:2026-03-09
什么是室温超导?半导体时代将走向结束?芯...
时间:2026-03-09
NVIDIA CPU+GPU超级芯片大升级!
时间:2026-03-09
半导体光刻工艺 光刻—半导体电路的绘制
时间:2026-03-09
什么是硅片或者晶圆?一文了解半导体硅晶圆
时间:2026-03-09
石英灯电子变压器电路原理
时间:2026-03-06
一文详解MOS管驱动电路拓扑的设计
时间:2026-03-09
汽车芯片业应汲取的教训
时间:2026-03-09
半导体行业之ICT技术简介
时间:2026-03-09
集成电路的几纳米代表了什么?
时间:2026-03-09