印刷设备电磁调速异步电动机(滑差电机)
电磁调速异步电动机又称滑差电机,它是一种恒转矩交流无级变速电动机。由于它具有调速范围广、速度调节开滑、起动转矩大、控制功率小、有速度负反馈的自动调节系统时机械特性硬度高等一系列优点,因此在印刷机及骑马订书机、无线装订高频烘干联动机中都得到广泛应用。如801型对开立式停回转凸版印刷机、JS2101型对开双面胶印机,J2105型对开单色胶印机、J2108型对开单色胶印机、PZ4880-01A型对开四色胶印机等印刷机械采用这种电动机就更能符合印刷工艺要求。烘版机采用这种电动机调速后,能有效地控制胶膜厚度,操作十分方便。骑马订书机采用这种电动机调速,能够根据书刊的要求相应地调节转速而提高书刊装订质量。
带有速度负反馈的电磁调速异步电动机的主要缺点是:在空载或轻载(小于10%额定转矩)时,由于反馈不足,会造成失控现象;在调速时,随着转速降低,离合器的输出功率和效率也相应地按比例下降。所以此电机适用于长期高速运转和短时间低速运转。为适应印刷机低速运转的需要,在采用电磁调速异步电动机作主驱动的印刷机中往往再配装一台三相异步电动机作为低速电机使用。
现将该电动机工作情况作简要介绍
一、电磁调速异步电动机结构与工作原理
电磁调速异步电动机是由普通鼠笼式异步电动机、电磁滑差离合器和电气控制装置三部分组成。异步电机作为原动机使用,当它旋转时带动离合器的电枢一起旋转,电气控制装置是提供滑差离合器励磁线圈励磁电流的装置。这里主要介绍电磁滑差离合器,图2-19是其结构示意图。它包括电枢、磁极和励磁线圈三部分。电枢为铸钢制成的圆筒形结构,它与鼠笼式异步电动机的转轴相连接,俗称主动部分;磁极做成爪形结构,装在负载轴上,俗称从动部分。主动部分和从动部分在机械上无任何联系。当励磁线圈通过电流时产生磁场,爪形结构便形成很多对磁极。此时若电枢被鼠笼式异步电动机拖着旋转,那么它便切割磁场相互作用,产生转矩,于是从动部分的磁极便跟着主动部分电枢一起旋转,前者的转速低于后者,因为只有当电枢与磁场存在着相对运动时,电枢才能切割磁力线。磁极随电枢旋转的原理与普通异步电动机转子跟着定子绕组的旋转磁场运动的原理没有本质区别,所不同的是:异步电动机的旋转磁场由定子绕组中的三相交流电产生,而电磁滑差离合器的磁场则由励磁线圈中的直流电流产生,并由于电枢旋转才起到旋转磁场的作用。

图2-19 电磁滑差离合器基本结构示意图
1-原动机 2-工作气隙 3-主轴 4-输出轴 5-磁极 6-电枢
电磁滑差离合器的机械特性可近似地用下列经验公式表示:
n=n0-KT2/I4f
式中:n0-离合器主动部分(鼠笼电动机)的转速;
n-离合器从动部分(磁极)的转速;
If-励磁电流;
K-与离合器结构有关的系数;
T-离合器的电磁转矩。
当稳定运行时,负载转矩与离合器的电磁转矩相等。由上述公式可知:
(1)当负载一定时,励磁电流If的大小决定从动部分转速的高低,励磁电流愈大,转速愈高;反之,励磁电流愈小,转速就愈低。根据这一特性,可以利用电气控制电路非常方便地调节从动部分的转速。
(2)当励磁电流一定时,从动部分转速将随着负载转矩增加而急剧降低,并且这种下降在弱励磁电流的情况下更加严重,如图2-20a所示,它具有较软的机械特性,这种软的机械特性在许多情况下,不能满足生产机械的要求。为了获得范围较广,平滑而稳定的的调速特性,通常采用速度负反馈的措施,使电磁滑差离合器具有如图2-20b所示的硬机械特性。

图2-20 电磁调速异步电动机机械特性曲线
图2-21为带有速度负反馈的电磁调速异步电动机原理框图。它是利用测速发电机把离合器的输出速度n换成交流电压U-,再经整流器变成直流电压U-。将U-送入比较元件,与给定直流励磁电压Uf进行比较。得电压差△Uf-U-。所以输入离合器的励磁电流If不是正比于励磁电压Uf,而是正比于电压△U。由于U~(U-)的大小与转速n有关,n增大,U~(U-)变大。n减小,U~(U-)变小。因此,在给定直流励磁电压Uf有变情况下,输入的励磁电流If的大小与转速n有关,即随着n的下降或上升,励磁电流If将自动增加或减小,由于负反馈的作用,提高了电磁离合器机械特性的硬度,这时调速的参数不再是电流If将自动增加或减小,由于负反馈的作用,提高了电磁离合器机械特性的硬度,这时调速的参数不再是电流If而是电压Uf。显然,给定励磁电压Uf愈高,则转速n愈高;反之则转速愈低,如图2-20b所示。

图2-21 带有速度负反馈的电磁调速异步电动机框图
从图中可以看出:在空载或轻载(小于10%额定转矩)时,由于反馈量不足,会造成失控现象,此外,在调速时,随着转速降低,离合器的输出功率和效率也相应地按比例下降。
二、电磁调速异步电动机的起动与调速
1.电磁调速异步电动机的起动。该电动机与转运惯量较大的工作机械之间装有滑差离合器,起动时可以逐渐增加电流,能很平滑地起动。
在阻力较大的拖动系统中,例如J2203胶印机,电动机往往不能带负载直接起动,这时可在起动前先断开离合器的励磁电源,使鼠笼电动机先空载起动,然后再接上励磁电源就可起动了。
2.电磁调速异步电动机的调速。由电磁调速异步电动机的工作原理知,电磁调速异步电动机的速度调节,可通过调节滑差离合器的励磁电流来实现。下面介绍两种调节滑差离合器励磁电流的电路。
(1)用调压器调速。在图2-22中,是用调压变压器来改变励磁电流的整流器电源电压,以达到调速的目的。在此系统中,没有速度负反馈,电机的机械特性较软,一般可用于要求不高的调速差系统中。例如,制铜锌版使用的无粉腐蚀机,胶印制版的烘版机等。

图2-22 用调压变压器控制的调速电路
由于这种控制线路结构简单,便于维护,所以在印刷机构中仍有实用意义。在图2-22中,TC是单机调压变压器,初级电压220V,次级电压为0-250V。整流元件是2CZ型硅二极管,型号的选择应根据离合励磁线圈的功率或电流来确定。从电路图可看出,只要改变调压变压器的次级电压,就能改变整流输出直流电压,即改变滑差离合器励磁电流,这样就能调节电机的转速。
(2)速度负反馈电磁调速异步电动机控制电路。现在广泛采用具有速度负反馈的滑差离合器的控制装置,来实现宽范围无级调速,它比起其它调速电动机来说,具有以下主要优点:
①交流无级调速,机械特性硬度较高;
②结构简单、工作可靠、维护方便、价格低廉;
③调速范围大,用在像印刷机这样的恒转矩负载时,一般可达10:1,有特殊要求(如轮转机)时亦可达50:1;
④可调节转矩。在现代化的联合轮转机中,都应用了自动化的纸张拉紧机械,它可以达到随着卷筒纸直径的变化,调节离合器的转矩经保持拉力不变。
下面以ZLK-10型调速装置为例,说明电磁调速异步电动机的调速线路的组成及其工作原理。
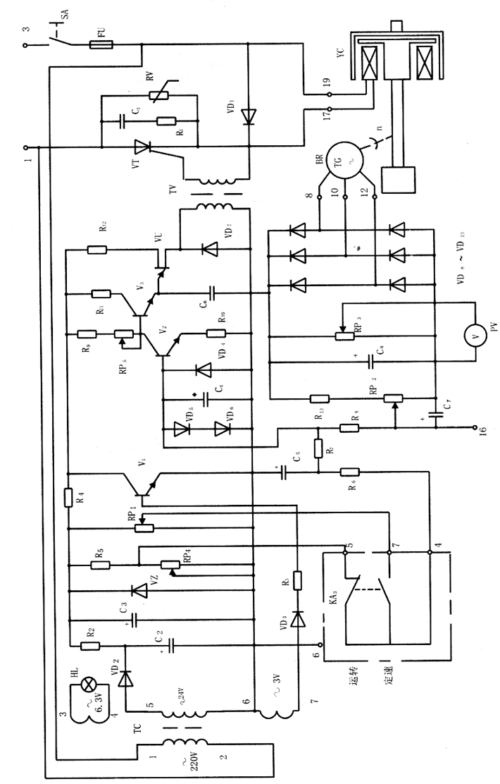
图2-23为ZLK-10自动调速系统的方框图,由图可知,它由给定电压、速度负反馈、放大器、触发电路、可控硅(晶闸管)整流等环节组成,图2-24是其原理图。下面对它的基本环节进行分析。

图2-23 ZLK-10自动调速系统的基本组成
①给定电压环节。给定电压环节起始于变压器TC副边5端、6端间的绕组。24V的交流电压经VD2、整流并经C2、R2、C3滤波和VZ稳压,得到16V的直流电压。最后由R5和RP4“定速”档的转速。“运转”、“定速”由中间继电器KA3控制。
②转速反馈环节。ZLK-10自动调速系统是采用三相交流测速发电机BR对转速进行采样。所得交流经VD8-VD13整流和C8、R13、RP2、RP3滤液后,得到反馈电压,经过R8传至放大器的输入端。由于不同测速发电机灵敏度之间存在差异,所以采用RP2对反馈电压进行调节。转速表PV的刻度值依靠RP3调节。电容器C7用于减轻反馈电压的脉动,有利于调速系统动态稳定性的提高。
③放大器。放大器是以晶体管V2为核心组成。二极管VD4、VD5、VD6用作双向限幅保护,以避免V2的发射结承受过高的电压。给定电压与转速反馈电压通过电阻R6、R7和R8进行组合,形成输入信号,其值正比于上述两个电压之差。这个差值经V2放大后可影响V2的集电极电位,对单结晶体管触发脉冲形成电路进行控制。
④触发电路。单结晶体管触发电路的电源是由V1、VD3、R4与变压器TC的6、7绕组组成。TC的6、7端输出3V交流电压,当为负半周期时,V1截止,V1集射极间电压为16V,如图2-25b所示;当7.6端输出为正半周期时,经VD3整流后加到V1的集射极上使V1饱和导通,Vcel=0,放大器与触发电路不能工作,如图2-25b所示。
由V3和R11组成的恒流源,再加上电容器C6,能产生锯齿波用作移相,如图2-25c所示。其原理是这样的:设V3和R11恒流源的恒定电源是I0,恒定电流向C6充电,Uc6=1/C6∫t0Iodt,使C6上的电压上升,当上升到单结管VU的峰值时单结管导通C6放电。放电到VU的谷值时又重新充电。而恒定电流I0的大小又受放大器V2输出电压的控制。如当V2的输入电压增大,V3的基极电压就降低,V3更加导通,V3集电极电流I0增大,这样充放电速度加快,可控硅触发提前,如图2-25d所示,导通角增大,导致励磁电压增大,如图2-25e所示;同理V2的输入电压减小时,I0减小,导致导通角减小,励磁电压减小。可见输入电压的大小可以控制可控硅的触发时刻。
触发器最终在VU的第一基极通过脉冲变压器TV输给晶闸管的控制极。二极管VD7用以短路负脉冲,防止可控硅因控制极出现负脉冲而击穿。
⑤可控硅整流电路。该系统采用可控硅单相半波整流电路,波形如图2-25e所示。整流电路的输出控制转差离合器的励磁线圈来产生励磁电流并最终影响电机的转速。图中R1、C1和热敏电阻RV均对可控硅有过压保护作用。VD1为续流二极管,其作用是,正半周时由于可控硅导通而使离合器工作;负半周时可控硅不导通,励磁线圈产生的反向电动势可经过VD1形成放电回路,使线圈中的电流连续,从而使离合器工作稳定。

图2-24 ZLK-10型调速系统的电路
图2-25 ZLK-10型调速系统电路工作波形图
综合上述,当ZLK-10自动调速系统处于“运转”状态,也就是调速状态时,通过调节电位器RP4改变电压给定环节的电压,来改变电动机的转速。例如调节RP4使给定电压Uf增大,这时转速负反馈系统给出的电压U-保持不变,输入到V2的电压△U增加,由V3和11出增大,滑差离合器的励磁电流增大,最终电动机转速变快。调速过程如下:
Uf↑→△U↑→Uc充电加快→Ug触发提前→If↑→n↑
当ZLK-10调速系统置于“定速”状态,也就是稳速状态时,通过调速系统可以稳定由于负载RL变化而引的转速变化。例如当负载变小时,电机转速将变快,转速负反馈电路给出的电压U-将增大,经过R6、R7、R8给出的比较电压△U将减小,这样C6充电速度变慢,单机转速变慢。经过这样的所馈过程将使电机的转速基本不变。稳速过程如下:
RL→n↑→U-△U↓→Uc充电变慢→Ug触发滞后→If↓→n↓
电感器设计流程和见解
时间:2026-05-01
什么是触发器?触发器的作用是什么?
时间:2026-05-01
什么是电源?电源是如何进行分类的?
时间:2026-05-01
电驱动NVH的特点和结构
时间:2026-05-01
什么是霍尔传感器?
时间:2026-05-01
电负性的计算方法
时间:2026-04-30
电导的定义_电导的单位_电导怎么算
时间:2026-04-30
什么是计数器_计数器的作用
时间:2026-04-30
什么是欧姆定律_欧姆定律公式
时间:2026-04-30
RAID是什么?RAID有哪些?
时间:2026-04-30
电阻的原理和作用 电阻色环识别图 电路中电...
时间:2026-03-09
什么是室温超导?半导体时代将走向结束?芯...
时间:2026-03-09
NVIDIA CPU+GPU超级芯片大升级!
时间:2026-03-09
半导体光刻工艺 光刻—半导体电路的绘制
时间:2026-03-09
什么是硅片或者晶圆?一文了解半导体硅晶圆
时间:2026-03-09
石英灯电子变压器电路原理
时间:2026-03-06
一文详解MOS管驱动电路拓扑的设计
时间:2026-03-09
汽车芯片业应汲取的教训
时间:2026-03-09
半导体行业之ICT技术简介
时间:2026-03-09
集成电路的几纳米代表了什么?
时间:2026-03-09