调功集成电路Y992
在工业生产和日常生活中,常常需要对电功率的大小进行调节,例如电加热器的温度调节、电动机的调速、电灯的灯光调节等。一般电功率的调节有电阻限流、用可控硅调整相位角、占空比调节等方法。电阻限流方法的缺点是有一部分功率消耗在电阻上,浪费能源;采用可控制硅调相位角进行功率调节的方法会破坏50Hz交流电的波形,污染电源;占空比调节功率的优点为没有功率损耗,而且不会污染电源。本文介绍的Y992为改变占空比来调节功率的集成电路。
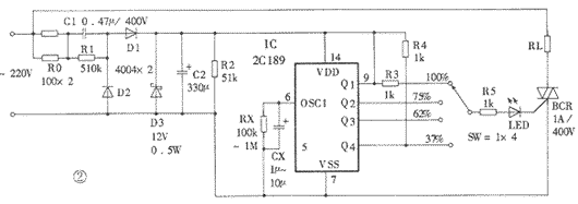
Y992电路为标准{14}脚双列直插式塑料封装集成电路。Y992的{14}脚VDD为直流电源的正输入端,⑦脚VSS为直流电源的负输入端。⑥脚OSC为振荡输入端,⑨脚Q、{11}脚Q2、{12}脚Q3、④脚Q4分别为占空比100%、75%、62%和37%四个输出端。Y992的工作电压为2.5~12V;静态功耗电流为10μA;使用温度为-25~+85℃;振荡频率为10kHz~0.1Hz;输出驱动电流为10mA。
Y992采用单端振荡电路形式,电路内部电路如图1所示。电路接上电源后,PMOS管经电阻R0向振荡电容CX充电,充电电流为I1,电容CX上的电位慢慢提高。当电位提高到斯密特门的高阈值电压时,斯密特门输出由高电平变为低电平,PMOS管截止,电容CX上的电荷向电阻RX泄放,放电电流为I2。当电容CX上的电位低到斯密特门的低阈值电压时,斯密特门的输出又变为高电平,充电又开始,这样周而复始形成振荡。单端振荡器电路起振容易而且简单和稳定。该振荡器的振荡频率由外接RX和CX决定,RX的取值范围为100kΩ~100MΩ,CX的取值范围为0.01~10μF,其振荡频率为10~0.1kHz。

用Y992制成的调功电路如图2所示。电容C1和C2、二极管D1~D3组成直流稳压源,为Y992供电。D3可以选用稳压值为6~12V的稳压管。四挡开关可分别选择不同的功率输出。发光二极管(LED)在有功率输出时点亮,没有功率输出时熄灭,所以LED可以作为功率输出指示灯。双向可控硅为驱动器件,1A/400V的可控硅可带动200W的负载。对大功率的负载可以选择大功率的可控硅。振荡电阻和电容根据需要选择,但振荡频率不要高于50Hz。

使用高压电阻进行设计的 10 个技巧
时间:2026-05-07
数字仪表与模拟仪表:它们有何区别?
时间:2026-05-07
基于半导体的电源模块与分立元件
时间:2026-05-07
一文看懂堆和栈的区别和联系
时间:2026-05-07
pcb板和pcba的区别
时间:2026-05-07
什么是数组?数组有什么用?
时间:2026-05-07
电感器设计流程和见解
时间:2026-05-01
什么是触发器?触发器的作用是什么?
时间:2026-05-01
什么是电源?电源是如何进行分类的?
时间:2026-05-01
电驱动NVH的特点和结构
时间:2026-05-01
电阻的原理和作用 电阻色环识别图 电路中电...
时间:2026-03-09
什么是室温超导?半导体时代将走向结束?芯...
时间:2026-03-09
NVIDIA CPU+GPU超级芯片大升级!
时间:2026-03-09
半导体光刻工艺 光刻—半导体电路的绘制
时间:2026-03-09
什么是硅片或者晶圆?一文了解半导体硅晶圆
时间:2026-03-09
石英灯电子变压器电路原理
时间:2026-03-06
一文详解MOS管驱动电路拓扑的设计
时间:2026-03-09
汽车芯片业应汲取的教训
时间:2026-03-09
半导体行业之ICT技术简介
时间:2026-03-09
集成电路的几纳米代表了什么?
时间:2026-03-09