当前位置:首页 > 电子元件 > 正文

双向可控硅液位控制电路

来源:网络  发布者:电工基础  发布时间:2026-03-21 08:32
双向可控硅液位控制电路

双向可控硅液位控制电路


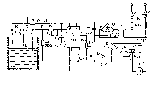
如图所示的电路,控制器由水位控测器、触发控制器和降压整流电路等组成。

水位探测电极a、b、c和W1、R1、R2、R3组成偏置电路作为液面检测器。

当水面在b以下时,Vp-b≈R3×VDD/(Rw1+R1+R2+R3)<1/3VDD,555置位,SCR被触发导通,电机运转抽水。

当水面升至a时,Vp-a≈R3×VDD/(Rw1十R3)>2/3VDD,则555复位,3脚为低电平.SCR截止,电机无电自停,如此周而复始,使水位保持在一定范围内。