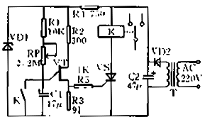
如图是由单向可控硅组成的时间继电器电路,主要由直流电源、延时触发电路和主电路三部分组成。
220V电网电压经T降压、VD2整流、C2滤波及VDl稳压后输出约15V的直流电压。
接通电源时,直流电压经R1、RP向C1充电,经过一定延时时间后,C1上的电压达到峰点电压使单结晶体管VT导通,R3上形成的脉冲电压触发可控硅VS导通,继电器K得电吸合、其触点发生动作。
从电源接通到触点动作所得的时间,即为时间继电器的延时时间,其长短可由电位器RP调节。
K得电后、其常开触点闭合,将电容C1短路、使其迅速放电,为下次充电延时作好准备;此外,继电器K的触点可控制电气设备延时动作。
使用高压电阻进行设计的 10 个技巧
时间:2026-05-07
数字仪表与模拟仪表:它们有何区别?
时间:2026-05-07
基于半导体的电源模块与分立元件
时间:2026-05-07
一文看懂堆和栈的区别和联系
时间:2026-05-07
pcb板和pcba的区别
时间:2026-05-07
什么是数组?数组有什么用?
时间:2026-05-07
电感器设计流程和见解
时间:2026-05-01
什么是触发器?触发器的作用是什么?
时间:2026-05-01
什么是电源?电源是如何进行分类的?
时间:2026-05-01
电驱动NVH的特点和结构
时间:2026-05-01
电阻的原理和作用 电阻色环识别图 电路中电...
时间:2026-03-09
什么是室温超导?半导体时代将走向结束?芯...
时间:2026-03-09
NVIDIA CPU+GPU超级芯片大升级!
时间:2026-03-09
半导体光刻工艺 光刻—半导体电路的绘制
时间:2026-03-09
什么是硅片或者晶圆?一文了解半导体硅晶圆
时间:2026-03-09
石英灯电子变压器电路原理
时间:2026-03-06
一文详解MOS管驱动电路拓扑的设计
时间:2026-03-09
汽车芯片业应汲取的教训
时间:2026-03-09
半导体行业之ICT技术简介
时间:2026-03-09
集成电路的几纳米代表了什么?
时间:2026-03-09