随着红外技术和探测器性能的进步,中波和短波红外技术在恶劣天气中具有更优秀的成像性能,在民用、军事和航空航天等领域中得到了越来越广泛的应用。读出电路作为连接探测器阵列与后级图像处理电路的关键模块,其性能对中短波红外相机系统性能具有重要影响,决定了最终的成像质量。
据麦姆斯咨询报道,近期,厦门理工学院光电与通信工程学院和北京大学电子学院碳基电子学研究中心的科研团队在《微电子学》期刊上发表了以“中短波红外图像传感器读出电路研究进展”为主题的文章。该文章第一作者为陈继明;通讯作者为陈铖颖副教授,主要从事混合信号集成电路设计方面的研究工作。
本文综述了中短波红外图像传感器读出电路的发展现状,分析了读出电路中噪声、动态范围、帧频等问题,重点探讨了针对以上问题的解决方案。最后对读出电路未来设计的改进方向进行了讨论。
研究现状
目前,针对读出电路的研究主要集中在积分器和列信号处理电路上,高性能的读出电路需要积分器具有较强的电荷处理能力、较低的噪声以及积分过程中的偏置稳定性。读出电路输入级主要分为三种拓扑结构。
一是自积分型(SI),这种结构优势是结构简单,缺点是光电探测器无法保证有稳定的偏置电压,导致线性度较差,此结构已逐渐被淘汰。二是直接注入型(DI),与SI型不同的是直接注入型积分器有稳定偏置并且结构也较为简单,功耗也较小,但是在光电流较小的情况下,注入效率较低,因此直接注入型多用于中波红外读出电路中。三是缓冲注入型(BDI),是对DI型改进的一种结构,利用负反馈的原理减小电路的输入阻抗,提高了光电流注入效率,缺点是此结构应用了运算放大器,导致静态功耗较高。电容反馈跨阻放大器型(CTIA)是应用最广泛的结构,利用密勒补偿的原理,在积分电容较小的时候也能保证较大的放大倍数,可以检测很小的光电流,此结构多用于短波红外读出电路,缺点是单元电路面积较大。
除了以上三种结构之外还存在栅调制型(GMOD)、电流镜积分型(CMI)等,但是由于这些结构存在带宽和制造工艺缺陷问题,并没有得到广泛应用。为了优化读出电路的性能,各研究机构对输入级结构的噪声、线性度、动态范围等特性进行了探索。
目前,所有报道的中短波读出电路都是基于以上结构进行设计。传统读出电路的性能主要受到阵列大小和各类噪声的限制。随着阵列规模逐渐扩大,工艺制造偏差引起的固定图形噪声以及传感器噪声会对读出电路性能产生巨大影响。尤其在某些电路中工艺中,失配较为严重。噪声信号甚至比入射的光信号大得多,严重影响成像质量。为了实现高质量的读出电路,需要对传统结构进行改良,提高抑制噪声性能以及增加满阱容量,在噪声、动态范围、帧频等特性之间取得良好的平衡。
中短波读出电路面临的挑战
中短波红外图像传感器在军事和航空航天领域有着巨大的发展潜力,阵列增大引起的非均匀性增大、功耗增加、帧频/噪声/动态范围受限等都是亟待解决的关键技术。
帧频
在红外图像传感器中,帧频是读出速率的表现形式。读出电路经过一个周期的积分、读出以及后级电路处理过程所使用时间的倒数为一帧。大输出电流有助于提高读出速率,但是模拟电路本身的工作速度以及运放带宽的限制也提高了大阵列高帧频的设计难度。因此设计中考虑到电路的功耗和速度,需要折中一部分读出速率。
噪声
红外成像系统中的噪声源包括探测器热噪声、闪烁噪声。另一部分是读出电路部分的噪声。以CTIA型为例,噪声来源主要包含放大器热噪声、闪烁噪声、积分电容复位开关管的KTC噪声。CTIA积分器的小信号模型如图1所示。在实际设计中积分电容、负载电容的大小和噪声性能需要折中考虑。

图1 CTIA小信号模型
动态范围
动态范围是评价读出电路性能的重要指标之一,定义为最大积分电平与读出电路噪声均方根值的比值。可以从两个角度来提高动态范围,一是提高满阱电荷,二是降低输出等效噪声电子数。这两者都与积分电容有着密切关系。积分电容越大,满阱容量就越大,但是同时等效噪声电子数也越大。对于固定积分电容的常规电路来说,很难同时满足大的满阱容量和小的噪声电子数,所以很难达到高动态范围。因此可以设置不同档位的积分电容值,从而提高读出电路的动态范围。
解决方案
在前文对读出电路的原理及现存相关问题的分析基础上,针对帧频、噪声、动态范围等问题总结目前研究成果中的解决方案。
帧频的提升
帧频是红外读出电路每秒对红外光的检测次数。读出速率为单位时间内输出信号的数量,一般由阵列规模、积分时间、模数转换器的速率等因素决定。目前,像元阵列规模逐渐增加,提高帧频就需要具有更高读出速率的电路,通过多通道并行输出即多个输出缓冲器同时工作以及设置合理的时序等方式可以提高系统的帧频。
噪声以及动态范围的优化
噪声性能与动态范围有着密切联系,因此为了提高读出电路动态范围就必须进行相应的低噪声设计,以优化输出性能。目前广泛使用的技术有增加栅极面积技术、斩波技术、自动调零技术、添加电容并联到输入电容技术、添加反馈MOS、电容交叉耦合技术、零极点技术、并联谐振技术等。
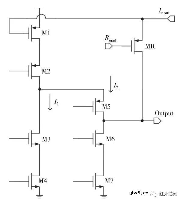
由于读出电路的噪声大部分来源于运放,因此可以优化运放结构,减小噪声,进而提高动态范围。T.Ngo等人设计了一个阵列大小256×1的读出电路,输出摆幅为2.3 V,两档积分电容分别为10 pF、0.5 pF。如图2所示,保持流过M3、M4的电流较大,而流过M5、M6、M7的电流较小,在增加M1的跨导的同时增加输出阻抗,从而提高了增益。使用单端结构可以大幅减小热噪声以及闪烁噪声,这种结构相比差分结构的运放,其噪声性能更好,在100 kHz时钟频率、10 pF积分电容下,输出噪声均方根值仅有188.7 μV。

图2 改进的单端运放电路图
Y. Jo等人为了达到高动态范围设计了一个自适应积分电路,阵列大小为640×512,输入级为CTIA型,如图3所示。在主积分前有一个预积分的过程,预积分最终值和斜坡电压Vramp进行比较,通过一位的锁存器选择大积分电容或者小积分电容,大大提高了动态范围。电路中还包含简单CDS,以及12位的存储器,存储器由可变时钟和12位的计数器进行控制,动态范围达到了140 dB。

图3 自适应积分电容读出电路框图
为了解决采用了额外的运算放大器作为比较器功耗较高的问题,Y.S. Kim等人提出的电路同样有自适应切换积分电容的优点,如图4所示。先是时间较短的预积分,预积分最终值与Vref2比较,比较器输出结果由锁存器保持住,直到主积分结束。

图4 改进后的CTIA自适应积分电路
除了对基于CTIA型积分器的读出电路进行改进,Y. S. Kim等人还提出了一种用于MWIR场景的读出电路,使用DI型积分器,其单元电路如图5所示。该结构采用两档积分电容,积分时先用小电容100 fF进行积分,此时为高增益模式。如果积分结束时最终电压值小于Vref,则不改变积分电容大小。若电流增大,积分电压在短时间超过Vref,则后续时序电路将SW打开,切换成大电容400 fF,此时为低增益模式。如果电流继续增大,则切换成HDR(高动态范围)模式。

图5 DI型结构的自适应积分电路
未来改进方向
随着相关研究人员对于红外图像传感器探索的不断深入,读出电路的研究潜力和商业价值将逐步显现。因此,中短波图像传感器读出电路也成为红外成像系统发展的重要环节,其动态范围、噪声、功耗等方面还有一些改进之处。
在动态范围方面,自适应积分电容电路存在的问题是,D触发器如果在时钟上升沿到来之前输出结果,那么开关状态将会延迟一个时钟周期变化,这会带来延迟噪声,限制了动态范围。在这个基础上,可以使用双边沿型D触发器,在多档积分电容模式中采用一种异步时钟门控技术,从而减小延迟噪声,进一步提高动态范围。
在噪声方面,从前文分析可知,读出电路中的运放热噪声和闪烁噪声占主要部分,即使可以通过相关双采样消除部分低频热噪声和闪烁噪声,但是同时会提高高频的热噪声,并且也增加了电路复杂度。在CTIA和BDI等需要运放的输入级结构中,可以使用单端运放,大幅减小闪烁噪声以及热噪声。同时建立更精确的噪声模型,根据焦平面阵列的积分原理,从晶体管的噪声系数、电路噪声等效功率谱密度、噪声传递函数导出焦平面阵列噪声,从而更精确地优化噪声性能。
在功耗方面,随着阵列的不断增加,功耗也随之提高。为了降低功耗,Z. LU等人提出了一种在输出缓冲电路中使用两级级联源极跟随器结构,以降低读出电路的功耗,并确保输出电压具有高线性度。在中波红外读出电路中可以使用无运放的简单输入级结构,如DI,以达到低功耗需求。而在短波红外读出电路中,大部分输入级结构为CTIA型。除了使用单端运放之外,也可以将运放晶体管偏置在亚阈值区以减小功耗。在信号处理链路方面,当一列像素被选中时,关闭其它列像素的尾电流源以减小整个阵列的功耗。
在减小单元电路面积方面,可以使用具有准一维结构的胶体量子点探测器,并结合结构优化的CTIA来达到高分辨率。此外,Q. LIU等人提出了一种与0.5 μm CMOS工艺兼容的四层电容器,具有较大单位面积电容,可以在减小电路面积的同时,提高输出动态范围。
总结与展望
本文针对中短波红外读出电路中噪声、动态范围、帧频等设计挑战,综述了近年来发展的关键技术以及解决方案,对各成果设计细节进行了阐述,并展望了读出电路未来的改进趋势。随着军事、航空航天等领域对中短波红外图像传感器的需求日益增大,探测器系统要求读出电路向着多功能化、高度集成、多波段工作的方向发展。从读出电路发展趋势来看,自积分电容技术、阵列分块、数字校正等技术将成为中短波红外读出电路设计中亟待发展的关键技术。
审核编辑:刘清
Sensirion和AirTeq合作推出新型室内空气质量...
时间:2026-03-19
可穿戴生物传感器厂商SIBIONICS推出SIBIO K...
时间:2026-03-19
使用RT-Thread和CPK-RA2L1采集DHT11温湿度
时间:2026-03-19
柔性触觉传感阵列+深度学习实现健康监测和纹...
时间:2026-03-19
医疗传感器有哪些_磁传感器在医疗健康领域中...
时间:2026-03-19
液压压力传感器原理及应用场合
时间:2026-03-19
地磁传感器在城市交通中的主要作用
时间:2026-03-19
新型传感器的检测方法
时间:2026-03-19
压电陶瓷传感器的特点及常见用途
时间:2026-03-19
液压传感器的构造及工作原理
时间:2026-03-19
玻璃釉电容器的结构与特点
时间:2026-03-05
碳膜电阻如何识别_金属膜电阻器和碳膜电阻器...
时间:2026-03-05
电阻的标称阻值和允许偏差
时间:2026-03-05
石英灯电子变压器电路原理
时间:2026-03-06
变压器并列运行的条件浅析
时间:2026-03-06
关于STM32WL LSE 添加反馈电阻后无法起振的...
时间:2026-03-05
贴片电阻怎么看阻值
时间:2026-03-05
可调电阻怎么接线
时间:2026-03-05
压敏电阻有正负极吗
时间:2026-03-05
怎样测试三极管的好坏,NPN三极管如何知道是...
时间:2026-03-07