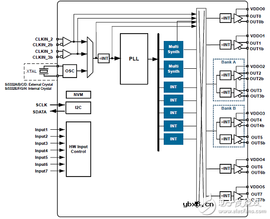
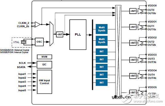
Silabs公司的Si5332是低功耗6/8/12路输出可编时钟发生器,采用灵活的频率合成技术,可产生具有极好抖动性能(230 fs rms)的任何组合的输出频率,差分输出频率5-312.5MHz, LVCMOS输出频率5-170MHz,每个输出格式为LVDS, LVPECL, HCSL,LVCMOS,工作温度–40 到 +85℃,主要用在服务器,存储器和搜索加速器,以太网交换和路由器,打印图像,通信,广播视频,测试测量以及小型蜂窝,移动网络.本文介绍了Si5332主要特性,6/8/12路输出功能框图,以及评估板Si5332-12EX-EVB框图和电路图,材料清单和PCB设计图.
Highly Integrated, Low-Power Clock ICs from Silicon Labs Simplify Timing for Demanding 10/25/100G DesignsBased on Silicon Labs proprietary MultiSynth™ flexible frequency synthesis technology,the Si5332 generates any combination of output frequencies with excellent jitter performance(230 fs rms). The device ’s highly flexible architecture enables a single device togenerate a wide range of integer and non-integer related frequencies on up to 12 differentialclock outputs with 0 ppm frequency synthesis error. The device offers multiplebanks of outputs that can each be tied to independent voltages, enabling usage in mixed-supply applications. Further, the signal format of each clock output is user-configurable.
Given its frequency, format, and supply voltage flexibility, the Si5332 is ideallysuited to replace multiple clock ICs and oscillators with a single device.The Si5332 is quickly and easily configured using ClockBuilder Pro™ software. Clock-Builder Pro assigns a custom part number for each unique configuration. Devicesordered with custom part numbers are factory-programmed free of charge, making iteasy to get a custom clock uniquely tailored for each application. Si5332 can also beprogrammed via an I2C serial interface.
The Si5332 is a high-performance, low-jitter clock generator capable of synthesizing up to twelve user-programmable clock frequenciesup to 312.5 MHz. The device supports free run operation using an external or embedded crystal, or it can lock to an external clocksignal. The output drivers support up to twelve differential clocks or twenty four LVCMOS clocks, or a combination of both. The outputdrivers are configurable to support common signal formats, such as LVPECL, LVDS, HCSL, and LVCMOS. VDDO pins are provided forversatility, which can be set to 3.3 V, 2.5 V, 1.8 V or 1.5 V (CMOS only) to power the multi-format output drivers. The core voltagesupply (VDD) accepts 3.3 V, 2.5 V, or 1.8 V and is independent from the output supplies (VDDOxs). Using its two-stage synthesis architectureand patented high-resolution low-jitter MultiSynth technology, the Si5332 can generate an entire clock tree from a single device.
The Si5332 combines a wideband PLL with next generation MultiSynth technology to offer the industry’s highest output count high performanceprogrammable clock generator, while maintaining a jitter performance of 230 fs RMS. The PLL locks to either an external 16-50 MHz crystal or an embedded 50 MHz crystal for generating for generating free-running clocks or to an external clock (CLKIN_2/CLKIN_2# or CLKIN_3/CLKIN_3#) for generating synchronous clocks. In free-run mode, the oscillator frequency is multiplied by thePLL and then divided down either by an integer divider or MultiSynth for fractional synthesis.
The Si5332 features user-defined universal hardware input pins which can be configured in the ClockBuilder Pro software utility. Universalhardware pins can be used for OE, spread spectrum enable, input clock selection, output frequency selection, or I2C address select. If additional hardware input pins are needed, a user can define a different clock output as universal hardware input pins insteadusing ClockBuilder Pro.
The device provides the option of storing a user-defined clock configuration in its non-volatile memory (NVM), which becomes the defaultclock configuration at power-up. To enable in-system programming, a power up mode is available through OTP which powers upthe chip in an OTP defined default mode but with no outputs enabled. This allows a host processor to first write a user defined subset ofthe registers and then restart the power-up sequence to activate the newly programmed configuration without re-downloading the OTP.
Si5332主要特性:
• Any-Frequency 6/8/12-outputprogrammable clock generators
• Offered in three different package sizes,supporting different combinations of output
clocks and user configurable hardwareinput pins
• 32-pin QFN, up to 6 outputs
• 40-pin QFN, up to 8 outputs
• 48-pin QFN, up to 12 outputs
• MultiSynth technology enables anyfrequencysynthesis on any output up to250 MHz
• Highly configurable output path featuring across point mux
• Up to three independent fractionalsynthesis output paths
• Up to five independent integer dividers
• Embedded 50 MHz crystal option
• Input frequency range:
• External crystal: 16 to 50 MHz
• Differential clock: 10 to 250 MHz
• LVCMOS clock: 10 to 170 MHz
• Output frequency range:
• Differential: 5 to 312.5 MHz
• LVCMOS: 5 to 170 MHz
• User-configurable clock output signalformat per output: LVDS, LVPECL, HCSL,LVCMOS
• Temperature range: –40 to +85℃
• Down and center spread spectrum
• Pb-free, RoHS-6 compliant
• Si5332 Family Reference Manual
Si5332应用:
• Servers, Storage, Search Acceleration
• Ethernet Switches, Routers
• Small Cells, Mobile Backhaul/Fronthaul
• Print Imaging
• Communications
• Broadcast Video
• Test and Measurement
• Industrial, Embedded Computing







































电感器设计流程和见解
时间:2026-05-01
什么是触发器?触发器的作用是什么?
时间:2026-05-01
什么是电源?电源是如何进行分类的?
时间:2026-05-01
电驱动NVH的特点和结构
时间:2026-05-01
什么是霍尔传感器?
时间:2026-05-01
电负性的计算方法
时间:2026-04-30
电导的定义_电导的单位_电导怎么算
时间:2026-04-30
什么是计数器_计数器的作用
时间:2026-04-30
什么是欧姆定律_欧姆定律公式
时间:2026-04-30
RAID是什么?RAID有哪些?
时间:2026-04-30
电阻的原理和作用 电阻色环识别图 电路中电...
时间:2026-03-09
什么是室温超导?半导体时代将走向结束?芯...
时间:2026-03-09
NVIDIA CPU+GPU超级芯片大升级!
时间:2026-03-09
半导体光刻工艺 光刻—半导体电路的绘制
时间:2026-03-09
石英灯电子变压器电路原理
时间:2026-03-06
什么是硅片或者晶圆?一文了解半导体硅晶圆
时间:2026-03-09
一文详解MOS管驱动电路拓扑的设计
时间:2026-03-09
汽车芯片业应汲取的教训
时间:2026-03-09
压敏电阻型号的含义
时间:2026-03-05
半导体行业之ICT技术简介
时间:2026-03-09