概 述
随着物联网时代的发展,作为其重要组成部分的传感器也具有了广阔的发展前景,在各个行业中发挥的作用也变得越来越重要,而温度传感器作为一种测量温度的装置,广泛应用于船舶、兵器、航空航天等领域。随着当前工业自动化的不断推进,对于温度控制检测的要求也越来越高,精确地温度检测能够对仪器设备的应用状态进行实时精确的监测以便于精准的调节,能够有效提高能源的利用效率,减小能源消耗。
由抗腐蚀能力强以及化学特性稳定的贵金属铂材料制成的铂热电阻温度传感器,具有高精度、稳定性好、线性特性好、测量范围广、灵敏度高与可靠性高的特点以能够长期稳定且可靠的工作于恶劣环境下进行高精度、失真低的测量温度。铂热电阻传感器能够广泛适用于医疗、电机、工业、温度计算、卫星、气象、阻值计算等高精度设备,应用范围非常广泛。铂热电阻一般应用其在0℃下的典型电阻值来命名,比如典型的铂热电阻PT1000其意为在0℃的环境温度下,电阻的典型值为1000Ω。在产品应用领域中,通常都采用三线制接法,相比于普通的二线制的接法,三线制接法具有更好的抗电阻线路引入干扰的能力,能够提高测量的准确度。
航晶公司结合当前发展与市场供应需求,现推出一款专为三线制热电阻PT1000温度测量采集处理电路HJPT1000,能够将不同温度环境下的PT1000的电阻值转换为对应的电流值输出。
HJPT1000是采用符合GJB2438B要求的厚膜集成工艺、采用F14-02陶瓷表贴封装设计的专为测量铂热电阻PT1000设计的两线制电流环变送器,可根据客户的测量温度区间要求进行定制化设计。内置高精度电流源以对热电阻PT1000提供电流激励,电流信号激励的形式使得在一定长度的输入连接线内具有足够的抗干扰能力,能够提高热电阻的采集精度。器件HJPT1000具有高精度、低功耗、两线制电流输出和电源范围广的特点,满足直接航空电压供电的要求,电流输出的特性也使得器件具有长线传输和抗干扰噪声能力强的特点,能够承受极端的环境应力和恶劣的电磁环境,应用范围更广泛,具体特征如下:
可兼容三线制RTD的采集处理
能做到两线制的4~20mA电流输出
电源电压满足18~36V直接供电
可以长线输出,抗干扰能力强
电原理框图

封装形式及引出端功能
器件采用F14-02陶瓷表贴封装,封装尺寸图如下:


电特性
除非另有说明,+VS=+28V,TA=25℃

典型应用图
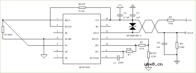
HJPT1000三线制应用典型应用图

注:
1.要注意HJPT1000的4脚的地FGND为整个系统的浮地而不是电源电压+VS的地,电流输出IOUT应对电源电压的地接采样电阻。
2.电阻R1、R2、RSET1与RSET2都应选用精度0.1%的电阻以满足整个系统的采集精度,图中的外围元件应用参数满足热电阻在-55℃~+200℃的环境温度下器件能够输出4~20mA。
3.在高端电流应用例如20mA电流输出时,整个器件的热功耗将会变得较高,可以通过在远端外接正电源与器件14脚之间加一电阻RP以使得器件上的压差降低以减小功耗。但在应用时要注意电阻阻值不能太大,电阻太大将会使得器件内部三极管集电极上与发射极上的压差降低,使得三极管可能会工作在饱和态。这时输出电流会随着电源电压的变化而变化,不再能够保持稳定。
4.经过长线传输后对输出电流进行采集处理时,推荐客户参考典型应用图在终端电阻RO上并联一个1μF的电容CO,这个电容能够有效地减小工频信号干扰以平滑电流信号的输出。要注意电容的选值越大输出电流信号噪声会越小但是RO、CO构成的网络其τ值也将增大使得输出信号的建立时间也将越长。器件实际应用时用户应根据自身的信号噪声要求和建立时间需求合理的进行电容选择。
5.受到器件结温特性的限制,器件HJPT1000不能置于TA≥140℃的环境温度下工作。
6.尽管该器件的供电与输出能够适应长线传输,但其输入并不能够接受长线信号,因此建议用户在使用时,PT1000到器件输入端的传输线不能超过50cm。
审核编辑:刘清
Sensirion和AirTeq合作推出新型室内空气质量...
时间:2026-03-19
可穿戴生物传感器厂商SIBIONICS推出SIBIO K...
时间:2026-03-19
使用RT-Thread和CPK-RA2L1采集DHT11温湿度
时间:2026-03-19
柔性触觉传感阵列+深度学习实现健康监测和纹...
时间:2026-03-19
医疗传感器有哪些_磁传感器在医疗健康领域中...
时间:2026-03-19
液压压力传感器原理及应用场合
时间:2026-03-19
地磁传感器在城市交通中的主要作用
时间:2026-03-19
新型传感器的检测方法
时间:2026-03-19
压电陶瓷传感器的特点及常见用途
时间:2026-03-19
液压传感器的构造及工作原理
时间:2026-03-19
玻璃釉电容器的结构与特点
时间:2026-03-05
碳膜电阻如何识别_金属膜电阻器和碳膜电阻器...
时间:2026-03-05
电阻的标称阻值和允许偏差
时间:2026-03-05
石英灯电子变压器电路原理
时间:2026-03-06
变压器并列运行的条件浅析
时间:2026-03-06
关于STM32WL LSE 添加反馈电阻后无法起振的...
时间:2026-03-05
贴片电阻怎么看阻值
时间:2026-03-05
压敏电阻有正负极吗
时间:2026-03-05
怎样测试三极管的好坏,NPN三极管如何知道是...
时间:2026-03-07
三极管的主要参数
时间:2026-03-07