01 定义
运放全称是运算放大器,它是一个差分输入、多级联、直接耦合、高增益的单芯片集成电路,搭配一些阻容器件能实现不同功能的运算电路,因而得名。运放有两个输入端、一个或两个输出端、正负电源供电端。

02 理想运放的特性
在做具体电路分析前,我们需要了解一下理想运放的基本特性:
1)开环增益无穷大,随便翻看一下运放的datasheet,开环增益基本都在100dB以上了;
2)输入阻抗无穷大,即没有电流流进运放的输入端;
3)输出阻抗为0,实际运放一般会有一个几十~几百欧姆的开环输出阻抗。
在了解运放上述的特性后,我们就要引出运放的“虚短”和“虚断”概念了:
1)虚断:因为运放的输入阻抗很大,我们可以认为没有电流流过,就像是开路一般,因此称为“虚断”。
2)虚短:在负反馈电路下,为了保证输出稳定,Uo=(U+ - U-)*Auo,我们可以认为U+和U-无限接近,就像短路一样,因此称为“虚短”。
虚断和虚短是分析所有运放电路最基本、最核心的理论假设,大家一定要掌握。

03 负反馈
学过控制理论的同学都知道,一个开环系统是没法稳定工作的。就以运放为例,运放的开环增益基本都在100dB以上,输入端稍微有点风吹草动,输出就爆了。因此运算放大器电路都会引入负反馈才能正常工作。如下图所示运放电路,我们利用虚断和虚短理论,可以很方便的计算输入和输出的关系。
根据虚短,Us=Ux;根据虚断,Ux=Uo/(Rf+R2)*R2;因此,推导得到 Uo=Us*(1+Rf/R2),是不是很简单?

04 特殊功能放大器
理论上可以使用标准运放实现任何运算、放大的功能,但是受限一些电路的复杂度、外围器件的精度等原因,自己搭建的特殊功能运放电路性能并不出众,因此器件厂家就会将这些常用的功能电路进一步集成,这就产生了功能放大器。
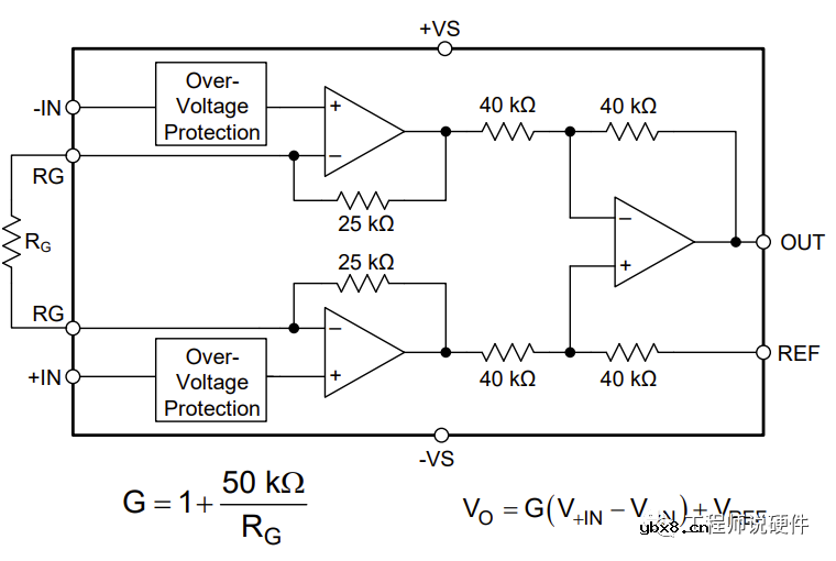
1)仪表放大器
其特点是极高的输入阻抗和极高的共模抑制比,因此特别适合作为传感器等高精度、小信号调理电路的前级放大。

2)差动放大器
和标准运放的区别,就是将外围电阻集成到芯片中,激光校准电阻保证了电路增益精度的同时,又使电路具有较高的共模抑制比,很适合作为ADC的前级驱动电路。

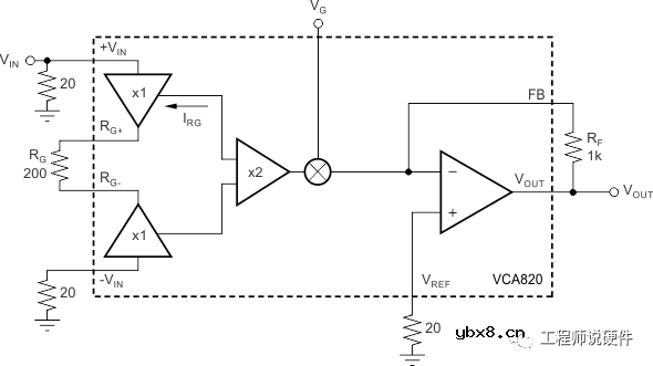
3)压控增益放大器
可通过外部电压Vg来连续控制放大器的增益,一般简称为VGA或VCA,有V/V线性和dB线性两种,也有正控制和负控制两种。一般在自动增益控制(AGC)系统中被普遍使用。

4)程控增益放大器
顾名思义,可以通过程序来控制放大器的增益,一般简称为PGA。主要用于被测信号幅度不定且变化较大的场景,需要根据ADC的采样值去动态调整系统的放大倍数,使ADC的采样值在最佳范围之内。

特殊功能放大器还有很多,大家可以去TI、ADI等模拟IC的官网查看,根据自己的设计需求选用。如下截取TI官网放大器的分类。

审核编辑:刘清
Sensirion和AirTeq合作推出新型室内空气质量...
时间:2026-03-19
可穿戴生物传感器厂商SIBIONICS推出SIBIO K...
时间:2026-03-19
使用RT-Thread和CPK-RA2L1采集DHT11温湿度
时间:2026-03-19
柔性触觉传感阵列+深度学习实现健康监测和纹...
时间:2026-03-19
医疗传感器有哪些_磁传感器在医疗健康领域中...
时间:2026-03-19
液压压力传感器原理及应用场合
时间:2026-03-19
地磁传感器在城市交通中的主要作用
时间:2026-03-19
新型传感器的检测方法
时间:2026-03-19
压电陶瓷传感器的特点及常见用途
时间:2026-03-19
液压传感器的构造及工作原理
时间:2026-03-19
玻璃釉电容器的结构与特点
时间:2026-03-05
碳膜电阻如何识别_金属膜电阻器和碳膜电阻器...
时间:2026-03-05
电阻的标称阻值和允许偏差
时间:2026-03-05
石英灯电子变压器电路原理
时间:2026-03-06
变压器并列运行的条件浅析
时间:2026-03-06
关于STM32WL LSE 添加反馈电阻后无法起振的...
时间:2026-03-05
贴片电阻怎么看阻值
时间:2026-03-05
压敏电阻有正负极吗
时间:2026-03-05
怎样测试三极管的好坏,NPN三极管如何知道是...
时间:2026-03-07
三极管的主要参数
时间:2026-03-07