ADC****基本功能介绍
ADC****的作用顾名思义--将模拟信号转换为数字信号。
对图像传感器而言, 入射光子在photo diode中发生光电 转换,成为模拟电信号,模拟信号再经ADC 转换为数字信号输出。
图1是 cmos image sensor(以下简称CIS) 的基本架构图。 Pixel array产生的模拟信号串行通过ADC转换为数字信号输出。并且每一列pixel****都会共享一个 ADC 。

**图****1column parallel ADC CIS **基本架构
从实现方法而言,ADC有多种类型:逐次逼近型、积分型、压频变换型、∑ - Δ型 ADC, 等。
SS-ADC ( single slope ADC )属于 逐次逼近型 ,由于其结构简单、占用面积小、功耗低的特点****被广泛使用在 CIS中 。
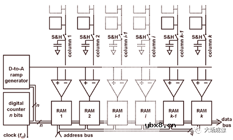
SS-ADC****工作原理
SS-ADC的基本结构如图2所示,包括数模转换器(D-to-A Rampgenerator)、比较器、digital counter、存储器RAM。

图2 SS-ADC基本结构
Digital counter的输出信号传送给ramp generator,ramp的值会随着counter的增加而单调增大;ramp的输出连接到比较器的'+'输入端。Pixel的输出信号与ramp的电压不断进行比较,当pixel信号值和ramp的输出信号相等时,比较器被触发转换到输出状态。这样,pixel的模拟信号就被表征为digital counter的数字信号,数值被锁存在n-bit RAM中,如图3所示。

因为所有列的AD转换都需要在一个ADC周期内完成,RAMP值会继续增加,直到counter达到最大值‘11...11’,一整排的column模拟信号全部被转换为数字信号,锁存在RAM 1到RAM k中,等待读出电路将数值读出。
SS-ADC缺点和解决方案
SS-ADC最大缺点是速度慢,特别是bit位宽增加时。Digital counter必须从最小值遍历到最大值,当bit位宽增加时,转换时间会随之增加。比如ADC clockf=100MHz,8bit时需要转换时间为0.256us,10bit时1.02us, 12bit时为8.2us。
Multi-slope ADC和Mulit-ramp ADC在一定程度上可以改善速度问题。
Multi-slope ADC
如上所述SS-ADC的转换速度是由ramp的速度决定的,从最小遍历到最大(10bit为例,从0到1023)。当ADC的采样分辨率高,ADC精度变高,但是速度会变慢。可以考虑牺牲一部分噪声特性来提高ADC的速度。
亮光时,CIS主要是shot noise占主导,SNR约等于信号的平方根。因此在亮光环境,ADC的量化噪声可以适当放松,可以考虑适当RAMP的step(减小采样分辨率),量化噪声增大。
暗光时,CIS的噪声主要是来自read noise,暗光时,为了减小量化噪声对画质影响,维持ADC的高采样分辨率,量化噪声小。
利用multi-slope ADC,可以维持一定SNR的基础上加快ADC速度。
Multi-Ramp ADC
Multi-Ramp SS-ADC的原理类似于二分法。例如先用最高2位(4段)选择信号在下面4个的哪个区间00…0 ~ 01…0,01…0 ~ 10…0, 10…0 ~ 11…0, 11…0 ~ 11…1。然后在每个区间内再进行高采样转换。通过这样的方法,转换时间减小为原来的1/4。

Multi-Ramp ADC这种方法也有缺陷。4个ramp会有不同的offset;并且对于不同的区间,offset带来的影响不一样。
总结:SS-ADC因其电路简单、面积小、功耗低被广泛应用于商用cmos图像传感器中,它的工作原理限制了其转换速度、精度与分辨率。
一款可植入电池内部的高精度光纤传感器
时间:2026-03-18
拜安半导体6英寸MEMS光纤传感器芯片特色生产...
时间:2026-03-18
探讨一下IGBT的片上电流传感器基本原理及用...
时间:2026-03-18
基于微针的生物传感器研究进展
时间:2026-03-18
全志R128应用开发案例—中断方式驱动旋转编...
时间:2026-03-18
索尼推出业内首颗最高像素车载CMOS图像传感...
时间:2026-03-18
onsemi推出适用于智能家居的Hyperlux LP图像...
时间:2026-03-18
Melexis推出高性能线性行程磁位置传感器芯片
时间:2026-03-18
使用XR806芯片驱动一下DHT11温湿度传感器
时间:2026-03-18
具有弯曲宏观裂纹的多功能水凝胶传感器
时间:2026-03-18
玻璃釉电容器的结构与特点
时间:2026-03-05
电阻的标称阻值和允许偏差
时间:2026-03-05
石英灯电子变压器电路原理
时间:2026-03-06
变压器并列运行的条件浅析
时间:2026-03-06
碳膜电阻如何识别_金属膜电阻器和碳膜电阻器...
时间:2026-03-05
三极管的主要参数
时间:2026-03-07
光伏控制器简介
时间:2026-03-06
关于STM32WL LSE 添加反馈电阻后无法起振的...
时间:2026-03-05
贴片电阻怎么识别_贴片电阻识别方法
时间:2026-03-05
可调电阻怎么接线
时间:2026-03-05